TRUE BYPASS BOX, ale jinak...
Pravidla fóra
- Abu
- Příspěvky: 1549
- Registrován: 11.01.2009 17:36
- Bandzone: http://bandzone.cz/thedirtyraccoons
- Bydliště: Praha
- Kontaktovat uživatele:
Re: TRUE BYPASS BOX, ale jinak...
Pokud strcis jack do amp returnu, tak se odpoji preamp (aspon u vetsiny zesilovacu se seriovou smyckou), takze by "clean" rezim nehral vubec.
Ale v cem je problem koupit krabicku, dvojity prepinac a par konektoru a dat to cele dohromady (podle toho rukou kresleneho schematka) ??
Ale v cem je problem koupit krabicku, dvojity prepinac a par konektoru a dat to cele dohromady (podle toho rukou kresleneho schematka) ??
Hraju výhradně na šrot.
- Hendrek
- Site Admin
- Příspěvky: 8791
- Registrován: 23.07.2009 12:11
- Bydliště: Ostrava
- Kontaktovat uživatele:
Re: TRUE BYPASS BOX, ale jinak...
Ale to by pak nefungoval preamp aparátu ani při použití FX smyčky, což se mi nezdá. Ledaže by bylo nutné mít zapojen i SEND ampu, což není problém, stačilo by strčit tam dummy jack.Abu píše:Pokud strcis jack do amp returnu, tak se odpoji preamp
- Abu
- Příspěvky: 1549
- Registrován: 11.01.2009 17:36
- Bandzone: http://bandzone.cz/thedirtyraccoons
- Bydliště: Praha
- Kontaktovat uživatele:
Re: TRUE BYPASS BOX, ale jinak...
No tak vetsina zesilovacu se seriovou smyckou co se mi dostaly do ruky takhle fungovala. Zasunutim jacka do returnu se mechanicky odpojilo spojeni z preampu, coz je celkem logicke, proc by se mely michat spolu 2 signaly, jde prece o seriovou smycku.... Staci se podivat na nejake schematko.
Pri pouziti smycky jak pises jde signal ze sendu pres efekty do returnu a nikudy jinudy, pokud jack ze sendu vytahnes, prestane to hrat.
Pri pouziti smycky jak pises jde signal ze sendu pres efekty do returnu a nikudy jinudy, pokud jack ze sendu vytahnes, prestane to hrat.
Hraju výhradně na šrot.
- Hendrek
- Site Admin
- Příspěvky: 8791
- Registrován: 23.07.2009 12:11
- Bydliště: Ostrava
- Kontaktovat uživatele:
Re: TRUE BYPASS BOX, ale jinak...
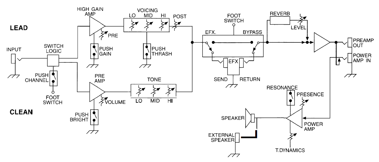
Koukal jsem se na schéma mého Bandity.
Je tam FX send a return a pak ještě preamp out a pwr amp in. Stále si myslím, že jednoduchý TB box nebo AB box s fuzzovou větví zapojenou do FX returnu bude fungovat, tzn. fuzzový zvuk obejde preamp. V tom mém náčrtku jsem možná chybně použil označení "amp return", kterým jsem myslel "FX return". Ale nevím, jaký aparát mí imucz.
Edit: teď na to koukám a máš pravdu, neprošel by mi signál z preampu dál, když nemám zapojený send.
Takže se kaju a příště než něco poradím, radši si dám nejdřv panáčka a pořádně to promyslím
.
Edit: teď na to koukám a máš pravdu, neprošel by mi signál z preampu dál, když nemám zapojený send.
Takže se kaju a příště než něco poradím, radši si dám nejdřv panáčka a pořádně to promyslím
- Abu
- Příspěvky: 1549
- Registrován: 11.01.2009 17:36
- Bandzone: http://bandzone.cz/thedirtyraccoons
- Bydliště: Praha
- Kontaktovat uživatele:
Re: TRUE BYPASS BOX, ale jinak...
Jednak je to jen blokove schema, takze takove detaily jako prepinaci kontakt na jackove samici tam nemusi byt zakreslen. Ale hlavne tam mas smycku prepinanou footswitchem !! Aby to fungovalo, tak by se musel prepinat i ten EFX footswitch, zaroven s tim AB boxem. Takze by z toho razem bylo zapojeni jako na puvodnim rucne kreslenem obrazku ... Navic ne kazdy amp se smyckou ji ma prepinanou footswitchem.
EDIT:
EDIT:
Hraju výhradně na šrot.
Re: TRUE BYPASS BOX, ale jinak...
jj. při zapojení jacku do returnu se odpojí preamp. při zapojení jacku do sendu jede preamp i konec (asi možnost si preampovaný signál poslat dál do dalšího zesilovače pokud není zrovna smyčka).
smyčku nemám zapínanou vypínanou footstwitchem. footstwich na hlavě je jen na clean/drive a 0/boost.
no asi nezbude než bastlit. 6 jackových samic a nějaký dvojitý přepínač který to zvládne. nebo elegantněji. jednoduchý přepínač a dvě relátka. ale moc se mi do toho nechce. mechanicky a elektricky to zapojím. ale obávám se toho vzhledu a výdrže (plastová krabička?). navíc jestli to nebude nachytávat brum? nebude to dávat lupance při přepínání při jednoduchém zapojení?
a ještě dva hendrex kábly
smyčku nemám zapínanou vypínanou footstwitchem. footstwich na hlavě je jen na clean/drive a 0/boost.
no asi nezbude než bastlit. 6 jackových samic a nějaký dvojitý přepínač který to zvládne. nebo elegantněji. jednoduchý přepínač a dvě relátka. ale moc se mi do toho nechce. mechanicky a elektricky to zapojím. ale obávám se toho vzhledu a výdrže (plastová krabička?). navíc jestli to nebude nachytávat brum? nebude to dávat lupance při přepínání při jednoduchém zapojení?
a ještě dva hendrex kábly
Gibson SG standard ´78, Bach SG, Foxrox CC hybrid, Radial Bones Hollywood, MXR Super Badass, EHX Satisfaction, HOT Sunset drive, HOT Spring-Verb, HOT The Thirty KT66, 1x12" Engl 112 PRO, Schecter SGR SA-1, Cremona ´86 (samodomo vybavená 1xhumb.+1xsingl), Zoom G3, Roland Cube 10GX
- Abu
- Příspěvky: 1549
- Registrován: 11.01.2009 17:36
- Bandzone: http://bandzone.cz/thedirtyraccoons
- Bydliště: Praha
- Kontaktovat uživatele:
Re: TRUE BYPASS BOX, ale jinak...
Relatka mi prijdou zbytecne komplikovany. Prepinal bych to necim takovymhle (zbyde i jedna sada kontaktu treba na ledku) - http://www.audiokonektory.cz/produkt/3pdt/
Krabicku bych vyresil timto - http://kytary.muziker.cz/nozni-prepinac ... g-AL-201-W nebo http://www.audiokonektory.cz/produkt/1590bb-hammond/
Ohledne lupancu - castecne se jim da zabranit kdyz se na obe strany prepinace da odpor 1-2 Mega do zeme. Na vstupu z kytary to asi ani nebude potreba (vystup z pasivnich snimacu nema zadnou stejnosmernou slozku).
Krabicku bych vyresil timto - http://kytary.muziker.cz/nozni-prepinac ... g-AL-201-W nebo http://www.audiokonektory.cz/produkt/1590bb-hammond/
Ohledne lupancu - castecne se jim da zabranit kdyz se na obe strany prepinace da odpor 1-2 Mega do zeme. Na vstupu z kytary to asi ani nebude potreba (vystup z pasivnich snimacu nema zadnou stejnosmernou slozku).
Hraju výhradně na šrot.
Re: TRUE BYPASS BOX, ale jinak...
Zdar, stejně jako Abu si myslím, že nemá smysl do komba (hlavy) přidávat nějaké další zbytečnosti. Vestavěná smyčka bývá zapojena ve většině případů zapojena takto:
"IN" je přívod od předzesilovače komba (hlavy) a "OUT" vede do invertoru (u push-pull koncových stupňů) nebo přímo do koncového stupňě u SE (jednočinné zapojení s jednou výkonovou lampou). Jak vyplývá ze schematu jsou v klidovém stavu (kdy není zasunut žádný jack) propojeny signály "IN" a "OUT" přes rozpínací kontakt jacku "return". Při zasunutí jacku do zásuvky "return" dojde k rozpojení signálů "IN" a "OUT" a do zásuvky "return" je možné přivést signál z jakéhokoliv externího zdroje, nejčastěji z řetězce efektových krabiček modulačního typu (reverb, delay, equalizer apod.) případně multiefektu. Z volné zásuvky "send" lze použít signál z předzesilovače komba (hlavy) pro vstup efektů (nejčastější případ) nebo jej nepoužít vůbec a "krmit" efekty z jiného zdroje signálu (jiný, např. lépe znějící předzesilovač).
"IN" je přívod od předzesilovače komba (hlavy) a "OUT" vede do invertoru (u push-pull koncových stupňů) nebo přímo do koncového stupňě u SE (jednočinné zapojení s jednou výkonovou lampou). Jak vyplývá ze schematu jsou v klidovém stavu (kdy není zasunut žádný jack) propojeny signály "IN" a "OUT" přes rozpínací kontakt jacku "return". Při zasunutí jacku do zásuvky "return" dojde k rozpojení signálů "IN" a "OUT" a do zásuvky "return" je možné přivést signál z jakéhokoliv externího zdroje, nejčastěji z řetězce efektových krabiček modulačního typu (reverb, delay, equalizer apod.) případně multiefektu. Z volné zásuvky "send" lze použít signál z předzesilovače komba (hlavy) pro vstup efektů (nejčastější případ) nebo jej nepoužít vůbec a "krmit" efekty z jiného zdroje signálu (jiný, např. lépe znějící předzesilovač).
S opravami jsem skončil, žádné další zakázky už nepřijímám. Když budete mít jakýkoliv smysluplný technický dotaz týkající se elektronek, zesilovačů a "krabiček", klidně mě kontaktujte e-mailem: z.hronek@protonmail.com Když budu znát odpověď, budu mít čas a chuť, rád Vám odpovím. Děkuji.
Re: TRUE BYPASS BOX, ale jinak...
Tak a je hotovo. Vpravo dole. Cca tři hodiny práce. Principielně to dělá to co má. Buď signál z kytary přímo do hlavy a propojený send a return nebo signál z kytary jde přímo na efekty a potom do returnu hlavy.
Jenom ta druhá varianta se mi zdá, že zvuk zgumovatěl. Ale to asi bude problém rychle nalezených propojek neurčité kvality. Co jsem se znovu přesvědčil tak zoom bohužel funguje jako generátor šumu (původní úroveň šumu se po zapojení zoomu k ostatním krabičkám zvýší cca 2x). A přemýšlím co s tím.
Jenom ta druhá varianta se mi zdá, že zvuk zgumovatěl. Ale to asi bude problém rychle nalezených propojek neurčité kvality. Co jsem se znovu přesvědčil tak zoom bohužel funguje jako generátor šumu (původní úroveň šumu se po zapojení zoomu k ostatním krabičkám zvýší cca 2x). A přemýšlím co s tím.
Gibson SG standard ´78, Bach SG, Foxrox CC hybrid, Radial Bones Hollywood, MXR Super Badass, EHX Satisfaction, HOT Sunset drive, HOT Spring-Verb, HOT The Thirty KT66, 1x12" Engl 112 PRO, Schecter SGR SA-1, Cremona ´86 (samodomo vybavená 1xhumb.+1xsingl), Zoom G3, Roland Cube 10GX
- Hendrek
- Site Admin
- Příspěvky: 8791
- Registrován: 23.07.2009 12:11
- Bydliště: Ostrava
- Kontaktovat uživatele:
Re: TRUE BYPASS BOX, ale jinak...
S odstraněním šumu by ti mohl pomoct tento příspěvek: kytarove-efekty/zoom-ms-50g-a-zoom-ms-1 ... ml#p639393
Re: TRUE BYPASS BOX, ale jinak...
přesně takhle jsem to řešil, když jsem ještě používal klasické krabičky před lampovou hlavou. Měl jsem TB box vlastní výroby, s LEDkou. Přehazoval signál buď do řetězce efektů nebo napřímo do vstupu hlavy.
Teď mám na podlaze jen ZOOM G1on a je po starostech.
Teď mám na podlaze jen ZOOM G1on a je po starostech.
Já se domnívám, že revoluce je zvrat k lepšímu. Kontrarevoliuce je síla, která tomuto zvratu brání. Kontrarevoluce se drží u moci zuby nehty. Ti starší už pouze nehty. (Zdeněk Svěrák, 1989)