AX84 P1 Hi Octane - Zkreslení
Re: AX84 P1 Hi Octane - Zkreslení
Díky za zajímavé postřehy a rady. Velice zajímavá je ovšem jedna věc. Úplně původně jsem zesilovač zapojil úplně stejně jako podle schématu až na usměrňovač pro anodové napětí. Ve schématu je použit transformátor co má 2 x 190V a já měl pouze transformátor, který měl 1 x 250V. Udělal jsem tedy to, že jsem za něj dal klasický Graetzův můstek ale místo odporu R2 s hodnotou 100R jsem použil odpor 1k8. Popravdě už si přesně nevzpomínám, kde jsem tuhle hodnotu vzal,
myslím, že jsem jí nějakým způsobem vypočetl přes Ohmův zákon, nemůžu už najít poznámky s výpočty. Nicméně zesilovač po zapnutí fungoval na první dobrou a toto nežádoucí bzučení tam nebylo
zvuk sice velmi ale opravdu jen velmi nepatrně ten "fuzzoidní podtón" měl ale ten byl tak minimální, že jsem ho skoro ani nepostřehl. Zvuk byl velice pěkný a zkreslený byl také velmi ucházející (alespoň tedy v mých uších). Po měření hodnot jsem ovšem zjistil, že za odporem 1k8 je ale pouhých 224V a ne 259V jako je uvedeno ve schématu. Tudíž jsem si změřil napětí před odporem (287V) a pomocí Ohmova zákona jsem si při předpokládaném odebíraném proudu 50 mA a požadovaném napětí 259V za odporem spočetl hodnotu odporu 560R (úbytek napětí na odporu 28V). Po připájení nového odporu bylo napětí za odporem sice ne 259V ale 252V, což sice nebylo přesně ale bylo to přece jen o dost blíž než 224V. Po té jsem změřil i hodnoty napětí na katodách ty byly všechny zhruba o dvě desetiny voltu menší (přesné hodnoty si bohužel nepamatuji). Ovšem co se po změně odporu projevilo jako velmi nežádoucí byl právě nechtěný a velmi výrazný "fuzzoidní podtón" ve zvuku. Jako je slyšet např. v mém pokusu o Čajovnu, zvuk po úhozu do struny zněl jako z nějakého fuzz efektu, kdy fuzz ještě nějakou chvíli s dozvukem struny zněl a chvíli před dozněním struny ten "fuzz zvuk" zesílil a z ničeho nic se "utnul". To mě osobně znělo dost nepřirozeně a nehezky. Tedy podle naměřených hodnot napětí jsem byl nejblíž k hodnotám zapsaným ve schématu ale zvuk se moc poslouchat nedal.
Udělal jsem tedy schválně to, že jsem odpor 1k8 vrátil zpět tam kde byl předtím odpor 560R a k mému údivu se zvuk opět "spravil".
Samozřejmě je možné předešlý odpor kdykoliv vrátit a nejedná se o nijak drastické změny v zapojení ale je to alespoň pro mě záhada.
Re: AX84 P1 Hi Octane - Zkreslení
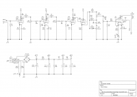
Zdar, odpor R2 ve zdroji anodového napětí zachovej 100Ω. Teče jím i proud koncové EL84 a ten je velmi proměnlivý podle změn signálu na vstupu. Když měříš, tak získáváš hodnoty v klidovém stavu, provozní hodnoty mohou být velmi odlišné. Odpor 1k8 je na pozici R2 moc velký a když si EL84 "cucne" při nějaké špičce signálu např. 100mA (to se stává) vznikne na něm úbytek napětí 180V a to je už hodně. Optimální by byla náhrada R2 tlumivkou např. ze zdroje nějakého lampového rádia, byl by lépe odfiltrován brum a úbytek napětí by byl v rozumných mezích (tlumivky z rádií mají činný odpor typicky kolem 300Ω). Jak jsem Ti psal už minule, napětí nemusíš brát dogmaticky a snažit se za každou cenu dosáhnout hodnot uvedených ve schematu Hi-Octane. Změna součástek ve zdroji není nejvhodnější cesta "ladění" zvuku, to lze výhodněji a správněji udělat změnou katodových odporů V3B, V4A a V4B. Za minimální hodnotu můžeš považovat 820Ω; zvyšovat můžeš dle libosti (svých uší) až bude zvuk podle Tebe nejlepší. Pro klidné svědomí co se týká napájecího trafa a usměrnění můstkem se můžeš kouknout tady:
a zjistíš, že nejsi první kdo použil jednoduché sekundární vinutí trafa. Vinutí s vyvedeným středem mělo své opodstatnění při usměrňování elektronkami duodiodami. Dnes je to anachronismus. Ať se daří.
S opravami jsem skončil, žádné další zakázky už nepřijímám. Když budete mít jakýkoliv smysluplný technický dotaz týkající se elektronek, zesilovačů a "krabiček", klidně mě kontaktujte e-mailem: z.hronek@protonmail.com Když budu znát odpověď, budu mít čas a chuť, rád Vám odpovím. Děkuji.
Re: AX84 P1 Hi Octane - Zkreslení
Rozdíly na anodě +-30V by měly být na zvuku neznatelné. Možná je problém v tvém konkrétním kusu 560R, ale takhle by se asi neprojevil. Kdyby to byl můj projekt, nechám tam 100R (pokud nemám tlumivku), ať to zbytečně netopí.
Větší odpor ve zdroji může z šum potlačovat, pokud pochází ze sítě. Jsou kondenzátory ve zdroji vpořádku? Pokud ano, pak se šum chytá vzduchem -> stínění.
Edit: Taky se to může chytat ještě před zesilovačem, máš tuto část řetězce vpořádku?
Edit 2: Na fotkách není vidět odpor 1M na vstupu, máš ho tam? Taky bych přidal odpor 68k na první mřížku. Na zvuku se neprojeví a je to prevence proti chytání VF rušení.
Větší odpor ve zdroji může z šum potlačovat, pokud pochází ze sítě. Jsou kondenzátory ve zdroji vpořádku? Pokud ano, pak se šum chytá vzduchem -> stínění.
Edit: Taky se to může chytat ještě před zesilovačem, máš tuto část řetězce vpořádku?
Edit 2: Na fotkách není vidět odpor 1M na vstupu, máš ho tam? Taky bych přidal odpor 68k na první mřížku. Na zvuku se neprojeví a je to prevence proti chytání VF rušení.
-
mmjuz
- Odborník
- Příspěvky: 2236
- Registrován: 23.03.2009 11:17
- Bydliště: Brněnsko
- Kontaktovat uživatele:
Re: AX84 P1 Hi Octane - Zkreslení
Z Příbramska je uživatel Kohout77, slušný člověk. Jistě Tě nechá na funkční kytarovou bednu zahrát, navíc se mi nedávno zmiňoval, že má na prodej nějaké staré Celestion. Snad G12 100 a Greenback. Určitě za tenhle aušus nebude chtít žádné velké peníze. Prvně si udělej bedýnku, která bude 100% hrát a pak laď zesilovač. Ona může mít cívka v reproduktorku uvolněný závit a ten může občas dělat podobné pazvuky. O provozu reproduktoru bez ozvučnice se tu už psalo, klidně ho tímhle způsobem můžeš snadno zničit, pokud se už tak nestalo.
Graetz v jednoduchém vinutí není výjimečný, mají to tak třeba Pro Juniory od Fendera i jiné aparáty. Hodnoty odporů nech alespoň v rozumné toleranci dle schématu. Zmíněný rozptyl U nemá opravdu nijak zásadní vliv. Na tlumivku se vykašli, nemá to v této koncepci vůbec žádný smysl, byly by to jen vyhozené peníze. Každopádně odpor mezi Ua a UG2 ( asi těch zmíněných 100R, nebudu to schema hledat ) dej aspoň 2 - 3W. Ony totiž tyhle čínské elyty Jamicon, Hitano a pod. mají tu skvělou vlastnost, že tak po jednom až dvou letech provozu se jim ESR natolik zvýší, že protékající proud bude ten odpor opravdu solidně zatěžovat a ten bude topit jako vařič Primus.
Graetz v jednoduchém vinutí není výjimečný, mají to tak třeba Pro Juniory od Fendera i jiné aparáty. Hodnoty odporů nech alespoň v rozumné toleranci dle schématu. Zmíněný rozptyl U nemá opravdu nijak zásadní vliv. Na tlumivku se vykašli, nemá to v této koncepci vůbec žádný smysl, byly by to jen vyhozené peníze. Každopádně odpor mezi Ua a UG2 ( asi těch zmíněných 100R, nebudu to schema hledat ) dej aspoň 2 - 3W. Ony totiž tyhle čínské elyty Jamicon, Hitano a pod. mají tu skvělou vlastnost, že tak po jednom až dvou letech provozu se jim ESR natolik zvýší, že protékající proud bude ten odpor opravdu solidně zatěžovat a ten bude topit jako vařič Primus.
Re: AX84 P1 Hi Octane - Zkreslení
Z Přábramska jsem, reproduktorů a boxů tu mám spoustu. Klidně mi napiš SZ, domluvíme se a není problém všechno vyzkoušet a poslechnout.
Staré G12-100 Roly bych prodal, fakt mi nesedly.
Staré G12-100 Roly bych prodal, fakt mi nesedly.
Re: AX84 P1 Hi Octane - Zkreslení
Zdravím všechny po delší době a omlouvám se, že odepisuji až teď (měl jsem maturitu). Naštěstí jsem odmaturoval úspěšně tak nyní budu mít dost času kombo dodělat
Včera jsem ve škole nařezal spárovku a koupil jsem překližku na přední desku. Do bedýnky by se s rezervou mělo vejít 8" repro a snad by se do ní mohlo vejít i repro o průměru 10". Se zesilovačem raději budu opět laborovat až bude v bedýnce i s reproduktorem aby bylo možné objektivně posoudit zvuk. Jinak odpor 1M v mřížce první triody první elektronky je připájený na vstupním jacku. Teď jsem si uvědomil, že to asi není úplně dobře, neboť by měl být, jestli se nemýlím co nejblíže připájený k patici elektronky. A děkuji za pozitivní reakce určitě se ohledně toho reproduktoru ozvu, pokud možno zítra, nyní nejsem v Příbrami a vracim se zítra 
-
mmjuz
- Odborník
- Příspěvky: 2236
- Registrován: 23.03.2009 11:17
- Bydliště: Brněnsko
- Kontaktovat uživatele:
Re: AX84 P1 Hi Octane - Zkreslení
Do mřížky první triody se dává odpor tak 10k až 68k a ten by měl být připájen ideálně přímo na pinu soklu elektronky. Odfiltruje Ti problematické frekvence, které v signálu stejně neupotřebíš, jsou totiž mimo slyšitelné pásmo. Potom musíš elektronce dát možnost pro vytvoření předpětí a proto se do mřížky proti zemi dává ten 1M, který máš asi na mysli. Zároveň si tímto rezistorem nastavuješ vstupní impedanci. Tam už jeho umístění není tak náročné, klidně ho nech na vstupním jacku. Rozhodně je krajně nepravděpodobné, že by jeho umístění způsobovalo nějaké nepěkně znějící odstíny zkresleného zvuku, o kterých se zmiňuješ.