Stavba-Fender champ
Re: Stavba-Fender champ
nechtel sem vytvaret novy tema tak to hazu sem
zacal sem makat na stavbe tohohle prcka a chtel sem do nej dat kvalitni vystupak hammond (z tubetown asi 30eur)
zarazilo mne ale za na vystupu je na trafu impedance 3,2ohm
viz odkaz: http://www.tube-town.net/ttstore/produc ... 22905.html
nevite kde by se dalo sehnat trafo co ma na vystupu 8ohm??
zacal sem makat na stavbe tohohle prcka a chtel sem do nej dat kvalitni vystupak hammond (z tubetown asi 30eur)
zarazilo mne ale za na vystupu je na trafu impedance 3,2ohm
viz odkaz: http://www.tube-town.net/ttstore/produc ... 22905.html
nevite kde by se dalo sehnat trafo co ma na vystupu 8ohm??
JJ Gtrs "Yamaha SG-40 replica", Aria Diamond 1803T, Zenon Audition->TC Polytune mini->Super Electric MK1.5->Boss DC3->Ibanez SC10->Ibanez DE7->Yamaha MagicStomp->Acoustic 450->Selmer T&B 212 + Stanley 212
www.black-audio.net
www.black-audio.net
Re: Stavba-Fender champ
na tubetownu je i originalni trafo na champaMrB14ck píše:nechtel sem vytvaret novy tema tak to hazu sem
zacal sem makat na stavbe tohohle prcka a chtel sem do nej dat kvalitni vystupak hammond (z tubetown asi 30eur)
zarazilo mne ale za na vystupu je na trafu impedance 3,2ohm
viz odkaz: http://www.tube-town.net/ttstore/produc ... 22905.html
nevite kde by se dalo sehnat trafo co ma na vystupu 8ohm??
Re: Stavba-Fender champ
trafka uz mam obednany na zakazku motany 
JJ Gtrs "Yamaha SG-40 replica", Aria Diamond 1803T, Zenon Audition->TC Polytune mini->Super Electric MK1.5->Boss DC3->Ibanez SC10->Ibanez DE7->Yamaha MagicStomp->Acoustic 450->Selmer T&B 212 + Stanley 212
www.black-audio.net
www.black-audio.net
Re: Stavba-Fender champ
Zdrvavím, nevíte prosimvás někdo kde sehnat basovej čudlik na menší Fender kombo? jeho číslo je 30C250K. ptal jsem se v pár elektrech a nikde nic...
předem dík
Re: Stavba-Fender champ
myslim ze na zakazku delany trafa vyjdou levnejc ptal jsem se na ne v TBP Blatna a bylo mi receno ze 5W vystupni trafo by stalo 390kc a hlavne v ruce to nenamotas tak silne aby to nedrncelo
-
mmjuz
- Odborník
- Příspěvky: 2236
- Registrován: 23.03.2009 11:17
- Bydliště: Brněnsko
- Kontaktovat uživatele:
Re: Stavba-Fender champ
To vlastní navinutí nebývá až zas takový problém, ač není nad špičkové navíjecí automaty. Problémy jsou úplně jinde. Ty snad máš originální předpis na toho konkrétního Champa, kterého budeš stavět? Nebo si snad myslíš, že v Blatné ho mají? A z čeho Ti to udělaj? Jaké plechy použijí? Co kostřička, proklady? Jak řeší vakuovou impregnaci? V Blatné Ti sice za tři stovky cosi nějak navinou a ono to bude jaksi i hrát, ale do Champa to bude mít hodně daleko.
Re: Stavba-Fender champ
nebude to sice presne ale rozhodne lepsi nez navijet rukou, zaprve je to opruz, a zadruhy se to vsechno rozvibruje a rozkmita.
-
mmjuz
- Odborník
- Příspěvky: 2236
- Registrován: 23.03.2009 11:17
- Bydliště: Brněnsko
- Kontaktovat uživatele:
Re: Stavba-Fender champ
Co to pořád meleš o navíjení rukou? Vůbec Ti nerozumím. Co se rozvibruje a rozkmitá? Já se Ti jen snažím vysvětlit, že je lepší si pořídit kvalitní výstupák od renomované firmy ( Dagnall, Mercury Magnetics, Hammond... ) než si objednávat nějakou šílenost navinutou na plechách určených pro oddělováky pochybné kvality, podle kdovíjakého předpisu za 300,- v Blatné. Podobný šmejd koupíš třeba v GESu od polské firmy Indel. To už bych se raději přiklonil k použití výstupáku z nějaké solidní spotřební elektroniky 50., 60. let někde z vrakoviště, či bazaru. Uvědom si, že výstupák je nejdůležitější ( a nejdražší ) komponent v lampovém zesilovači, který má stěžejní vliv na zvuk. Když tohle ošidíš, tak Ti to nebude hrát nijak zajímavě ani kdyby ses possral.
Re: Stavba-Fender champ
Zajimalo by me jestli uz tady nekdo neco dostavel, z tech co tu psali. Jak to dopadlo?
BaCH PL-03MJBS, Washburn RX22F, Roland Cube 40xl , 15x a Micro Cube 2W, Ensoniq KS-32
Re: Stavba-Fender champ
ja sem se nakonec na stavbu vykaslal a koupil sem od mmjuze 4W Fender-like aparát jeho výroby.
musim rict ze takhle profesionalne bych to urcite neudelal - navic to hraje jako vino...
musim rict ze takhle profesionalne bych to urcite neudelal - navic to hraje jako vino...
JJ Gtrs "Yamaha SG-40 replica", Aria Diamond 1803T, Zenon Audition->TC Polytune mini->Super Electric MK1.5->Boss DC3->Ibanez SC10->Ibanez DE7->Yamaha MagicStomp->Acoustic 450->Selmer T&B 212 + Stanley 212
www.black-audio.net
www.black-audio.net
Re: Stavba-Fender champ
Nemas nahodou schema toho ampu od mmujze (ppr mmjuzi, pokud to budes cist, muzes ho sem hodit/mi ho poslat)? Tipuju ze to bude neco jako 1x el84 + 1-2 12ax7. Chtel bych si tedka postavit neco ve stylu fender-vox. Diky
Bach LP (SD SH-1 59'/SD SH-4)
Maxon OD808 kopie
Digitech RP-55
Mmjuz mrňůz 4W, JCM800 kopie
Mesa Boogie 1x12 w/ MC90
Maxon OD808 kopie
Digitech RP-55
Mmjuz mrňůz 4W, JCM800 kopie
Mesa Boogie 1x12 w/ MC90
Re: Stavba-Fender champ
je to 1xECC83, 1x EZ80 1xEL84 - má to jenom volume a tone ale hraje to fakt nádherně - schéma mám ale kdyžtak napiš mmjuzovi - nechci ho šířit bez souhlasu...Lukus píše:Nemas nahodou schema toho ampu od mmujze (ppr mmjuzi, pokud to budes cist, muzes ho sem hodit/mi ho poslat)? Tipuju ze to bude neco jako 1x el84 + 1-2 12ax7. Chtel bych si tedka postavit neco ve stylu fender-vox. Diky
JJ Gtrs "Yamaha SG-40 replica", Aria Diamond 1803T, Zenon Audition->TC Polytune mini->Super Electric MK1.5->Boss DC3->Ibanez SC10->Ibanez DE7->Yamaha MagicStomp->Acoustic 450->Selmer T&B 212 + Stanley 212
www.black-audio.net
www.black-audio.net
-
mmjuz
- Odborník
- Příspěvky: 2236
- Registrován: 23.03.2009 11:17
- Bydliště: Brněnsko
- Kontaktovat uživatele:
Re: Stavba-Fender champ
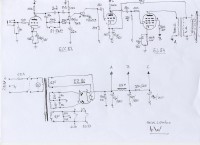
Snad to bude čitelné. Tlumivku s indukčností pouhých 0,5H jsem použil, páč jsem zrovna jinou neměl. Čím větší indukčnost použiješ, tím lépe. Ta tlumajzna je tam důležitá ( ač v originále Champ nemá žádnou ) aby se šetřila životnost té usměrňovačky EZ80 ( klidně dej EZ81, ta se snadněji shání, je o něco výkonější. Jiný rozdíl tam není ). Je to takový fenderoepiphonevox hibrid. Hodně záleží také na repru. Přeju hodně štěstí, budeš-li cokoli potřebovat, ozvi se.
Re: Stavba-Fender champ
Díky moc, myslim ze do toho pujdu. Repro mam levnejsiho celestiona, coz neni pro tohle uplne to prave, ale snad to bude za neco stat. Tedla sem si vsiml ze uplne nahore je urizla hodnota zpetnovazebniho odporu, tak jestli bys ji mohl napsat. Jeste bych se rad zeptal na jakych napetich to provozujes a jaky vystupak si do toho pouzil, ze to tak pekne hraje. Diky
Bach LP (SD SH-1 59'/SD SH-4)
Maxon OD808 kopie
Digitech RP-55
Mmjuz mrňůz 4W, JCM800 kopie
Mesa Boogie 1x12 w/ MC90
Maxon OD808 kopie
Digitech RP-55
Mmjuz mrňůz 4W, JCM800 kopie
Mesa Boogie 1x12 w/ MC90
-
mmjuz
- Odborník
- Příspěvky: 2236
- Registrován: 23.03.2009 11:17
- Bydliště: Brněnsko
- Kontaktovat uživatele:
Re: Stavba-Fender champ
Odpor ve ZV je 22k, ale můžeš trochu zaimprovizovat. Napětí na trafu je popsané, kolik bylo přesně na anodách už nevím, ale dá se to odhadnout. Výstupák... To byl boj. Nakonec jsem ho vyměnil přes jedno bastlířské fórum s takovým lampovým hifistou z Prešova. Pochází z nějaké ruské TV, on z nich dělá snad hifi zesilovače, dal jsem za něj asi 10ks E88CC, plus poštovné do Prešova, tak nevyšel zrovna úplně levně, ale osvědčil se. Ještě jsou výborné a vyzkoušené výstupáky z NDR rádia Juvel. Tesly jsem nikdy nezkoušel, nějak mě moc nelákaly.
Re: Stavba-Fender champ
Takze jsem tedy dostal k stavbe a temer postavil mmjuzova mrnuza, chybi jen par dopajet par soucastek a zkontrolovat. Jen bych se chtel mmjuze zeptat, jestli by 3ti nozka volume potu nemela jit na zem. Diky, pozdeji pridam fota.
Bach LP (SD SH-1 59'/SD SH-4)
Maxon OD808 kopie
Digitech RP-55
Mmjuz mrňůz 4W, JCM800 kopie
Mesa Boogie 1x12 w/ MC90
Maxon OD808 kopie
Digitech RP-55
Mmjuz mrňůz 4W, JCM800 kopie
Mesa Boogie 1x12 w/ MC90
Re: Stavba-Fender champ
Tak zesak je hotovy, 3ti nozka volume potu teda patri uzemnit. Hraje to fakt suprove, akorat byl problem ze se k zahranemu tomu pridavalo takove vrceni, ukazalo se ze to bylo elektronkou, po vymene vse v poho.
Doporucuju a pridavam par fotek, diky mmjuzovi za schema.
Doporucuju a pridavam par fotek, diky mmjuzovi za schema.
Bach LP (SD SH-1 59'/SD SH-4)
Maxon OD808 kopie
Digitech RP-55
Mmjuz mrňůz 4W, JCM800 kopie
Mesa Boogie 1x12 w/ MC90
Maxon OD808 kopie
Digitech RP-55
Mmjuz mrňůz 4W, JCM800 kopie
Mesa Boogie 1x12 w/ MC90
- Stanley06
- Rádce
- Příspěvky: 1925
- Registrován: 8.09.2008 20:42
- Bydliště: Nalžovské Hory, Plzeň
- Kontaktovat uživatele:
Re: Stavba-Fender champ
pěkná práce
v jednoduchosti je síla 
St.Anley Tube Amps
stavba a úpravy elektronkových zesilovačů
FB profil - Poslední model - Krank Lead Rack - Video demo
stavba a úpravy elektronkových zesilovačů
FB profil - Poslední model - Krank Lead Rack - Video demo
-
mmjuz
- Odborník
- Příspěvky: 2236
- Registrován: 23.03.2009 11:17
- Bydliště: Brněnsko
- Kontaktovat uživatele:
Re: Stavba-Fender champ
Jasně, konec dráhy potu patří na zem. Omlouvám se, nějak jsem to nedokreslil.Lukus píše:Takze jsem tedy dostal k stavbe a temer postavil mmjuzova mrnuza, chybi jen par dopajet par soucastek a zkontrolovat. Jen bych se chtel mmjuze zeptat, jestli by 3ti nozka volume potu nemela jit na zem. Diky, pozdeji pridam fota.
Máš to opravdu pečlivě prodrátované, to se zas tak často nevídá. Jsi šikula.
Re: Stavba-Fender champ
Dikes , delal jsem telekomunikacni stredni, tam nas 4 roky ucili pocitacou a telekomukacni kabelaz a hlavne zapojovani ustreden, takze mam tohle dratovani nacvicene
.
Ted jsem to promeroval a trosku se mi pohly napeti, odhaduju ze si to jel tak pri 290/285/200, sedi to tak priblizne?
Ted jsem to promeroval a trosku se mi pohly napeti, odhaduju ze si to jel tak pri 290/285/200, sedi to tak priblizne?
Bach LP (SD SH-1 59'/SD SH-4)
Maxon OD808 kopie
Digitech RP-55
Mmjuz mrňůz 4W, JCM800 kopie
Mesa Boogie 1x12 w/ MC90
Maxon OD808 kopie
Digitech RP-55
Mmjuz mrňůz 4W, JCM800 kopie
Mesa Boogie 1x12 w/ MC90