Stavba Fuzz Face

Stavba a úpravy efektů, footswitchů a dalších zařízení
Odpovědět
Uživatelský avatar
torst
Příspěvky: 7195
Registrován: 26.01.2010 14:19

Re: Stavba Fuzz Face

Příspěvek od torst »

to už je dávno. Byl to nějakej dist s operákem, ale hrál hodně zajímavě. Dal jsem ho kámošovi, ať ho opraví a on ho časem ztratil. :-/ Teď už dávám na napájecí zdířku diodu proti přepólování.
Já se domnívám, že revoluce je zvrat k lepšímu. Kontrarevoliuce je síla, která tomuto zvratu brání. Kontrarevoluce se drží u moci zuby nehty. Ti starší už pouze nehty. (Zdeněk Svěrák, 1989)
Uživatelský avatar
Trevor
Odborník
Příspěvky: 1746
Registrován: 18.04.2011 16:32

Re: Stavba Fuzz Face

Příspěvek od Trevor »

nj, kdo z nás to neudělal, klidně i několikrát, ve spěchu, jen to rychle vyzkoušet a ty serepetičky kolem se doplní pak.... : )
Provádím základní měření elektronek a drobné opravy a úpravy elektronkových aparátů a věcí kolem hraní. Vše je na domluvě - Severní Čechy
Dotazy prosím do SZ
Uživatelský avatar
MrB14ck
Příspěvky: 1569
Registrován: 26.08.2008 16:59
Bydliště: Plzeň

Re: Stavba Fuzz Face

Příspěvek od MrB14ck »

torst píše: 6.08.2019 7:55 simiruz: Ani když připojíš napájení s opačnou polaritou? To je moje noční můra. Kdysi jsem takhle zrušil stavěnej dist. Dodnes brečim !
já ty diody radši už vůbec nedávám (tedy pokud je někdo vyloženě nechce...)
několikrát se mi stalo že mi lidi vrátili efekt s doslova propáleným nevratně poškozeným PCB jak dioda "zahořela". Když máte kvalitní dostatečně tvrdý zdroj, tak dokáže do tohoto téměř zkratu co přepólováním vznikne dodávat poměrně dlouho proud, který se přemění v teplo a zbytek už známe...

k nahrazení germaniových diod pn přechodem tranzistoru - u MKIII tonebenderu je to běžná praxe - dokonce se to tak dělalo jednu dobu i továrně - dovolovalo jim to zužitkovat pro zesilovací stupně nevhodné tranzistory s nízkým zesílením nebo velkým unikajícím proudem které by jinak museli vyhodit...
JJ Gtrs "Yamaha SG-40 replica", Aria Diamond 1803T, Zenon Audition->TC Polytune mini->Super Electric MK1.5->Boss DC3->Ibanez SC10->Ibanez DE7->Yamaha MagicStomp->Acoustic 450->Selmer T&B 212 + Stanley 212
www.black-audio.net
Pikus
Příspěvky: 1688
Registrován: 2.12.2008 17:48

Re: Stavba Fuzz Face

Příspěvek od Pikus »

Hoši... a o vratný polovodičový pojistce (často označované jako polyswitch) jste slyšeli? Dioda + polyswitch je otázka cca 5 Kč. No a za ten klid od podobných problémů to stojí... :roll:
Uživatelský avatar
torst
Příspěvky: 7195
Registrován: 26.01.2010 14:19

Re: Stavba Fuzz Face

Příspěvek od torst »

Pikus: Neslyšel, klidně popiš, dík předem, jsem samouk. Kombinuje se s tou ochrannou diodou?
MrB14ck: Jakože ta dioda na DC in tě 100% nechrání? Myslel jsem, že pokud má dostatečnou hodnotu, je to neprůstřelné. Znalosti z fyziky na ZDŠ ... :-G
Já se domnívám, že revoluce je zvrat k lepšímu. Kontrarevoliuce je síla, která tomuto zvratu brání. Kontrarevoluce se drží u moci zuby nehty. Ti starší už pouze nehty. (Zdeněk Svěrák, 1989)
Uživatelský avatar
jurator
Příspěvky: 287
Registrován: 14.01.2016 13:29
Bydliště: CZ

Re: Stavba Fuzz Face

Příspěvek od jurator »

Vratná pojistka = polyswitch. Dimenzovat na 1,5 násobek maximálního proudu, THT jsou lepší než SMD.
Místo diody je pro větší výkony lepší použít transil s uni charakteristikou, lepší v SMD jak v THT

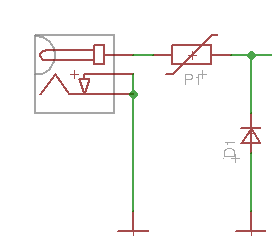
:!: :!: :!: Na obrázku je zapojení pro GND na plášti a + na kolíku (uvnitř) konektoru :!: :!: :!:
Input-Protection.png
Input-Protection.png (2.41 KiB) Zobrazeno 4304 x
Dioda na DC in - chrání vůči přepólování, záleží ale taky jak je zapojená - pokud v sérii se vstupem napájení, tak je při přepólování vstupu v závěrném směru vůči napájení a neteče jí žádný proud. Pokud paralelně, jak je na obr výše, tak jí při přepólování teče max. proud zdroje.
Polyswitch je v zapojení navíc, průchodem proudu se ohřeje, tím zvýší svůj odpor a sníží max. proud.
Naposledy upravil(a) jurator dne 24.09.2019 13:48, celkem upraveno 1 x.
Uživatelský avatar
torst
Příspěvky: 7195
Registrován: 26.01.2010 14:19

Re: Stavba Fuzz Face

Příspěvek od torst »

Tak to je na mě asi složitý. Tu diodu mám samozřejmě sériově. Tedy + konektoru....dioda....efekt (Fuzz).
Paralelní zapojení by mě ani nenapadlo. Resp. až teď tomu rozumím - v případě opačné polarity by průchod šťávy diodou způsobil zkrat hned na vstupu. No nevím, nepřijde mi to šťastné.
Já se domnívám, že revoluce je zvrat k lepšímu. Kontrarevoliuce je síla, která tomuto zvratu brání. Kontrarevoluce se drží u moci zuby nehty. Ti starší už pouze nehty. (Zdeněk Svěrák, 1989)
kmensik
Rádce
Příspěvky: 3052
Registrován: 29.05.2008 8:00
Bydliště: Brno

Re: Stavba Fuzz Face

Příspěvek od kmensik »

Dřív se místo polyswitche dával odpor cca 100-180Ohm, aby se zkratem nic tolik nehřálo. Dal by se použít i ochranný odpor v řádu 1-5 Ohm jako v malých spínaných zdrojích, ten by se přepálil jako pojistka.
Uživatelský avatar
jurator
Příspěvky: 287
Registrován: 14.01.2016 13:29
Bydliště: CZ

Re: Stavba Fuzz Face

Příspěvek od jurator »

Aby se zkratem tolik nic nehřálo... Krom samotného 100R, který taky při 9V začoudí a vezne sebou i kousek DPSky.

torst: Dvě součástky za pár Kč se ti zdají složité? Tak určitě složitější než jedna :-D Toto řešení má nespornou výhodu - na tom polyswitchi je zanedbatelný úbytek napětí. Oproti napájení přes sériovou diodu, která ti napájení stáhne o 0,65V a sériový rezistor může ještě o víc. Většina efektů tam nemá nic vzhledem k těm pár korunám, o které se to zdraží.
Někde se řešilo napájení efektů 10V namísto 9V. Je docela výhoda mít v napájení rezervu. Můžeš tak mít větší rozkmit signálu a taky se většina operáků chová líp s vyšším napájením v rámci povolených hodnot.
Uživatelský avatar
torst
Příspěvky: 7195
Registrován: 26.01.2010 14:19

Re: Stavba Fuzz Face

Příspěvek od torst »

o polyswitchi jsem ještě neslyšel, budu muset popátrat. Ale jsou to zajímavé informace, díky za ně.
Nevěděl jsem, že dioda něco žere, odpor ano. Ale o diodě nám na ZDŠ neříkali.
Já se domnívám, že revoluce je zvrat k lepšímu. Kontrarevoliuce je síla, která tomuto zvratu brání. Kontrarevoluce se drží u moci zuby nehty. Ti starší už pouze nehty. (Zdeněk Svěrák, 1989)
Pikus
Příspěvky: 1688
Registrován: 2.12.2008 17:48

Re: Stavba Fuzz Face

Příspěvek od Pikus »

Aby se dioda otevřela, tzn. vedla proud, potřebuje mezi anodou a katodou mít tzv. prahové napětí. Prahové napětí je totiž napětí, které dokáže diodu "otevřít". Do té doby prakticky nevede. A právě tohle prahové napětí se na ní projevuje jako úbytek napětí (podobně jako třeba na tebou zmíněném odporu).

Prahové napětí se pohybuje v řádu několika desetin voltů (např. schottkyho diody) až po jednotky voltů (výkonové diody). V angličtině se označuje jako forward voltage. Jeho velikost je dána metariály, ze kterých je dioda vyrobena. Např. taková běžná dioda 1N4007 má prahové napětí okolo 1 V, takže pokud ji dáš do série s napájením efektu, je to, jako kdybys efekt napájel zdroje 8 V místo 9 V.

Proto se dělá finta, kdy se dá dioda paralelně ke vstupu napájení (tedy mezi plus a minus). Problémem je, že je třeba mít lepší zdroj s proudovou ochranou nebo v efektu zaintegrovat např. odpor nebo mnou zmíněný polyswitch (viz obrázek od jurator). Pak je ta ochrana blbuvzodná snad ažaž :D.
Uživatelský avatar
torst
Příspěvky: 7195
Registrován: 26.01.2010 14:19

Re: Stavba Fuzz Face

Příspěvek od torst »

člověk si myslí - pohádky ovčí babičky. Tak jsem vzal měřák a zapojil jeden efekt. Před diodou 9,04, za ní 8,5V. Fakt to funguje :-(
Já se domnívám, že revoluce je zvrat k lepšímu. Kontrarevoliuce je síla, která tomuto zvratu brání. Kontrarevoluce se drží u moci zuby nehty. Ti starší už pouze nehty. (Zdeněk Svěrák, 1989)
Uživatelský avatar
jurator
Příspěvky: 287
Registrován: 14.01.2016 13:29
Bydliště: CZ

Re: Stavba Fuzz Face

Příspěvek od jurator »

Osobní zkušenost k nezaplacení. Je to základní vlastnost každého PN přechodu, což je krom diody i každá LED a přechod báze-emitor u tranzistorů, a nebo dokonce i přechod kov-polovodič typu N v případě schottkyho diod.
V datasheetu diody můžeš mrknout na parametr Vf = forward voltage drop = napětí na diodě v propustném směru. Tam taky zjistíš, že Vf je závislé na proudu, který diodou teče. Změřil jsi úbytek na diodě 0,54V, protože jsi to měřil na efektu, který skoro nic nežere, při odběru 1A by jsi naměřil až ten 1V.
Multimetr, který umí měřit diody, zobrazuje napětí v propustném směru v mV při velmi malém proudu ~mA.
Uživatelský avatar
Trevor
Odborník
Příspěvky: 1746
Registrován: 18.04.2011 16:32

Re: Stavba Fuzz Face

Příspěvek od Trevor »

no torste a to si vem, že když někde teče proud, tak tam je vždy nějaký úbytek napětí, ať je to dioda, nebo odpor, tranzistor, on je to takový základní princip funkce těhle různých efektů a zesilovačů a táák vůbec : )

proto jsem tě onehdy nutil měřit napětí na rezistoru, abychom se dozvěděli, jaký proud tam teče..
Provádím základní měření elektronek a drobné opravy a úpravy elektronkových aparátů a věcí kolem hraní. Vše je na domluvě - Severní Čechy
Dotazy prosím do SZ
Uživatelský avatar
torst
Příspěvky: 7195
Registrován: 26.01.2010 14:19

Re: Stavba Fuzz Face

Příspěvek od torst »

když to čtu, tak nejjednodušší řešení (pro nás lenochy) - adaptér 10-12V.
Já se domnívám, že revoluce je zvrat k lepšímu. Kontrarevoliuce je síla, která tomuto zvratu brání. Kontrarevoluce se drží u moci zuby nehty. Ti starší už pouze nehty. (Zdeněk Svěrák, 1989)
Uživatelský avatar
torst
Příspěvky: 7195
Registrován: 26.01.2010 14:19

Re: Stavba Fuzz Face

Příspěvek od torst »

na bazáči jsou AC128 za přiměřenou cenu.
Já se domnívám, že revoluce je zvrat k lepšímu. Kontrarevoliuce je síla, která tomuto zvratu brání. Kontrarevoluce se drží u moci zuby nehty. Ti starší už pouze nehty. (Zdeněk Svěrák, 1989)
noc33
Příspěvky: 543
Registrován: 2.05.2007 20:33
Bydliště: Pardubice

Re: Stavba Fuzz Face

Příspěvek od noc33 »

To prodávám já a už to koupil Trevor, do fuzzface moc vhodné nejsou, viz inzerát.
Uživatelský avatar
torst
Příspěvky: 7195
Registrován: 26.01.2010 14:19

Re: Stavba Fuzz Face

Příspěvek od torst »

tak hlavně že přišli do dobrých rukou!
AC128 nejsou vhodné pro Fuzzface?
Sice jsem 3 zbastlil, ale stále se považuju za diletanta, takže tím předesílám svou oponenturu. Ale myslel jsem, že 128 jsou echt základ původní verze :
https://fuzzcentral.ssguitar.com/fuzzface.php
(ano, vidím varování před současnou reedicí 128).
Naposledy upravil(a) torst dne 6.11.2019 16:36, celkem upraveno 1 x.
Já se domnívám, že revoluce je zvrat k lepšímu. Kontrarevoliuce je síla, která tomuto zvratu brání. Kontrarevoluce se drží u moci zuby nehty. Ti starší už pouze nehty. (Zdeněk Svěrák, 1989)
Uživatelský avatar
Trevor
Odborník
Příspěvky: 1746
Registrován: 18.04.2011 16:32

Re: Stavba Fuzz Face

Příspěvek od Trevor »

Torstoviči, oni jsou vhodné, ale jde o to jaký mají zesilovací činitel, tyhle jsou "slabší" a do ff se nehodí, hodí se ale zas do jiných efektů na určité pozice !
viz poznamka o hfe
Provádím základní měření elektronek a drobné opravy a úpravy elektronkových aparátů a věcí kolem hraní. Vše je na domluvě - Severní Čechy
Dotazy prosím do SZ
Uživatelský avatar
torst
Příspěvky: 7195
Registrován: 26.01.2010 14:19

Re: Stavba Fuzz Face

Příspěvek od torst »

jojo, určitě se to už řešilo. O správném spárování obou 128 samozřejmě vím. U sebe jsem to dělal jen sluchem, teorii moc neovládám. Ta moje hromádka nakonec byla cca 20% : 80% na jednu a na druhou pozici.
Já se domnívám, že revoluce je zvrat k lepšímu. Kontrarevoliuce je síla, která tomuto zvratu brání. Kontrarevoluce se drží u moci zuby nehty. Ti starší už pouze nehty. (Zdeněk Svěrák, 1989)
Odpovědět

Zpět na „Ostatní“