Stavba komba
Re: Stavba komba
aha no
tak jsem našel že max proud je 5A! IO Output Peak Current (internally limited) 5 A http://www.datasheetcatalog.com/datashe ... 2050.shtml takže to nevyhladim ani těma stabíkama?
Re: Stavba komba
ten cas je presne jak pise Stanley - cas pul periody u mustkoveho usmernovace nebo dvoufazoveho usmernovace, takze .01 sec
napeti je ten ripple -> to znamena 5% * 18V nebo kolik tam mas.
EDIT: stabilizator je neco jako limiter -> ty do nej poustis rekneme zvlnenych 25V, kde to zvlneni ti dela treba i 20% napeti (ale neklesne pod rekneme 18V). No a stabilizator ti ty spicky urizne a na vystupu bys mel mit 18V (u 18V stabilizatoru) - jednoduse receno
EDIT2: 5A Ti neda ten tvuj trafac, co tam mas. A taky pri takovem odberu by se ti ze stabilizatoru jenom zakourilo
napeti je ten ripple -> to znamena 5% * 18V nebo kolik tam mas.
EDIT: stabilizator je neco jako limiter -> ty do nej poustis rekneme zvlnenych 25V, kde to zvlneni ti dela treba i 20% napeti (ale neklesne pod rekneme 18V). No a stabilizator ti ty spicky urizne a na vystupu bys mel mit 18V (u 18V stabilizatoru) - jednoduse receno
EDIT2: 5A Ti neda ten tvuj trafac, co tam mas. A taky pri takovem odberu by se ti ze stabilizatoru jenom zakourilo
Re: Stavba komba
Pánové nepletete náhodou hrušky s jabkama? 5A je maximální špičkový výstup operáku, ale ne jeho odběr. Kdyby bral při 18V 5 ampér tak by žral 90W což je na nějakých 30W trochu moc. Ten konec si sosne maximálně nějakých 1,5 ampéru z každé větve.
S tím zdrojem: pokud tam vrazí 2200 Mikro na alespoň 35 V tak tam toho brumu moc nebude. Jen pro forma bych vedle něj vrazil keramiku 100n a bude to v klidu. Dřív se stabilizovaný zdroje moc nepoužívaly a nemám pocit, že by třeba teslácký gramogádia hrály nějak špatně...
S tím zdrojem: pokud tam vrazí 2200 Mikro na alespoň 35 V tak tam toho brumu moc nebude. Jen pro forma bych vedle něj vrazil keramiku 100n a bude to v klidu. Dřív se stabilizovaný zdroje moc nepoužívaly a nemám pocit, že by třeba teslácký gramogádia hrály nějak špatně...
Naposledy upravil(a) jastud dne 28.05.2011 14:25, celkem upraveno 1 x.
Při tanci nesmiju byt žadne prostoje
a hrať se musi aji na levne nastroje.
a hrať se musi aji na levne nastroje.
Re: Stavba komba
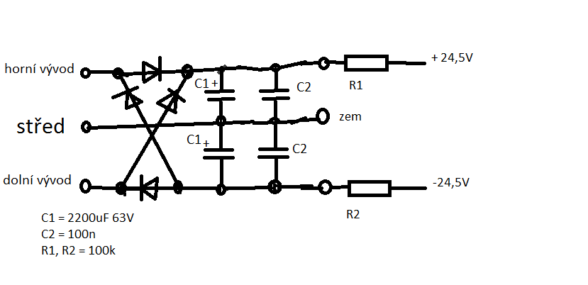
mám tam 2200uF na 63V a za ním 100n keramiky, vychází mi z toho asi 26,8V tak jsem dal do série na + i na - rezistor 100k a za nimi je 24,5V takýe by to tda už mělo vydržet že jo? myslíte že to můžu skusit zapojit?jastud píše:Pánové nepletete náhodou hrušky s jabkama? 5A je maximální špičkový výstup operáku, ale ne jeho odběr. Kdyby bral při 18V ampér tak by žral 90W což je na nějakých 30W trochu moc. Ten konec si sosne maximálně nějakých 1,5 ampéru z každé větve.
S tím zdrojem: pokud tam vrazí 2200 Mikro na alespoň 35 V tak tam toho brumu moc nebude. Jen pro forma bych vedle něj vrazil keramiku 100n a bude to v klidu. Dřív se stabilizovaný zdroje moc nepoužívaly a nemám pocit, že by třeba teslácký gramogádia hrály nějak špatně...
Re: Stavba komba
Jak do serie? Ty odpory?
Při tanci nesmiju byt žadne prostoje
a hrať se musi aji na levne nastroje.
a hrať se musi aji na levne nastroje.
Re: Stavba komba
jj ty odpory jsem dal za ten zdroj jeden na + a druhej na -
- Rocky_MK
- Příspěvky: 1202
- Registrován: 2.11.2010 20:55
- Bandzone: www.bandzone.cz/danielandthemoravians
- Kontaktovat uživatele:
Re: Stavba komba
řekl bych,že ty odrušovací kondy 100n mají být před těmi vyhlazovacími. Jinak v pořádku.syneda píše:mám to takhle
Re: Stavba komba
takže to můžu skusit? neviletí mi zase něco do luftu?
- Rocky_MK
- Příspěvky: 1202
- Registrován: 2.11.2010 20:55
- Bandzone: www.bandzone.cz/danielandthemoravians
- Kontaktovat uživatele:
Re: Stavba komba
Pokud si tam dal 3A diody,pak je to v pohodě.Ale takto by ti to podle mě mohlo pískat,proto se ty odrušovací kondy dávají PŘED vyhlazovací.Ale to ti spíš potvrdí znalejší a zkušenější.syneda píše:takže to můžu skusit? neviletí mi zase něco do luftu?
Každopádně,pokud to předěláš,jak jsem říkal,tak nic nezkazíš a máš jistotu
Re: Stavba komba
ok a ty rezistory s tim nic neudělaj? a nemam tam diody mam tam normálně můstek na 6A
Re: Stavba komba
1) Rocky nemel blbiny. Když jsou ty keramiky těsně vedle elytu tak je uplně škopek jestli jsou těsně pořed něma nebo těsně za něma.
2) Synedo ty odpory ti poradil takhle zapojit kdo? To, že ti omezí proud v každé větvi na čtvrt miliampéru ti nevadí?
3)Jak máš pořešených těch 9V pro předzesilovač?
2) Synedo ty odpory ti poradil takhle zapojit kdo? To, že ti omezí proud v každé větvi na čtvrt miliampéru ti nevadí?
3)Jak máš pořešených těch 9V pro předzesilovač?
Při tanci nesmiju byt žadne prostoje
a hrať se musi aji na levne nastroje.
a hrať se musi aji na levne nastroje.
Re: Stavba komba
zkusil jsem to zapojit a nehralo to tak jsem to dal pryč, chvíli to vrnělo a pak to odnesl kondenzátor, byl jen na 25V naštěstí to neodneslo to TDA, myslel jsem že při zatížení to napětí klesne když mi to tu někdo psal, ale asi o moc ne2) Synedo ty odpory ti poradil takhle zapojit kdo? To, že ti omezí proud v každé větvi na čtvrt miliampéru ti nevadí?
mam z tý kladný větve vyvedenej vodič a mam na něm stabilizátor na 9V + dva 100n kondy3)Jak máš pořešených těch 9V pro předzesilovač?
Re: Stavba komba
těma odporama to nezatížíš. akorát omezíš proud do koncáku. To ani hrát nemohlo...syneda píše: zkusil jsem to zapojit a nehralo to tak jsem to dal pryč, chvíli to vrnělo a pak to odnesl kondenzátor, byl jen na 25V naštěstí to neodneslo to TDA, myslel jsem že při zatížení to napětí klesne když mi to tu někdo psal, ale asi o moc ne
Při tanci nesmiju byt žadne prostoje
a hrať se musi aji na levne nastroje.
a hrať se musi aji na levne nastroje.
- Rocky_MK
- Příspěvky: 1202
- Registrován: 2.11.2010 20:55
- Bandzone: www.bandzone.cz/danielandthemoravians
- Kontaktovat uživatele:
Re: Stavba komba
no dobře,dyk říkám,že mu to líp řekne nekdo zkušenějšíjastud píše:1) Rocky nemel blbiny. Když jsou ty keramiky těsně vedle elytu tak je uplně škopek jestli jsou těsně pořed něma nebo těsně za něma.
Synedo ty vole...proboha uvědomuješ si,kolik zbytečných chyb děláš ? To sis nevšiml,že jsou jen na 25V ? Jak vás to učili dimenzovat ? Snad je každému jasné,že musíš mít rezervu ve jmen. napětí,ne ?
Jinak s tou odbočkou...víš jistě,že tam na stabík můžeš poslat 25V ? Já jen,at ho zas neodpálíš.Hlavně dej na ten stabík pořádný chladič...a nezapomeň ho od něho izolovat,pokud na něj chceš ještě něco přidělávat...
Zkus se trochu soustředit a přemýšlet u toho.Ušetříš si práci,energii,motivaci,nervy,peníze, apod ...
nebo už lidi začnou uzavírat sázky,jestli to do půl roku rozehraješ,nebo ne
Re: Stavba komba
nás právě za celej rok co chodim na tu školu moc proktickejch veci neucili, ucili nas kirhofovy zakony a podobny sracky, na praxi jsme meli silnoproud, pneumatiku, zamecnicinu a slaboproud jeste ne, a ja jsem vedel ze ty kondy jsou na 25V akorat jsem na to v tom zapalu zapomel, kontroloval jsem spis to TDA a zdroj chladiče mam 2 jeden pro ten stabik a druhej pro TDA oba mam izolovaný a ktěm sázkám já bych se vsadil že to budu mít do tejdne hotový

Re: Stavba komba
a jak mám teda srazit to napětí na těch 25V ?
- Rocky_MK
- Příspěvky: 1202
- Registrován: 2.11.2010 20:55
- Bandzone: www.bandzone.cz/danielandthemoravians
- Kontaktovat uživatele:
Re: Stavba komba
to pak jo,my to s tou školou tak na h***o máme prakticky doteď,ale neco málo,co se mi hodilo,sme už naštěstí měli...no,když to do příští soboty rozehraješ ( a pošleš ukázku ! klidně aji nějakou nahranou mobilem,ale nahrávku !syneda píše:nás právě za celej rok co chodim na tu školu moc proktickejch veci neucili, ucili nas kirhofovy zakony a podobny sracky, na praxi jsme meli silnoproud, pneumatiku, zamecnicinu a slaboproud jeste ne, a ja jsem vedel ze ty kondy jsou na 25V akorat jsem na to v tom zapalu zapomel, kontroloval jsem spis to TDA a zdroj chladiče mam 2 jeden pro ten stabik a druhej pro TDA oba mam izolovaný a ktěm sázkám já bych se vsadil že to budu mít do tejdne hotový![]()
![]()
Re: Stavba komba
ok takže to tam budeš mít tak 3 dny 
Re: Stavba komba
Hoši nevymlouvejte se na školu, návody máte u huby do detailu popsaný. Jediná z těch bot co syneda nadělal neměla nic společnýho se školou.
K tomu snížení napětí: pokud máš nějaký diody na větší proudy (Aspoň na dva ampéry, raděj na 5A) tak dej vždycky dvě za sebe do série v propustným směru do každé napájecí větve, místo těch 100k odporů, který jsi tam bůhvi proč nacpal. Srazí ti to napětí o necelý dva volty. Ale nejlepší by byly ty stabíky 7918 a 7818...
K tomu snížení napětí: pokud máš nějaký diody na větší proudy (Aspoň na dva ampéry, raděj na 5A) tak dej vždycky dvě za sebe do série v propustným směru do každé napájecí větve, místo těch 100k odporů, který jsi tam bůhvi proč nacpal. Srazí ti to napětí o necelý dva volty. Ale nejlepší by byly ty stabíky 7918 a 7818...
Při tanci nesmiju byt žadne prostoje
a hrať se musi aji na levne nastroje.
a hrať se musi aji na levne nastroje.