BIAS
Pravidla fóra
Re: BIAS
S opravami jsem skončil, žádné další zakázky už nepřijímám. Když budete mít jakýkoliv smysluplný technický dotaz týkající se elektronek, zesilovačů a "krabiček", klidně mě kontaktujte e-mailem: z.hronek@protonmail.com Když budu znát odpověď, budu mít čas a chuť, rád Vám odpovím. Děkuji.
-
soulflytriber
- Příspěvky: 93
- Registrován: 14.07.2013 16:55
Re: BIAS
Zdravim všechny . Na netu jsem se dočetl, že maj Peavey 6505 hodně cold bias, proto jsem se ptal dříve na tu otázku jestli se dá měřit anodový napětí bez jedný lampy. Nicméně jsem si stejně počkal raději na sondu. Takže mohl započít test. Anodové napětí zesilovače se pohybovalo okolo 530 až 535 voltů (viz příloha kde to těsně před vyfocením skončilo na 534). Samotná bias sonda potom ukázala 12,1 mA. Takže když bych chtěl spočítat kolik to bude procent anodový ztráty mělo by se to počítat následovně: 534*12,1:30:1000=0,21539 což se tedy rovná 21,5% na kterých by teda zesilovač měl jet. Snad jsem to vypočítal správně a někomu to pomůže. Nejeden člověk koho znám takle koupil zesilovač s přidaným trimrem pro nastavování biasu, kde to bylo nahulený natolik, že zesilovač zněl jakoby přes něj byla hozená deka.
Oprava: Díky obrázkům a pozorným čtenářům si tady kluci dobře všimli, že jsem měl bias měřit v mV namísto mA, takže jsem to rovnou zde opravil, aby to někdo třeba nezkoušel aniž by se níž dočetl, že to bylo špatně. Anodové napětí tedy zůstává okolo 534 V, ale samotný bias mi sonda ukázala 26,4 mV(viz. příloha). Což teda znamená že příklad je následují 534*26,4:30:1000 = 0,46992 neboli 47% na který konec zesilovače jede.
Oprava: Díky obrázkům a pozorným čtenářům si tady kluci dobře všimli, že jsem měl bias měřit v mV namísto mA, takže jsem to rovnou zde opravil, aby to někdo třeba nezkoušel aniž by se níž dočetl, že to bylo špatně. Anodové napětí tedy zůstává okolo 534 V, ale samotný bias mi sonda ukázala 26,4 mV(viz. příloha). Což teda znamená že příklad je následují 534*26,4:30:1000 = 0,46992 neboli 47% na který konec zesilovače jede.
Naposledy upravil(a) soulflytriber dne 23.04.2015 10:47, celkem upraveno 2 x.
aparát: Peavey 6505
box: Harley Benton V30
box: Harley Benton V30
Re: BIAS
Počkej to je nějak málo ne ? To už ten konec musí běžet v Béčku nebo spíš vůbec . Co to máš za sondy ? Mezi katodou (8.pin) a zemí bude 1 Ohm odpor . Takže když chceš změřit proud tak musíš na multimetru nastavit napětí . Protože chceš zjistit úbytek napětí na tom odporu. napětí=proud . Podle toho co máš na fotce tak máš nastaveno měření proudu .
http://www.ax84.com/biascalc.html?Bvolt ... ction=calc
http://www.ax84.com/biascalc.html?Bvolt ... ction=calc
Dobří umělci kopírují ti nejlepší kradou. - Pablo Picasso


-
soulflytriber
- Příspěvky: 93
- Registrován: 14.07.2013 16:55
Re: BIAS
Bias sondy mám dvě kupovaný z ebaye. Jedna měří anodový napětí a druhá je ta klasická s odporem uvnitř, která je všude na videích (viz. tohle video https://www.youtube.com/watch?v=wuQnzM9Q-kk&app=desktop ) jinak jsem myslel že je to samý v čem se měří bias touhle sondou a mV se rovná mA. Borec z toho videa taky měří v mA
aparát: Peavey 6505
box: Harley Benton V30
box: Harley Benton V30
Re: BIAS
Jsem z Trutnova, Krkonoše. Je tady jedinej servis, kam bych už nikdy nic nedal. Dával jsem tam několikrát kombo Peavey 6505+, se kterým si nevěděli rady,tak to museli vzít do Brna. Zvládnul by to změřit někdo,kdo se vyzná v jemný elektronice?kmensik píše:Každopádně bych to dal aspoň někomu přeměřit. Odkud ráčí Thompson být?
Z hlavy se mi -35V zdá tak na EL34, 6L6 by to pěkně zahřálo, tam bych začal na -55V.
EDIT: Jinak jsem zvukem jsem maximálně spokojenej,nezdá se mi,že by se lampy nějak extra zahřejvaly. Přední panel nepálí. A zvuk to má pěknej,otevřenej. https://www.youtube.com/watch?v=nDQeE0RX2r4
Re: BIAS
Tak počkej ... Tu sondu na anodový napětí chápu a ta co měří Bias má nebo nemá v sobě odpor . Podle toho co píšeš tak nemá . Měříš to dobře .soulflytriber píše:Bias sondy mám dvě kupovaný z ebaye. Jedna měří anodový napětí a druhá je ta klasická s odporem uvnitř, která je všude na videích (viz. tohle video https://www.youtube.com/watch?v=wuQnzM9Q-kk&app=desktop ) jinak jsem myslel že je to samý v čem se měří bias touhle sondou a mV se rovná mA. Borec z toho videa taky měří v mA
No takle blbě bych se neptal ale když bys měřil sondou v který je odpor a měřák měl nastavenej jako ampérmetr tak ti to bude ukazovat kraviny protože se ti proud rozdělí mezi 1ohm odpor co je v sondě a bočník v ampérmetru .
Dobří umělci kopírují ti nejlepší kradou. - Pablo Picasso


Re: BIAS
soulfly: v tom videu říká, že má měřák v sérii (s katodou). Jinak kdyby tam byl ten 1Ohm odpor a měřák paralelně s ním, ukazovalo by ti to na mA hausnumera. Záleží na vnitřním odporu měřáku a káblů, skutečný proud by byl o dost větší. Core88 má slušný postřeh!
Tompson: Inteligentní elektrotechnik si o tom něco přečte a spolehlivě změří. Hlupák odmítne si to nastudovat. Osobně tam u vás nikoho neznám.
Guru: já mám na 6L6 předpětí -47V @ 430V B+, proud cca 20mA každá. To je pravda studenější AB třída, 28%.
Tompson: Inteligentní elektrotechnik si o tom něco přečte a spolehlivě změří. Hlupák odmítne si to nastudovat. Osobně tam u vás nikoho neznám.
Guru: já mám na 6L6 předpětí -47V @ 430V B+, proud cca 20mA každá. To je pravda studenější AB třída, 28%.
-
soulflytriber
- Příspěvky: 93
- Registrován: 14.07.2013 16:55
Re: BIAS
http://www.ebay.com/itm/201020842171 tady přesně tohle jsem si nechal poslat a tam na obrázku měří taky v mA, tak jsem se podle toho řídil. Jestli je to potom podle typu meřáku tak mám meřák DT-830B takže nevim
aparát: Peavey 6505
box: Harley Benton V30
box: Harley Benton V30
Re: BIAS
No nejistější bude změřit samotnou Bias sondu . Protože podle toho co je na eBay neni patrný co je to zač a návod k tomu nejspíš nebyl . Sondu připoj na COM a zdířku (V,mA,ohm) a zvol měření odporu .
Pokud tam naměříš 1ohm nebo 10 ohm .Tak pak bias měříš jako napětí (mV) , v případě 1ohmu nic nemusíš přepočítávat mV=mA ale když tam budeš mít 10ohm tak hodnotu na displayi budeš muset vynásobit 10.
V případě že tam naměříš nekonečnej odpor tak bias budeš měřit jako klasickej proud tj. v sérii v tvým případě to znamená otočit volič na mA . Jiný měřáky to maj tak že musíš ještě přepojit sondy do zdířky pro měření proudu.
Pokud tam naměříš 1ohm nebo 10 ohm .Tak pak bias měříš jako napětí (mV) , v případě 1ohmu nic nemusíš přepočítávat mV=mA ale když tam budeš mít 10ohm tak hodnotu na displayi budeš muset vynásobit 10.
V případě že tam naměříš nekonečnej odpor tak bias budeš měřit jako klasickej proud tj. v sérii v tvým případě to znamená otočit volič na mA . Jiný měřáky to maj tak že musíš ještě přepojit sondy do zdířky pro měření proudu.
Dobří umělci kopírují ti nejlepší kradou. - Pablo Picasso


-
soulflytriber
- Příspěvky: 93
- Registrován: 14.07.2013 16:55
Re: BIAS
Tak tam nakonec ten odpor je. Naměřil jsem 1,3 ohmů. Děkuju za postřeh a zkusim to změřit znova. Snad se zesilovač nějak nepoškodil, když jsem to měřil v mA
aparát: Peavey 6505
box: Harley Benton V30
box: Harley Benton V30
Re: BIAS
Nic se nemohlo stát. Teď by ti to mělo ukazovat třeba 18mV, čemuž na tom 1Ohm odporu odpovídá 18mV klidového proudu.
Ten rozdíl odporu v sondě 0,3Ohm bude odpor kabelů k měřáku, to je při měření mV úplně zanedbatelné.
Ten rozdíl odporu v sondě 0,3Ohm bude odpor kabelů k měřáku, to je při měření mV úplně zanedbatelné.
-
soulflytriber
- Příspěvky: 93
- Registrován: 14.07.2013 16:55
Re: BIAS
Děkuju za odpovědi. Včerejší příspěvek jsem opravil a hlavně i potvrdil to co tu dříve psal Tube Guru, že Peavey od výroby pouští do světa svoje zesilovače s biasem okolo 45%
aparát: Peavey 6505
box: Harley Benton V30
box: Harley Benton V30
Re: BIAS
Oživím vlákno:
Řeším tento problém s nastavením biasu při výměně koncových elektronek:
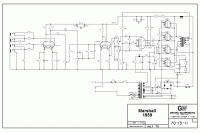
Mám kopii zesilovače Marshall Plexi Super Lead 50W. V konci dvě EL34. Zapojení je v přiloženém souboru (100W verze, zapijení obvodu pro bias je stejné). Koupil jsem za dlouhé peníze párovanou dvojic TAD EL34B-STR. Je na nich uvedena hodnota TC1095 a PC 30. Do katod koncových elektronek jsem zapájel snímací odpory 1ohm. Změřil jsem proud u stávajících elektronek a byl obvyklých 38mA. Pak jsem osadil novou dvojici, nechal nějakou dobu nažhavit a začal seřizovat bias. Napětí na anodách 445V. Odpory 1K v G2 jsou ok.
V jedné krajní poloze trimru protékal proud 4.6mA, napětí na mřížce 52V. V druhé krajní poloze byl proud 27mA, napětí 42V. Nemůžu tedy nastavit požadovaných 38mA.
1) Je možné, že by nové EL34 měli takové vlastnosti?
2) Je možné odpor 47k, zapojený v sérii s trimrem doplnit dalším paralelním odporem? Už jsem to na nějakém obrázku viděl. Pak by to snad mělo jít nastavit.
3) Jaká je rozumná minimální velikost předpětí mřížky, aby nedocházelo ke zkreslování už malých signálů?
4) Nemám zapojeny grid stopery 5k6. Mám je raději doplnit? Může to mít vliv na zvuk?
Prosím zkušené členy o radu.
Řeším tento problém s nastavením biasu při výměně koncových elektronek:
Mám kopii zesilovače Marshall Plexi Super Lead 50W. V konci dvě EL34. Zapojení je v přiloženém souboru (100W verze, zapijení obvodu pro bias je stejné). Koupil jsem za dlouhé peníze párovanou dvojic TAD EL34B-STR. Je na nich uvedena hodnota TC1095 a PC 30. Do katod koncových elektronek jsem zapájel snímací odpory 1ohm. Změřil jsem proud u stávajících elektronek a byl obvyklých 38mA. Pak jsem osadil novou dvojici, nechal nějakou dobu nažhavit a začal seřizovat bias. Napětí na anodách 445V. Odpory 1K v G2 jsou ok.
V jedné krajní poloze trimru protékal proud 4.6mA, napětí na mřížce 52V. V druhé krajní poloze byl proud 27mA, napětí 42V. Nemůžu tedy nastavit požadovaných 38mA.
1) Je možné, že by nové EL34 měli takové vlastnosti?
2) Je možné odpor 47k, zapojený v sérii s trimrem doplnit dalším paralelním odporem? Už jsem to na nějakém obrázku viděl. Pak by to snad mělo jít nastavit.
3) Jaká je rozumná minimální velikost předpětí mřížky, aby nedocházelo ke zkreslování už malých signálů?
4) Nemám zapojeny grid stopery 5k6. Mám je raději doplnit? Může to mít vliv na zvuk?
Prosím zkušené členy o radu.
Re: BIAS
Ty gridstoppery by předpětí mohly kapku snížit, tím zvýšit klidový proud. Divím se, že při potu naplno to dává tak velké záporné předpětí. Osobně bych to tak asi nechal, 27mA * 445V = 12W, trošku studenější AB, aspoň tolik netopí. Nechal bych jim možná ještě pár hodin zahoření (asi od TAD budou dost zahořené, ale co já vím).
Zkreslování (přechodové) nenastane, to se neboj. To by nastalo až v B třídě.
Počkej na Tube Guru, ten ti řekne.
Zkreslování (přechodové) nenastane, to se neboj. To by nastalo až v B třídě.
Počkej na Tube Guru, ten ti řekne.
Re: BIAS
Zdar, to víte, že Tube Guru řekne
. Tak za prvé gridstopery určitě doplň, ty mřížkové předpětí v žádném případě neovlivní - v bezporuchovém stavu neteče do řídící mřížky žádný proud. Jsou tam velmi užitečné z jiného důvodu... S mřížkovým předpětím by ses měl dostat na hodnotu kolem -35V. Přesně to říct nelze, závisí to na strmosti konkrétní lampy. Podívej se jakou hodnotu odporu máš osazenou na pozici před diodou 1008, jsou tam uvedeny dvě možnosti 27kΩ a 22kΩ. Ve Tvém případě by tam mělo být určitě těch 27kΩ, když nedosáhneš nastavením trimru požadovaného klidového proudu, klidně jej zvyš na 33kΩ nebo i víc. Neboj se to "nabiasovat" klidně na 39mA. Je to pořád defaultní hodnota, žádné přehnané "hot". Jestli se u nějakého zesilovače "hot bias" zvukově projeví jako "to je ono", Plexiny jsou právě ten případ. Kéž se Ti to povede k plné spokojenosti. Opravdu miluji schemata bez řádného označení prvků
, to pak veeelmi usnadňuje takovou dálkovou pomoc
S opravami jsem skončil, žádné další zakázky už nepřijímám. Když budete mít jakýkoliv smysluplný technický dotaz týkající se elektronek, zesilovačů a "krabiček", klidně mě kontaktujte e-mailem: z.hronek@protonmail.com Když budu znát odpověď, budu mít čas a chuť, rád Vám odpovím. Děkuji.
Re: BIAS
TG, chystám na tebe malou záludnost. Vyznáš se v ultralineárech? Zapojení ala McIntosh? Pár let mám doma koncák z nějaké ústředny, překreslil jsem schéma, rozchodil ho, nic nevybuchlo (nabíjeno pár dní postupně přes odpory a pak přes žárovku). Jde mi o výstupní impedanci. V běžném zapojení má EL34 třeba 4kOhm, v tomto (někde jsem četl) 1kOhm. Trafo má nízkoimpedanční výstup, není to nejspíš 100V. Mezi primárem a sekundáry jsem naměřil poměry 1:15,8, 1:27, 1:40.
Vstupy jsou značené Poslech a Dorozumívání. Neznáš to?
Foto a schéma konce http://kmensik.rajce.idnes.cz/zes_ustredna/
Vstupy jsou značené Poslech a Dorozumívání. Neznáš to?
Foto a schéma konce http://kmensik.rajce.idnes.cz/zes_ustredna/
Re: BIAS
Zdar, záludnosti nemám rád. Toto, ale záludnost naštěstí není. Ultralineární koncový stupeň (mimochodem velmi blbý název, jak může být něco lineárnějšího než lineární?) se od "běžného" liší tím, že stínící mřížky jsou napájeny z odbočky na primáru výstupáku zhruba 40% závitů od konce pro anody. Zatěžovací impedance elektronky je stejná jako pro všechny push-pull koncové stupně a to: Ra-a = p^2*Rz [Ω;-;Ω], kde Ra-a je zatěžovací odpor elektronek koncového zesilovače, p je převod výstupního trafa a Rz je odpor (impedance) připojené reprobedny. Jestli Tě zajímají nějaké další podrobnosti o zesilovačích z ústředen, obrať se s důvěrou na p. Leoše Malaníka (nick Sinclair), má s nimi letité zkušenosti.
Něco přečíst si o tom můžeš tady:
http://www.tubebooks.org/file_downloads/ultralinear.pdf
Mimochodem do nedávna jsem si myslel, že ultralineární koncový stupeň je záležitost hifistů, ale pro kytarový zesilovač je dle mého názoru úplně zbytečný. Nemyslím si, že by to bylo jinak
. Je to jen a pouze jakési přiblížení pentody triodě, nic víc, nic méně.
Něco přečíst si o tom můžeš tady:
http://www.tubebooks.org/file_downloads/ultralinear.pdf
Mimochodem do nedávna jsem si myslel, že ultralineární koncový stupeň je záležitost hifistů, ale pro kytarový zesilovač je dle mého názoru úplně zbytečný. Nemyslím si, že by to bylo jinak
S opravami jsem skončil, žádné další zakázky už nepřijímám. Když budete mít jakýkoliv smysluplný technický dotaz týkající se elektronek, zesilovačů a "krabiček", klidně mě kontaktujte e-mailem: z.hronek@protonmail.com Když budu znát odpověď, budu mít čas a chuť, rád Vám odpovím. Děkuji.
Re: BIAS
To kmensik: Výstupák McIntosh je pěkně popsanej tady . https://zosilnovace.wordpress.com/2014/ ... 275-clone/
To Tube Guru: Smysl Ultralineáru vidim v HiGainových aparátech typu MESA,Soldano ..... Kde je signál už upravený z preampu a zkreslení konce je nežádoucí.
To Tube Guru: Smysl Ultralineáru vidim v HiGainových aparátech typu MESA,Soldano ..... Kde je signál už upravený z preampu a zkreslení konce je nežádoucí.
Dobří umělci kopírují ti nejlepší kradou. - Pablo Picasso

