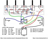
Udělej si seznam všech věcí, které budeš chtít nakoupit v tom gesu a pošli mi ho, zkontroluju tam, že jsi něco nezapomněl (mimo věcí ze schématu budeš potřebovat vstupní stereo jack, výstupní mono jack, LED diodu na singalizaci zapnutí efektu, odpor 2K2 před tu diodu, konektor pro napájení efektu apod...).
Co v Gesu určitě neseženeš je 3PDT přepínač. Mají tam jenom DPDT, který je levný, ale s ním bys přišel o možnost singalizace LED diodou - na to existují jiná řešení, např. milenium bypass o kterém psal výše kajetan, ale do toho bych se být tebou v prvním efektu nepouštěl, budeš mít hlavu plnou jiných věci, třeba zapojení klasického 3PDT
http://www.audiokonektory.cz/produkt/3pdt/
No a první a poslední věc co budeš řešit je krabička do které to zabuduješ, ideální když si nějakou takovou někde najdeš (typicky na půdě
tak třeba :
http://www.audiokonektory.cz/produkt/1590b/
Samozřejmě těm obchodům tady nechci dělat žádnou reklamu, kup si to kde chceš, to byly jenom tipy kde shánět

