Stavba lampové hlavy(ičky) - rady, postup...
Re: Stavba lampové hlavy(ičky) - rady, postup...
gto je udelanej jako stomp box, to znamena, ze vysledny signal, co z toho leze je na urvoni stomp boxu a ne na urovni pre-ampu, ktery by ti dokazal vybudit koncovy stupen zesilovace sam o sobe. Proto, bud predelas vystup z GTO (ted nevim jak vypada, ale asi nejakej ten odporovej delic to bude) nebo se kouknes na slo100 a nechas se inspirovat tim. Na vybuzeni koncove lampy potrebujes (podle nastaveni biasu) u el84 kolem 20V spicka-spicka signal, pro el34 nebo 6l6 to uz je i 30-40V ... z toho gto poleze pocitam tak do 2V? Kdyz tam pridas jednu triodu za to GTO, rekneme 100k, 1.5k tak bys nemel mit potom zadny problem a muzes za ni hodit master volume, no a nezapomen na vazebni kondik 22-47nF pred ten master. No a jeste neco, na tuhle posledni triodu muzes privezt zpetnou vazbu s presence potakem (diky tomu ze ten katodovej odpor neni by-passnutej zadnym kondikem).
Re: Stavba lampové hlavy(ičky) - rady, postup...
tak sem vo tom popřemejšlel a když by sem tam plácnul ještě jednu tridu a to už by sem měl jen 3 lampy v preampu .
Jak konec by sem chtěl použít 20W PP co je na AX84 http://www.ax84.com/static/corepoweramp ... ematic.pdf
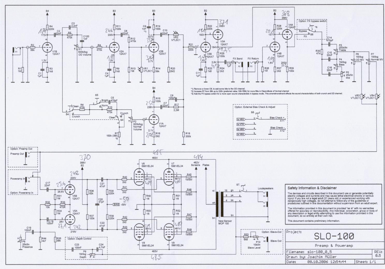
ale v preampu zatim nemam moc jasno ... teď se mi zalíbil preamp SLO 100 , jen by sem tam nedělal FX loop .
Jak konec by sem chtěl použít 20W PP co je na AX84 http://www.ax84.com/static/corepoweramp ... ematic.pdf
ale v preampu zatim nemam moc jasno ... teď se mi zalíbil preamp SLO 100 , jen by sem tam nedělal FX loop .
Dobří umělci kopírují ti nejlepší kradou. - Pablo Picasso


Re: Stavba lampové hlavy(ičky) - rady, postup...
no kdyz se kouknes na vetsinu modern hi-gain zesilovacu, tak pouzivaji 4 triody na tvarovani signalu + katodovy sledovac ktery vede do tone stacku. Kdyz tohle spocitas, tak to jsou 3 elektronky, pak mas jednu na efektovou smycku, nekdy 1 na reverb a 1 na PI. Takze celkove minimalne 5x 12ax7. Pokud chces pouzivat modulacni efekty (pokud si sem tam rad zabrnkas nejake 'solicko', tak asi jo, ne?) tak se bez efektove smycky neobejdes.
Ja pred nedavnem dodelal cervenej kanal rectifieru i s efektovou smyckou a protoze jsem delal konec s double triodama 6sn7, tak jsem si vystacil jen se 4, kdy 5 triod bylo pro pre-amp + katodovej sledovac, 1 trioda jako fx-send, pak 1 trioda fx-return do cathodynovyho PI, kterej je z jedne triody. Protoze ma catodynovy PI zesileni ~1, tak ten fx-return me musi zesilit signal na cca 20V spicka-spicka. Pri 220k, 2.2k ma 12ax7 zesileni 35-40, takze i pri sile signalu 0.5V (co je tak max. co dostanes z kytaroveho snimace) se dostavam v pohode na tech 20V po zesileni.
kdyz se kouknes na slo100 OD kanal a porovnas ho prave s MB rectifiereme, uvidis, ze jsou si podobny jako vejce vejci. Pokud budes chtit tak ti muzu poslat schema toho konce s efektovou smyckou. Pri trose dobre vule by jsi mel byt schopen s tim dostat do overdrivu i konec s dvema el84. U dvou 6v6 - tam mozna. Chce si to k tomu sednou a spocitat to.
Ja pred nedavnem dodelal cervenej kanal rectifieru i s efektovou smyckou a protoze jsem delal konec s double triodama 6sn7, tak jsem si vystacil jen se 4, kdy 5 triod bylo pro pre-amp + katodovej sledovac, 1 trioda jako fx-send, pak 1 trioda fx-return do cathodynovyho PI, kterej je z jedne triody. Protoze ma catodynovy PI zesileni ~1, tak ten fx-return me musi zesilit signal na cca 20V spicka-spicka. Pri 220k, 2.2k ma 12ax7 zesileni 35-40, takze i pri sile signalu 0.5V (co je tak max. co dostanes z kytaroveho snimace) se dostavam v pohode na tech 20V po zesileni.
kdyz se kouknes na slo100 OD kanal a porovnas ho prave s MB rectifiereme, uvidis, ze jsou si podobny jako vejce vejci. Pokud budes chtit tak ti muzu poslat schema toho konce s efektovou smyckou. Pri trose dobre vule by jsi mel byt schopen s tim dostat do overdrivu i konec s dvema el84. U dvou 6v6 - tam mozna. Chce si to k tomu sednou a spocitat to.
Re: Stavba lampové hlavy(ičky) - rady, postup...
Kdyz uz se tady bavite o tech PI, co je lepsi, udelat tam recovery stage ze smycky a pouzit cathodyne PI, nebo pouzit jako recovery klasicky PI (myslim na buzeni tech 6sn7)? Ja takhle planuju delat ten mark, tak ted kterou moznost bude lepsi zvolit.
Bach LP (SD SH-1 59'/SD SH-4)
Maxon OD808 kopie
Digitech RP-55
Mmjuz mrňůz 4W, JCM800 kopie
Mesa Boogie 1x12 w/ MC90
Maxon OD808 kopie
Digitech RP-55
Mmjuz mrňůz 4W, JCM800 kopie
Mesa Boogie 1x12 w/ MC90
Re: Stavba lampové hlavy(ičky) - rady, postup...
klasicky long tail PI ma polovicni zesileni obdobne gain stage. Takze kdyz tam je klasika 82k, 820R, tak zesileni celeho PI je polovicni ~15? (alespon podle toho co pise Merlin na svem website)
Cathodyne ma zesileni te budici triody. Talze pokud ma trioda zesileni 40 (jako treba konec vht deliverance) tak ma celkove PI zesileni kolem 40.
Co se tyce toho marka, ja to delal presne podle schematu na sloclone - teda az na maly zmeny - 2 oddelene tonestacky pro clean a lead ve stylu mark iv a s tim i 2 volume poty na kazdej kanal, ktery jsou hned pred smyckou a prepinani pres 2 relatka. No a diky tomu, ze jsem tam nedaval GEQ, tak jsem jeste lehce pozmenil master volume - aby to nezralo vysky pri male hlasitosti - mam ten master volume pot zapojeny jako odporovy delic a ne jako menitelny odpor
Cathodyne ma zesileni te budici triody. Talze pokud ma trioda zesileni 40 (jako treba konec vht deliverance) tak ma celkove PI zesileni kolem 40.
Co se tyce toho marka, ja to delal presne podle schematu na sloclone - teda az na maly zmeny - 2 oddelene tonestacky pro clean a lead ve stylu mark iv a s tim i 2 volume poty na kazdej kanal, ktery jsou hned pred smyckou a prepinani pres 2 relatka. No a diky tomu, ze jsem tam nedaval GEQ, tak jsem jeste lehce pozmenil master volume - aby to nezralo vysky pri male hlasitosti - mam ten master volume pot zapojeny jako odporovy delic a ne jako menitelny odpor
Naposledy upravil(a) lunchie dne 5.04.2011 18:09, celkem upraveno 1 x.
Re: Stavba lampové hlavy(ičky) - rady, postup...
nojo je si to dost podobný . takže na zkreslený větvi sou 4 triody na clean větvi sou 3 triody pro FX sou 2 triody a jedna je pro sledovač . ale to si vlastně psal. takže by bylo dobrý udělat komplet celej Preamp podle toho schema. koukal sem i na sloclone a jen tak letmo sem to porovnával se schematem co sem tam našel a zatim to vypadá že je správně.lunchie píše:no kdyz se kouknes na vetsinu modern hi-gain zesilovacu, tak pouzivaji 4 triody na tvarovani signalu + katodovy sledovac ktery vede do tone stacku. Kdyz tohle spocitas, tak to jsou 3 elektronky, pak mas jednu na efektovou smycku, nekdy 1 na reverb a 1 na PI. Takze celkove minimalne 5x 12ax7. Pokud chces pouzivat modulacni efekty (pokud si sem tam rad zabrnkas nejake 'solicko', tak asi jo, ne?) tak se bez efektove smycky neobejdes.
Ja pred nedavnem dodelal cervenej kanal rectifieru i s efektovou smyckou a protoze jsem delal konec s double triodama 6sn7, tak jsem si vystacil jen se 4, kdy 5 triod bylo pro pre-amp + katodovej sledovac, 1 trioda jako fx-send, pak 1 trioda fx-return do cathodynovyho PI, kterej je z jedne triody. Protoze ma catodynovy PI zesileni ~1, tak ten fx-return me musi zesilit signal na cca 20V spicka-spicka. Pri 220k, 2.2k ma 12ax7 zesileni 35-40, takze i pri sile signalu 0.5V (co je tak max. co dostanes z kytaroveho snimace) se dostavam v pohode na tech 20V po zesileni.
kdyz se kouknes na slo100 OD kanal a porovnas ho prave s MB rectifiereme, uvidis, ze jsou si podobny jako vejce vejci. Pokud budes chtit tak ti muzu poslat schema toho konce s efektovou smyckou. Pri trose dobre vule by jsi mel byt schopen s tim dostat do overdrivu i konec s dvema el84. U dvou 6v6 - tam mozna. Chce si to k tomu sednou a spocitat to.
pak jak si psal cathodynovej PI má zesílení ~1 , někde sem čet že simetrickej PI mázesílení 20-30 je to možný ? tak by pak bylo výhodnější tam dát ten simerickej PI ale zas je to 1lampa navýc
EDIT:poplet sem si cathodynovej PI a PI z jednou triodou simetrickej PI = cathodyne PI
Dobří umělci kopírují ti nejlepší kradou. - Pablo Picasso


Re: Stavba lampové hlavy(ičky) - rady, postup...
jak jsem psal vyse, cathodynovej PI je jedna trioda se zesilenim 1. Ale vzdycky je predchazenej budici triodou, ktera ma urcity zesileni. Takze dokazes z jedne elektronky na PI ziskat zesileni ~40 pro nebypassnutou a pres 60 pro bypassnutou. Coze je dvojnasobek toho, co udela long tail PI.
dcoela dobrej tool (jen neni videt, jak uprostred je ta trioda biasovana)
http://amps.zugster.net/tools/triode-calculator
ja s tim cathodynem budim 2x 6v6 v jednom ampu a je to v pohode (ale to je tim, ze ty 6v6 jsou biasovane nekde na -12 az -14 voltech)
sloclone
http://mageo.cz/home/LUNCHIE2/SLOCLONE- ... Oo5_k7RFS_
dual rectifier
http://mageo.cz/home/LUNCHIE2/recto.zip ... Oo5_k7RFS_
dcoela dobrej tool (jen neni videt, jak uprostred je ta trioda biasovana)
http://amps.zugster.net/tools/triode-calculator
ja s tim cathodynem budim 2x 6v6 v jednom ampu a je to v pohode (ale to je tim, ze ty 6v6 jsou biasovane nekde na -12 az -14 voltech)
sloclone
http://mageo.cz/home/LUNCHIE2/SLOCLONE- ... Oo5_k7RFS_
dual rectifier
http://mageo.cz/home/LUNCHIE2/recto.zip ... Oo5_k7RFS_
Re: Stavba lampové hlavy(ičky) - rady, postup...
jen aby sem si v tom udělal jasno
tohle je
Cathodyne Phase Inverter

a tohle
Long-Tailed
prěsně tyhle schemátka sem našel taky jak si postoval to soldano a mesu jesi to fakt dost podobný . a na sloclone sem vyčuchal i PCB takže by to nebyl problém poskládat http://sloclone.yesterdaysrevolt.com/la ... LAYOUT.pdf
tohle je
Cathodyne Phase Inverter

a tohle
Long-Tailed
prěsně tyhle schemátka sem našel taky jak si postoval to soldano a mesu jesi to fakt dost podobný . a na sloclone sem vyčuchal i PCB takže by to nebyl problém poskládat http://sloclone.yesterdaysrevolt.com/la ... LAYOUT.pdf
Dobří umělci kopírují ti nejlepší kradou. - Pablo Picasso


Re: Stavba lampové hlavy(ičky) - rady, postup...
jo presne to jsou ty PI, ten cathodyne ma pred sebou DC nebo AC coupled jednu gain stage, jako treba tohle schema (AC coupled) a ma zisk cca 40.
http://img101.imageshack.us/img101/9469 ... wershc.jpg
http://img101.imageshack.us/img101/9469 ... wershc.jpg
Re: Stavba lampové hlavy(ičky) - rady, postup...
super já promyslim jak by se to dalo narvat do šasi velikosti AX84 . ale jen tak to nebude napřed musim dát tu svou lampu do provozuschopnýho stavu 
Dobří umělci kopírují ti nejlepší kradou. - Pablo Picasso


Re: Stavba lampové hlavy(ičky) - rady, postup...
jo dat to do sasi 16x8x2 bude mozna docela problem. Ja ted valcil s 12x8x2 a vickrat uz to delat nebudu
. Radsi trochu vice mista nez se s tim pak drbat jako hodinar ... (to je po druhe, kdy jsem si rikal, ze to udelam kompaktni ... a podruhe jsem se takhle spalil ... poprve jsem to daval do 12x5x2)
Re: Stavba lampové hlavy(ičky) - rady, postup...
no to je fakt . i v tom mím šasi neni moc místa když sem to dával dohromady tak to šlo docela dobře ale cokoliv na tom upravovat je veliký peklo . nejlepší je to postavit a pak se v tom vrtat už jen minimálně 
Dobří umělci kopírují ti nejlepší kradou. - Pablo Picasso


Re: Stavba lampové hlavy(ičky) - rady, postup...
hele a konkretne to 9wn 676 24,2 (100V // 6W/3W/1,5W) když jsem přeskládal plechy jak výstupák, a stejnosmerny odpor primaru je cca 80 ohm dá se to použít na nějakí mini zesilvovač s pcl nebo ecc82 ? ale neni tam vyvedeny žadny střed na tom trafu....lunchie píše:tyhle maly transformatory se daj pouzit na push-pull aplikaci, pokud tam mas neco jako centralni vyvod. Ja jedno takovy pouzil s docela dobrym vysledkem prave pro pouziti s double triodou a s prekvapenim vubec nehralo spatne. Pokud mu tam clovek prihodi jezte zpetnou vazbu, tak to ma i docela dost basu
CUSTOM TELECASTER NAVRÁTIL..VintageModifiedJaguar..Sigma-GuitarsOMM-ST..Jolana Iris..BossTU3..DOD280Comp..FulltoneFulldrive ..E.Orange Vodka&Juice..DIY FatFuzzFactory..TC SparkBoostMini..DIY Delay..VintageSmallStone..EHXCathedral..TAP Tremolo..BossDD20...MMJUZ 40W..Roland JC120H...Pearl SunFlower
Re: Stavba lampové hlavy(ičky) - rady, postup...
ta impedance primaru/sekundaru se neda merit primo. Muzes ji ale spocitat. Kdyz pustis do sekundaru stridave napeti rekneme 10V a zmeris napeti na sekudnaru, tak dostanes pomer vinuti. A impedanci pak spocitas treba takto:
mam trafo, na sekundar pripojim 10VAC
na primaru namerim 440VAC
z toho dostanu pomer vinuti 44
ted kdyz pripojim na sekundar reproduktor 4 ohmy, tak impedanci na primaru spocitam pomoci
4 * 44 * 44 = ~8000
pokud pripojim na sekundar reproduktor 8 ohmu, tak budu mit na primaru cca 16k
CT je dobrej na PP konec, na konec s jednou ecl82 budes potrebovat SE trafo ss cca 5k na primaru.
pokud chces udelat PP konec s jednou ecc82 (12au7), tak budes potrebovat tak 20k na primaru s CT
mam trafo, na sekundar pripojim 10VAC
na primaru namerim 440VAC
z toho dostanu pomer vinuti 44
ted kdyz pripojim na sekundar reproduktor 4 ohmy, tak impedanci na primaru spocitam pomoci
4 * 44 * 44 = ~8000
pokud pripojim na sekundar reproduktor 8 ohmu, tak budu mit na primaru cca 16k
CT je dobrej na PP konec, na konec s jednou ecl82 budes potrebovat SE trafo ss cca 5k na primaru.
pokud chces udelat PP konec s jednou ecc82 (12au7), tak budes potrebovat tak 20k na primaru s CT
-
mmjuz
- Odborník
- Příspěvky: 2236
- Registrován: 23.03.2009 11:17
- Bydliště: Brněnsko
- Kontaktovat uživatele:
Re: Stavba lampové hlavy(ičky) - rady, postup...
Jestli nezvládneš takto jednoduchou věc, stálo by za zvážení, zda-li se do stavby vůbec pouštět. To trafo vypadá dost strašlivě, jestli se máš rád, tak s tím zajdi někam do elektropravny, ať Ti to aspoň proměří na Megmetu (izolaci) a to min. na 500V. Oni už Ti poradí, kde je primár a kde sekundár. Já Ti nic konkrétního raději tady psát nebudu, nechci Tě mít na svědomí. To už bych Ti raději nějakého malého lampáčka sám postavil.
Mimochodem, jestli si chceš stavět P1, tak tam přímo má autor doporučený typ výstupáku, myslím že Hammond. Nebo tam píše něco o šrotu z Aukra?
Mimochodem, jestli si chceš stavět P1, tak tam přímo má autor doporučený typ výstupáku, myslím že Hammond. Nebo tam píše něco o šrotu z Aukra?
Naposledy upravil(a) mmjuz dne 8.04.2011 12:19, celkem upraveno 1 x.
Re: Stavba lampové hlavy(ičky) - rady, postup...
sekundár (teda to kam se zapojuje repro) je na stopro ten tlustý drát co je navinutý úplně nahoře. To znamená že by to měly být kontakty 3 a 4. Teda potom 1 a 2 bude primár a 5 je podle mě jen stínění, ale nemusí to být pravda. Zkus udělat ostřejší fotky a vem to spíš zboku shora, ať je vidět, kam ty dráty vedou.HUDY píše:Cau, rozhodl jsem se postavit P1 a potreboval bych poradit kde je na vystupaku primar a kde sekundar ?
Trafo jsem koupil na aukru a melo by byt pro EL84.
Michal
edit: ještě můžeš zkusit proměřit ohmmetrem vinutí a to se znatelně větším odporem bude primár
If ain't broken, don't fix it!
-
woro90-1
Re: Stavba lampové hlavy(ičky) - rady, postup...
Hele, mmjuzi, co zase chystáš za lahůdku s EL84 push-pull koncem? Rádio Rema 2072 tě prozradilo 
-
mmjuz
- Odborník
- Příspěvky: 2236
- Registrován: 23.03.2009 11:17
- Bydliště: Brněnsko
- Kontaktovat uživatele:
Re: Stavba lampové hlavy(ičky) - rady, postup...
Rádio Rema? Je to možné, ale doma ji nemám, to by mělo být stereo, ne? Mám v tom hokej, ale v posledních týdnech jsem na Aukru nic nevydražil. Naposled Stradivari 3, pro který jsem musel osobně a doma jsem zjistil, že je výstupák v řiti. Radost až na půdu. No, děda mi k tomu přidal jakousi mrchu Tesla Jantar, vevnitř to bylo všechno polské, i výstupák, poměrně veliký, tak jsem na to minulý víkend hupsnul a se síťákem 250 - 0 - 250V usměrnění EZ80 je z toho krásný 3W minikombíčko. Repro jsem osadil oválek Isophone z 50.let, 6´´ X 9´´ a vyrazilo mi to dech. Vůbec jsem to nečekal. Tak jsem si řekl, že ten Stradivari bez výstupáku za to určitě stál. Mrňous je na prodej a i vedle nejdražší verze Champa to ustojí, jsem o tom přesvědčen.
Jinak nechystám nic. Slíbil jsem jednomu bluesmanovi ze Slovenska kombo s pentodou na vstupu a nějak se mi to nedaří, jak bych chtěl. No, mám na to ještě tři týdny. Pak si jeden kamarád nakoupil v USA komponenty na čtyry komba, tak mi to tu leží. Trafáky i tlumivky od Mercury Magnetics, naohýbané a popsané šasí od Webera, repra Weber a jeden Blue AlNiCo. Ještě mi má dovézt nějakou bižuterii, pájecí lišty, kabely s textilní izolací... Butique jako kráva. Docela se na to těším. Ale času mi to zabere aspoň do prázdnin. A v létě se už nebastlí, ale odpočívá, jezdí na kole a pije pivo na zahrádkách! Jinak nápadů i materiálu tu mám dost a dost. To se nezkazí.
Jinak nechystám nic. Slíbil jsem jednomu bluesmanovi ze Slovenska kombo s pentodou na vstupu a nějak se mi to nedaří, jak bych chtěl. No, mám na to ještě tři týdny. Pak si jeden kamarád nakoupil v USA komponenty na čtyry komba, tak mi to tu leží. Trafáky i tlumivky od Mercury Magnetics, naohýbané a popsané šasí od Webera, repra Weber a jeden Blue AlNiCo. Ještě mi má dovézt nějakou bižuterii, pájecí lišty, kabely s textilní izolací... Butique jako kráva. Docela se na to těším. Ale času mi to zabere aspoň do prázdnin. A v létě se už nebastlí, ale odpočívá, jezdí na kole a pije pivo na zahrádkách! Jinak nápadů i materiálu tu mám dost a dost. To se nezkazí.
-
mmjuz
- Odborník
- Příspěvky: 2236
- Registrován: 23.03.2009 11:17
- Bydliště: Brněnsko
- Kontaktovat uživatele:
Re: Stavba lampové hlavy(ičky) - rady, postup...
Máš recht! Rama, hare rama! Mám na ní přihozeno, úplně jsem zapomněl. Stárnu, senilním...woro90-1 píše:Hele, mmjuzi, co zase chystáš za lahůdku s EL84 push-pull koncem? Rádio Rema 2072 tě prozradilo
Týpek si k rádiu nepřipojil bedýnky ( vestavěné repro tam není ) a divil se, že nemůže nic naladit. Trotl. Doufám, že to dlouho netrápil a že výstupáčky nepoškodil. Některým lidem by patřilo urazit ruce.
