basák: 4xEL34 v konci, 5xECC83 v preampu, hezký, stavíš SLO100? Jinak s tím počasím souhlas, čím je venku pěknějc, tím míň se člověku chce bastlit
Naše lampové projekty (tipy, rady,...
Re: Naše lampové projekty (tipy, rady,...
Pikaču schéma: http://kocickamia.rajce.idnes.cz/Pikacu ... schema.jpg
basák: 4xEL34 v konci, 5xECC83 v preampu, hezký, stavíš SLO100? Jinak s tím počasím souhlas, čím je venku pěknějc, tím míň se člověku chce bastlit
basák: 4xEL34 v konci, 5xECC83 v preampu, hezký, stavíš SLO100? Jinak s tím počasím souhlas, čím je venku pěknějc, tím míň se člověku chce bastlit
If ain't broken, don't fix it!
Re: Naše lampové projekty (tipy, rady,...
paráda
jak sem koukal na fotky tak pakaču je ječtě menší než red eye
. Ještě by chtělo sehnat ty malý dabl triody 6110 a moh by si postavit něco kapesního na 9V .
Dobří umělci kopírují ti nejlepší kradou. - Pablo Picasso


Re: Naše lampové projekty (tipy, rady,...
Ten prcek je nádhernej, jsem zvedav na nějakou nahrávku.
Re: Naše lampové projekty (tipy, rady,...
Dík, jsem rád že se to líbí
S nahrávkama to zatím moc nevidím, nemám to přes co zachytit. Jedině to zkusit nahrát vestavěným mikrofonem v notebooku, to je tak asi všechno co doma mám.
If ain't broken, don't fix it!
Re: Naše lampové projekty (tipy, rady,...
Konečně jsem se urval od práce kolem baráku, a rozchodil klon Soldana slo 100, kde mám prozatím udělaný jen 5W konec. Musím se přiznat, že jsem z ovedrivu zvuku nadšen. Je tam tolik zkreslení, že mi stačí tak 60-70%. Vypadá to tak, že asi chudinka Marshall JCM800 skončí po dodělaní Soldana , někde v koutě. Ne to je jen žert
. Čistý kanál je pro mé ucho u Marshalla příjemnější, ale uvidím, až mi přijde výstupák a napájecí trafo, jak se to dá upravit. Musím upravit poměr hlasitostí Crunch/Clean a ubrat trochu zkreslení (Crunch). Přepínání kanálu přes optiku parádní a bez problémů. Jen mi tam někde leze dost brum, ale to snad najdu kde mi tam co prolézá. Až čas dovolí, udělám nějakou nahrávku.
Re: Naše lampové projekty (tipy, rady,...
Basak> uz se tesim na nahravky! Ja ted cekam, az me prijde sasi a plosaky na klon bogner uberschall ... a premyslim, jestli ho udelat 50W nebo 100W. Kazdopadne tam hodim 'watt control' ve stylu egnator rebel.
Re: Naše lampové projekty (tipy, rady,...
Basák> já by sem měl otázečku na tu optiku . to přepínání optočlenů si dělal taky podle soldana nebo podle sebe ?
já se taky co nevidět pustim do stavby klonu soldana už mam nchystanou masku na DPS .
já se taky co nevidět pustim do stavby klonu soldana už mam nchystanou masku na DPS .
Dobří umělci kopírují ti nejlepší kradou. - Pablo Picasso


Re: Naše lampové projekty (tipy, rady,...
Zdravím, mám na Vás chlapi otázku. Svýho času jsem se pokoušel o klon Marshallu 2000DSL, nicméně při návrhu plošňáku jsem nebyl moc úspěšný, k oživení konce jsem se ani nedostal:), pořád to brumělo apod. Pak jsem stavěl barák a nějak to nechal ležet v propadlišti dějin. A když to tady čtu, tak bych to dal rád dokupy:) Nedá se někde sehnat předloha DPS nebo nějaká pomoc? Nejsem v elektrice úplný tele, nicméně s lampama zkušenost velice malá...
Re: Naše lampové projekty (tipy, rady,...
Optiku jsem dělal podle sch. v příloze, ale někde mám ještě jednu variantu, kterou jsem zvažoval. Myslím, že až osadím i konec(čekám na výstupní a napájecí trafo), nějaká úprava bude. Teď zase není nějak čas. Všechnu energii a finance vkládám do stavby CNCčka, abych si v případě potřeby vyfrézoval pěkně šasko, popisy, tišťáky vč. děr a dírek. Pojal jsem to trochu impozantně a teď mi jde hlava troch kolem.
- Přílohy
-
- optika_slo100.pdf
- (178.55 KiB) Staženo 156 x
Re: Naše lampové projekty (tipy, rady,...
Zdar, dival jsem se po nejakym navrhu tistaku, ale bohuzel nenasel jsem. Kdyztak sem hod ten tvuj layout a schema podle ktereho si to delal a ja na to kouknuGoof píše:Zdravím, mám na Vás chlapi otázku. Svýho času jsem se pokoušel o klon Marshallu 2000DSL, nicméně při návrhu plošňáku jsem nebyl moc úspěšný, k oživení konce jsem se ani nedostal:), pořád to brumělo apod. Pak jsem stavěl barák a nějak to nechal ležet v propadlišti dějin. A když to tady čtu, tak bych to dal rád dokupy:) Nedá se někde sehnat předloha DPS nebo nějaká pomoc? Nejsem v elektrice úplný tele, nicméně s lampama zkušenost velice malá...
Bach LP (SD SH-1 59'/SD SH-4)
Maxon OD808 kopie
Digitech RP-55
Mmjuz mrňůz 4W, JCM800 kopie
Mesa Boogie 1x12 w/ MC90
Maxon OD808 kopie
Digitech RP-55
Mmjuz mrňůz 4W, JCM800 kopie
Mesa Boogie 1x12 w/ MC90
Re: Naše lampové projekty (tipy, rady,...
Posílám původní návrhy. Je to na dvou deskách. Chvíli jsem dělal na další verzi, kde je to rozházené na vícero DPS. Předzes, korekce...
Schema mám případně v Eaglu...
Schema mám případně v Eaglu...
- Stanley06
- Rádce
- Příspěvky: 1925
- Registrován: 8.09.2008 20:42
- Bydliště: Nalžovské Hory, Plzeň
- Kontaktovat uživatele:
Re: Naše lampové projekty (tipy, rady,...
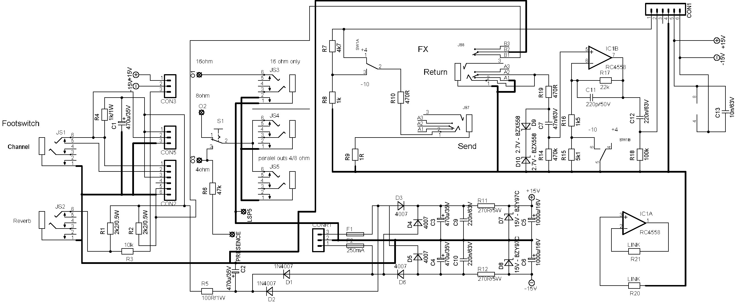
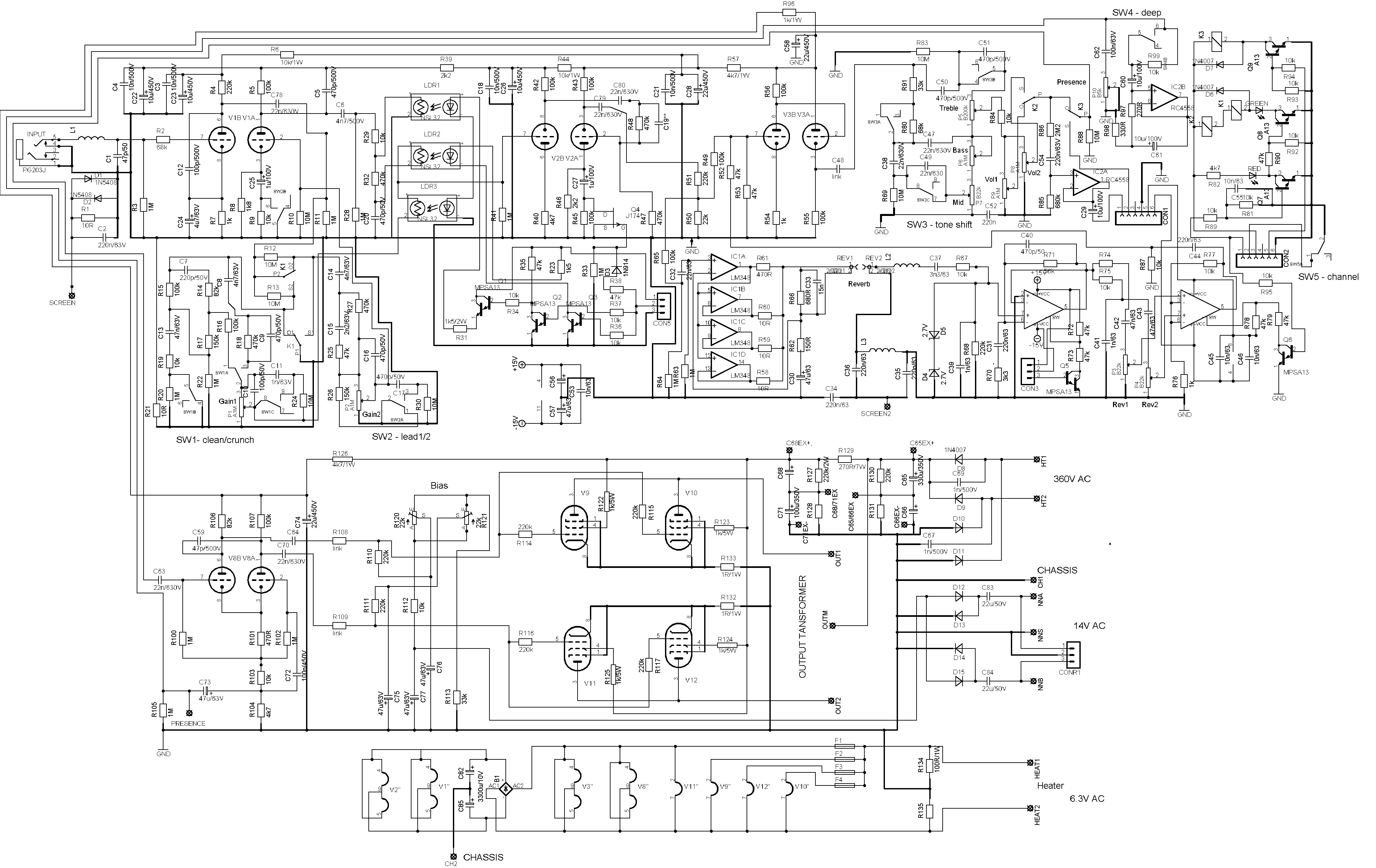
Tak po delší době taky něco ode mě, konečně jsem se trochu pohnul s předěláním kámošovo staryho rozdalla a udělal prozatim aspoň konec, klasika 2xEL34, 50W, bias pro každou lampu zvlášť, schema z ax84.com
http://www.ax84.com/static/corepoweramp ... ematic.pdf
zatim to hraje fajn čistě (zkoušeno s mobilem), presence funguje jak má, zatim mi tam lehce brumí 50ka, ale ještě nemam kompenzaci brumu, takže to snad zmizí, brzo snad přibude preamp (BadCat mini Cat crunch + mmjuz clean)
http://www.ax84.com/static/corepoweramp ... ematic.pdf
zatim to hraje fajn čistě (zkoušeno s mobilem), presence funguje jak má, zatim mi tam lehce brumí 50ka, ale ještě nemam kompenzaci brumu, takže to snad zmizí, brzo snad přibude preamp (BadCat mini Cat crunch + mmjuz clean)
St.Anley Tube Amps
stavba a úpravy elektronkových zesilovačů
FB profil - Poslední model - Krank Lead Rack - Video demo
stavba a úpravy elektronkových zesilovačů
FB profil - Poslední model - Krank Lead Rack - Video demo
- Stanley06
- Rádce
- Příspěvky: 1925
- Registrován: 8.09.2008 20:42
- Bydliště: Nalžovské Hory, Plzeň
- Kontaktovat uživatele:
Re: Naše lampové projekty (tipy, rady,...
Zdravim, dělám na jednom ampu (mmjuzovo preamp download/file.php?id=895&mode=view a konec 2xEL34 z ax84 http://www.ax84.com/static/corepoweramp ... ematic.pdf ve zpetné vazbě 100k z 16 ohm výstupu) a mám tady trošku problém: od určitý hranice volume, tone nebo presence to začne kmitat a pískat, nevíte někdo co bych s tím moh udělat? zkoušel jsem dát do vazby nižší odpor a hranice se posunula dál, i jsem zkoušel přidat paralelně k odporu ve vazbě 4,7n kondík a taky to něco málo pomohlo, pořád to tam ale je, nevíte někdo, čím by to mohlo být? (přebuzený PI, kladná zpětná vazba...) případně co s tím udělat? dík za jakoukoliv pomoc 
St.Anley Tube Amps
stavba a úpravy elektronkových zesilovačů
FB profil - Poslední model - Krank Lead Rack - Video demo
stavba a úpravy elektronkových zesilovačů
FB profil - Poslední model - Krank Lead Rack - Video demo
Re: Naše lampové projekty (tipy, rady,...
nemas nahodou prehozene draty z repraku? Podle toho co popisujes bych to tipoval na pozitivni zpetnou vazbu nez na NFB. Mel jsem podobny problem a bylo to prohozenyma dratama u repraku (ono to muze byt klidne i tim, ze mas naopak prehozeny draty, co vedou k mrizkam, remedy je stejny ... musis prohodit ty nebo ty u repraku). Ja prehodil draty v konci a prestalo to delat.
Re: Naše lampové projekty (tipy, rady,...
Stanley06 za C9 a C10 -propoj kondenzátorem cca 33 až 100 pf
nebo přehodit anody na výstupáku (ale to asi ne,to by ti pískalo hned...)
Ještě jsem si vzpoměl (matně
) že někde jsem propojoval střed předpětí se zemí rezistorem nejmíň tak 100K a nebo za C9,10 taky spoj se zemí rezistorem cca 1M . Už nevím,jestli jsem snižoval vstupní impedanci či co,ale bylo to v souvislosti s kmity a pískotem. Kdybych si o víkendu vzpoměl,snad někde najdu nějaké poznámky či schema.
nebo přehodit anody na výstupáku (ale to asi ne,to by ti pískalo hned...)
Ještě jsem si vzpoměl (matně
Naposledy upravil(a) Trevor dne 25.05.2011 21:49, celkem upraveno 1 x.
Provádím základní měření elektronek a drobné opravy a úpravy elektronkových aparátů a věcí kolem hraní. Vše je na domluvě - Severní Čechy
Dotazy prosím do SZ
Dotazy prosím do SZ
Re: Naše lampové projekty (tipy, rady,...
nepiskalo by to hned ... zalezi kolik signalu poustis pres feedback zpatky. Proto to Stanleymu piska az od urcte urovne nastavene na potaku ... mel jsem ten samej problem - prehodil jsem dratu na sekundaru a bylo vyreseno (mam trafo jen s vyvodem na 8R). Takze prohozeni dratu na anodach by melo pomoci
- Stanley06
- Rádce
- Příspěvky: 1925
- Registrován: 8.09.2008 20:42
- Bydliště: Nalžovské Hory, Plzeň
- Kontaktovat uživatele:
Re: Naše lampové projekty (tipy, rady,...
díky za rady chlapy, prohozením drátů jsem se dostal na to, že to pískalo hned po sepnutí stand-by takže tam asi cesta nevede, až se k tomu zase dostanu tak zkusím to co píše Trevor, třeba to pomůže a nebo to udělam tak, že dam za ten clean preamp dělič tak aby se to k tomu pískání nedostalo. Pořád si myslim, že je to přebuzený PI, ale uvidíme, každopádně dam vědět co pomhlo
edit: pokud odpojim zpětnou vazbu tak to píská ještě dřív (bráno jako na menší nastavení potenciometrů)
a pár takovejch zatim virtuálních projektů: http://stanley06.rajce.idnes.cz/St.Anle ... ock001.jpg
edit: pokud odpojim zpětnou vazbu tak to píská ještě dřív (bráno jako na menší nastavení potenciometrů)
a pár takovejch zatim virtuálních projektů: http://stanley06.rajce.idnes.cz/St.Anle ... ock001.jpg
St.Anley Tube Amps
stavba a úpravy elektronkových zesilovačů
FB profil - Poslední model - Krank Lead Rack - Video demo
stavba a úpravy elektronkových zesilovačů
FB profil - Poslední model - Krank Lead Rack - Video demo
Re: Naše lampové projekty (tipy, rady,...
tak to na problem ze zpetnou vazbou nevypada ... 
Re: Naše lampové projekty (tipy, rady,...
ááá.. Der Buldozer! A že to vypadá skoro jako dvoukanálovej rectifier, popřípadě nějakej RockwellStanley06 píše:díky za rady chlapy, prohozením drátů jsem se dostal na to, že to pískalo hned po sepnutí stand-by takže tam asi cesta nevede, až se k tomu zase dostanu tak zkusím to co píše Trevor, třeba to pomůže a nebo to udělam tak, že dam za ten clean preamp dělič tak aby se to k tomu pískání nedostalo. Pořád si myslim, že je to přebuzený PI, ale uvidíme, každopádně dam vědět co pomhlo![]()
a pár takovejch zatim virtuálních projektů: http://stanley06.rajce.idnes.cz/St.Anle ... ock001.jpg
:Apollo LP junior::Molk telecaster::Dimavery Precision Bass::Cort AD810 NS::Bugera 6262::Molk custom box 412:
:Mapex Voyager(22",10",12",14",14")::Anatolian, Paiste, Zildjian a Amati činely::HW Mapex, Sonor::Vater 5A
http://bandzone.cz/fadetogrey
http://last.fm/user/Moleek
:Mapex Voyager(22",10",12",14",14")::Anatolian, Paiste, Zildjian a Amati činely::HW Mapex, Sonor::Vater 5A
http://bandzone.cz/fadetogrey
http://last.fm/user/Moleek
- Stanley06
- Rádce
- Příspěvky: 1925
- Registrován: 8.09.2008 20:42
- Bydliště: Nalžovské Hory, Plzeň
- Kontaktovat uživatele:
Re: Naše lampové projekty (tipy, rady,...
je to na objednávku a má to bejt kopírka recta, tak co 
St.Anley Tube Amps
stavba a úpravy elektronkových zesilovačů
FB profil - Poslední model - Krank Lead Rack - Video demo
stavba a úpravy elektronkových zesilovačů
FB profil - Poslední model - Krank Lead Rack - Video demo