Obecné zapojení 2HB 3way switch 1vol 1tone:
Bude to jednoduché základní zapojení. Ty tři červené vodiče budou asi od přepínače, od tónové clony a jeden na výstupní jack.
Zkontroluj si, zda ti jdou dráty podle zapojení viz. výše. V zapojení pro přehlednost nejsou vykresleny zemní vodiče (bývají černé, ale nemusí), znázorňuje je ten "obrácený stromeček". V reálu budeš mít zemní vodiče nejspíše připájeny na kostru jednoho z potenciometrů.
Vyfotit zapojení. Asi špatně zadrátováno. Poklepat něčím železným na poloviny kobylkáče, jestli jsou zapojené obě cívky. Podle zvuku bys měl poznat, jestli je snímač sériově/paralelně/v protifázi.
Já mám velice podobný problém na kytaře s 3way switchem (ala gibson), u krku P90 a u kobylky Humbucker. Kytara má 2x volume a 1x push push tone, na kterým mám rozpínání. Když dám switch na kobylkový snímač a uberu volume, tak mi lehce hraje krkový snímač. Zapojení jsem v rámci let kontroloval několikrát a nepřišel jsem na nic. Takže buď ten živej signál z krkovýho snímače jde nějak přes zem nebo nevim. Snímačů jsem vyměnil desítky a nikdy nebyl problém.
Kdysi mi někdo radil použít nějakej odpor někam, ale to dle mého není řešení...
EDIT: jo a zapomněl jsem když stáhnu tonovou clonu tak se to chová jak má..., že by pokaženej push push pot?....
Vyřešeno. Při výměně snímače jsem přehodil dráty. Přepájeno dle schématu seymour duncan a nejen že poťáky fungujou jak mají, ale výsledný zvuk je mnohem lepší.
volfi píše: 3.11.2022 17:56
Já mám velice podobný problém na kytaře s 3way switchem (ala gibson), u krku P90 a u kobylky Humbucker. Kytara má 2x volume a 1x push push tone, na kterým mám rozpínání. Když dám switch na kobylkový snímač a uberu volume, tak mi lehce hraje krkový snímač. Zapojení jsem v rámci let kontroloval několikrát a nepřišel jsem na nic. Takže buď ten živej signál z krkovýho snímače jde nějak přes zem nebo nevim. Snímačů jsem vyměnil desítky a nikdy nebyl problém.
Kdysi mi někdo radil použít nějakej odpor někam, ale to dle mého není řešení...
EDIT: jo a zapomněl jsem když stáhnu tonovou clonu tak se to chová jak má..., že by pokaženej push push pot?....
Buď špatnej přepínač, nebo špatně zapojené. Foto napoví. Multimetr ještě lépe. Vadný push push by se choval jinak, tedy jestli je to zapojeno nějak normálně.
Ahoj, koupil jsem DiMarzio Chopper T do Squier CV Telecastra. Schémata na DiMarzio stránce jsou pro Fender, já mám “import 3 way switch” a nemám zkušenosti se zapojovaním snímačů. Proto bych vás chtěl požádat o radu, případně nakreslit zapojení. Chopper T půjde ke kobyle, původní singl u krku ostáva. Navíc mám Mojotone push pull poťák a chtěl bych měnit paralení zapojení na sěriové u Choppera.
Naposledy upravil(a) teaxdriv dne 2.06.2023 18:02, celkem upraveno 3 x.
Řekl bych, že záleží hlavně na hodnotě potenciometru, kondík sám o sobě skoro nijak. Takže přesnější by bylo se zeptat, jak ovlivní zvuk kombinace tone poťáku a kondíku, přičemž při tone na max má na zvuk slyšitelný vliv z 99.9% ten poťák. Kondík "uslyšíš" až při snížení tone.
Děkuji za odpověď, myslel jsem si to samé, ale brouzdal jsem po různých zapojeních sss strata a několikrát jsem narazil na to jak tone kondenzátor "zásadně" ovlivňuje zvuk i při tone na max.
Snímač má nějaký odpor, třeba 10 kOhm. Ale jeho výstupní impedance je závislá na frekvenci, takže třeba ve výškách na 5 kHz má impedanci 100 kOhm. A když těchto 100 kOhm zatížíš tónovou clonou s potenciometrem 250 kOhm, tak to vliv má. Už to není poměr zdroje a zátěže 1:25, ale 1:2,5. Takže jakoby čtvrtinu výšek můžeš tím kondíkem ořezat i při tone na max. Záleží na hodnotě potenciometru (500k bude mít menší vliv) i na hodnotě kondíku.
Nejde o nic dramatického, kapacita kabelu má asi větší vliv. Nejlíp si to zkus na vlastní uši, externě ke kytaře připoj různé kondíky s různými odpory, experimentuj, co ještě uslyšíš, jestli to bude nějak zásadní. Hodnotu kondíku bych stejně vybíral podle toho, jak zní s tónovkou staženou, ne jak zní bez ní. Pak je ještě varianta no-load pot.
Takovéto experimenty jsou žádoucí, na rozdíl od porovnávání zvuku drátové propojky mezi volume a switchem, jak někdo předvádí na youtube.
Což to já jsem si už kdysi zkoušel. Mám krabičku s poťákem a kondíkem. Jen mě nikdy nenapadlo uvažovat nad tím, že by samotnej kondenzátor s potenciometrem na plno mohl ovlivňovat zvuk a proto jsem se ptal. Jinak děkuji za utvrzení a vysvětlení.
Propojky mezi volume a switchem opravu řešit nehodlám. To já už opravdu neuslyším.
Ahoj, dostala se mi do rukou tahle kejtra, moc tomu nerozumím, basák. Hledal jsem na stránkách RM pickups schéma zapojení, ale nikde není postižena možnost, kde z jednoho dvojitého snímače vede pět vodičů plus stínění. Základní audio a slaboproud znalosti mám, uvítám každou radu....díky moc
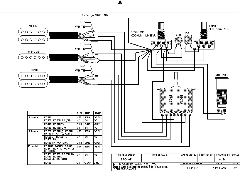
Najděte si zapojení k této kytaře. Nevím, co to je, RG370? Barvy drátků jsou běžné pro Ibanez, nic neobvyklého. Jediné, co může překvapit, je standardní pětipolohový přepínač vs. atypický ibanezí přepínač. V kytaře na foto je standardní. Snímače jsou nějak měněné, nebo je to vše původní INF? Pokud se nepožaduje nějaké atypické rozepínání nebo protifáze, je to základní zapojení s auto split v mezipolohách. Já bych vám to zadrátoval.
Děkuji moc za reakci. Vše je původní, jen nějaký šikula vše odletoval a rozloupnulnul potenciometr. Moc by mi stačilo schéma nejobyčejnějšího zapojení, zadrátoval bych sám. Za Vaši nabídku moc děkuji, ale stejně bych nemohl přijet, jsem po úraze o berlích a ještě nějaký čas budu ..
Otevřete word? Kamošovi jsem dělal zapojení do takové malůvky, předělal jsem to na tu vaši ibanezku, jak si myslím, že by to mělo fungovat. Samozřejmě nevím, jaké tam jsou snímače, co je krk a co kobyla. Nicméně takto to zkuste a dejte vědět. Koupil bych nové hezké potenciometry, na volume B500k, a asi i nový přepínač, stejný s 8 kontakty v 1 řadě. Na malůvce čísla 1-8 jsou vývody toho pětipolohového přepínače.
Pokud v mezipoloze N+M bude ticho, přehodíte mezi sebou červený a bílý z toho tlustšího červeného káblíku. Jinak by to mělo být OK.