zapojení snímačů
Pravidla fóra
Re: zapojení snímačů
A co je to za kytaru a jaký kobylkáč tam dáváš (prosím přesné označení, nestačí že např. Squier a RMPickups).
-
tommymacho
- Příspěvky: 23
- Registrován: 30.05.2016 15:17
Re: zapojení snímačů
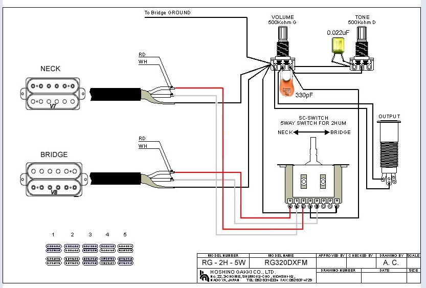
Ibanez GRG121 DX a snímač je nějaký Kent Armstrong HRO1-B, má to být kopie SD SH-4
-
BigiRocker
- Příspěvky: 38
- Registrován: 4.12.2014 21:10
Re: zapojení snímačů
Měl bych dotaz, chci vyměnit stávajíci snímače Ibanez INF za V7 a v8 . Schema jsem našel ale nemám ty odpory, nebo jak se to jmenuje. Jsou tam bezpodmíněčně nutné? V stávající elektrice je ten odpor jenom na tónový cloně, hodnoty ale nevím je bez popisu. Kde je případně koupit? Dík za každou odpověď.
Re: zapojení snímačů
Zdar, jsou to kondenzátory. Funkce toho u tónové clony (22nF) je snad jasná. Kondenzátor u "volume" potenciometru (330pF) má za úkol "posílit" výšky při nízké hlasitosti.
Koupit se dají např.:
http://www.tme.eu/cz/katalog/keramicke- ... A1tor+22nf
http://www.conrad.cz/kondenzator-kerami ... 10.k450142
http://www.hadex.cz/j142a-330pf63v-tgl5 ... ndenzator/
http://www.ges.cz/cz/
http://www.gme.cz/
Na tuto pozici zcela vyhoví ty nejlevnější keramické kondenzátory, neboť v kytaře nejsou nijak napěťově namáhány a svitkový foliový kond jsem v kytaře ještě neviděl i když to někteří honiči se za dokonalostí doporučují.
Koupit se dají např.:
http://www.tme.eu/cz/katalog/keramicke- ... A1tor+22nf
http://www.conrad.cz/kondenzator-kerami ... 10.k450142
http://www.hadex.cz/j142a-330pf63v-tgl5 ... ndenzator/
http://www.ges.cz/cz/
http://www.gme.cz/
Na tuto pozici zcela vyhoví ty nejlevnější keramické kondenzátory, neboť v kytaře nejsou nijak napěťově namáhány a svitkový foliový kond jsem v kytaře ještě neviděl i když to někteří honiči se za dokonalostí doporučují.
S opravami jsem skončil, žádné další zakázky už nepřijímám. Když budete mít jakýkoliv smysluplný technický dotaz týkající se elektronek, zesilovačů a "krabiček", klidně mě kontaktujte e-mailem: z.hronek@protonmail.com Když budu znát odpověď, budu mít čas a chuť, rád Vám odpovím. Děkuji.
-
BigiRocker
- Příspěvky: 38
- Registrován: 4.12.2014 21:10
Re: zapojení snímačů
Děkuji za vyčerpávající odpověď.
Re: zapojení snímačů
Které INF rušíš? V7/8 jsou dobré, každopádně lepší než INF1/2. Nicméně INF3/4 jsou ještě trochu silnější a basovější (dobré na silné zkreslení), tak abys nebyl zklamaný, že V7/8 hrají trošku slaběji.
-
BigiRocker
- Příspěvky: 38
- Registrován: 4.12.2014 21:10
Re: zapojení snímačů
koupil jsem Ibanez rgr321ex s INF1 + INF2. Přišlo mi to s nima takový volšový, přitom ta kytara už od pohledu musí hrát krásně
. Mám ještě Ibanez S470 a tam jsou taky INF1+2 a ta kytara s nima hraje krásně. Už je tam mám přehozený, je to s těma v7+v8 o hodně štavnatější.
Re: zapojení snímačů
Zajímavé, na RG mi ty INF1/2 taky přišly trochu jalové, a na S jsou snesitelné.
Ta tvoje RGR je moc pěkná kytara, koukal jsem na jednu u nás v bazaru. Jen nevím, jestli bych chtěl raději tu plechovou kobylku nebo litou.
Ta tvoje RGR je moc pěkná kytara, koukal jsem na jednu u nás v bazaru. Jen nevím, jestli bych chtěl raději tu plechovou kobylku nebo litou.
Re: zapojení snímačů
Takže jsem se rozhodl vyměnit snímače na mým stratu. Koupil jsem SD hot rails a dva singly z fendera. Zapojil jsem to podle schématu na stránkách seymour duncan, zašrouboval jsem to, natáhl struny a samozřejmě mi to nehrálo. Jediný co funguje je středový snímač, volume a clona. Můžete mi někdo prosím vysvětlit, co jsem teoreticky udělal nahovno, když mi funguje jeden jedinej snímač? 
Re: zapojení snímačů
Teoreticky jsi mohl zničit přepínač přehřátím oček při letování, mohl jsi švihnout nebo zkratovat snímač...
Máš nějakej multimetr, abys v jednotlivých polohách změřil odpor na výstupu z kytary?
Můžeš dát foto?
Máš nějakej multimetr, abys v jednotlivých polohách změřil odpor na výstupu z kytary?
Můžeš dát foto?
Re: zapojení snímačů
Multimetr budu mít někdy zítra. Ten přepínač podle mýho funguje. Když přepínám, tak mi fungujou dvě polohy, obě pro střední snímač, pak přehodím na kobylkovej a rozepnutí kobylkovýho a nic se neděje. Jak se dá zkratovat snímač? Vzal jsem ty kontakty protáhl do oček a zalil cínem, nic víc jsem nedělal.kmensik píše:Teoreticky jsi mohl zničit přepínač přehřátím oček při letování, mohl jsi švihnout nebo zkratovat snímač...
Máš nějakej multimetr, abys v jednotlivých polohách změřil odpor na výstupu z kytary?
Můžeš dát foto?
Re: zapojení snímačů
Zdar, můj skromný tip je, že schema, které jsi použil asi není pro přepínač ve Tvém Stratu. Přepínačů existuje více typů, vypadají stejně, ale mají jiný spínací "program". Chybu bych hledal ve špatném připojení přepínače ač je podle wiring diagramu ze stránky SD - je to tam asi pro jiný přepínač
.
S opravami jsem skončil, žádné další zakázky už nepřijímám. Když budete mít jakýkoliv smysluplný technický dotaz týkající se elektronek, zesilovačů a "krabiček", klidně mě kontaktujte e-mailem: z.hronek@protonmail.com Když budu znát odpověď, budu mít čas a chuť, rád Vám odpovím. Děkuji.
Re: zapojení snímačů
Měl si pravdu. Schéma je pro fender přepínač, který má očka na střídačku, já měl přepínač s očkama za sebou. Stačilo najít obrázek na internetu a přepojit to, všechno jede jak má. Moc díky, musim uznat, že na to, že si zapojení neviděl si dokázal na to přijít, to se jenom tak nevidí, klobouk dolů!Tube Guru píše:Zdar, můj skromný tip je, že schema, které jsi použil asi není pro přepínač ve Tvém Stratu. Přepínačů existuje více typů, vypadají stejně, ale mají jiný spínací "program". Chybu bych hledal ve špatném připojení přepínače ač je podle wiring diagramu ze stránky SD - je to tam asi pro jiný přepínač.
Re: zapojení snímačů
Ahoj, do mého custom telecastera kde mám u krku p90 Dog Ear ( z laspaul junior, takže původně kobylkový) jsem koupil Fender Nocaster 51 ke kobyle místo původního SD Hotrails a strašně se mi to hádá v mezipoloze, každej zvlášť jede ok, ale v mezipoloze to zní jakoby ven šlo to nejhorší z každého snímače a vubec se neprosadí ta P90 i kddyž má hlasitostně navrch ( při porovnání pozuze krk/kobyla). Kde hledat chybu? přepínač je ok, tonova clona taky a vše pracuje jak má...pokud teda nejsem v té mezipoloze
že by špatná fáze, polarita magnetů nebo tak něco? Za každou radu předem dík !!! Nemám teď doma další snímače se kterýma to zkusit a kytaru potřebuju momentálně hratelnou tak jsem ji od té doby už nekuchal.
CUSTOM TELECASTER NAVRÁTIL..VintageModifiedJaguar..Sigma-GuitarsOMM-ST..Jolana Iris..BossTU3..DOD280Comp..FulltoneFulldrive ..E.Orange Vodka&Juice..DIY FatFuzzFactory..TC SparkBoostMini..DIY Delay..VintageSmallStone..EHXCathedral..TAP Tremolo..BossDD20...MMJUZ 40W..Roland JC120H...Pearl SunFlower
Re: zapojení snímačů
Přesně tak, jsou v protifázi. Jestli má kobylkový singl vývod dvěma nestíněnými dráty, prohoď je mezi sebou. Předpokládám, že P90 má stíněný jednodrát, ten nepřepóluješ.
Pokud nebude mezipoloha bez brumu, musel by se jeden ze snímačů otočit magneticky, což už je složitější.
Pokud nebude mezipoloha bez brumu, musel by se jeden ze snímačů otočit magneticky, což už je složitější.
Re: zapojení snímačů
Zdar, podle popisu to vypadá na opačné fázování a signály se odečítají. Nejsnadnější bude asi otočit jeden ze snímačů (u kterého je to jednodušší) o 180°. I vývody by bylo možné zaměnit pokud ovšem není stínění použito jako jeden vývod snímače; v tom případě by nebylo třeba otáčet snímač. Napsal jsem to hrozně, jak si to teď po sobě čtu, no snad to pochopíš
.
S opravami jsem skončil, žádné další zakázky už nepřijímám. Když budete mít jakýkoliv smysluplný technický dotaz týkající se elektronek, zesilovačů a "krabiček", klidně mě kontaktujte e-mailem: z.hronek@protonmail.com Když budu znát odpověď, budu mít čas a chuť, rád Vám odpovím. Děkuji.
Re: zapojení snímačů
Kobylkovej má vodiče zvlášť ale po přehození se to uplně uzemní a je to hluché, tzn jeden vodič je jako stínění..tuhle jednoduchou variantu jsem už zkoušel jelikož stačilo povolit 2 šroubky a přehodit 2 dráty, no nic budu to teda muset rozkuchat celé a otočit tu p90 o 180°ta má tedy pochopitelně stiněný drát ... dik za radu, snad to zabereTube Guru píše:Zdar, podle popisu to vypadá na opačné fázování a signály se odečítají. Nejsnadnější bude asi otočit jeden ze snímačů (u kterého je to jednodušší) o 180°. I vývody by bylo možné zaměnit pokud ovšem není stínění použito jako jeden vývod snímače; v tom případě by nebylo třeba otáčet snímač. Napsal jsem to hrozně, jak si to teď po sobě čtu, no snad to pochopíš.
CUSTOM TELECASTER NAVRÁTIL..VintageModifiedJaguar..Sigma-GuitarsOMM-ST..Jolana Iris..BossTU3..DOD280Comp..FulltoneFulldrive ..E.Orange Vodka&Juice..DIY FatFuzzFactory..TC SparkBoostMini..DIY Delay..VintageSmallStone..EHXCathedral..TAP Tremolo..BossDD20...MMJUZ 40W..Roland JC120H...Pearl SunFlower
Re: zapojení snímačů
otočení snímače nepomůže, i když to vypadá logicky (aspoň mě to nepomohlo, také jsem to viděl jako řešení). Jedině prohodit vývody.
Já se domnívám, že revoluce je zvrat k lepšímu. Kontrarevoliuce je síla, která tomuto zvratu brání. Kontrarevoluce se drží u moci zuby nehty. Ti starší už pouze nehty. (Zdeněk Svěrák, 1989)
Re: zapojení snímačů
Zkusím co pujde, pak dám věděttorst píše:otočení snímače nepomůže, i když to vypadá logicky (aspoň mě to nepomohlo, také jsem to viděl jako řešení). Jedině prohodit vývody.
CUSTOM TELECASTER NAVRÁTIL..VintageModifiedJaguar..Sigma-GuitarsOMM-ST..Jolana Iris..BossTU3..DOD280Comp..FulltoneFulldrive ..E.Orange Vodka&Juice..DIY FatFuzzFactory..TC SparkBoostMini..DIY Delay..VintageSmallStone..EHXCathedral..TAP Tremolo..BossDD20...MMJUZ 40W..Roland JC120H...Pearl SunFlower
Re: zapojení snímačů
To je asi jeden z drátků ke kobylkovému přiletovaný k baseplate, po přehození drátů vznikne zkrat, chtělo by to odletovat. Stínění zůstane připojené přes kobylku.
TG: Otočení o 180°takto nefunguje, musel by být vzhůru nohama!
TG: Otočení o 180°takto nefunguje, musel by být vzhůru nohama!