prosím o pomoc - Hartke Kilo
Pravidla fóra
-
ondracek59
- Nový uživatel
- Příspěvky: 1
- Registrován: 23.09.2016 21:38
prosím o pomoc - Hartke Kilo
Dobrý den,
Hraju na Hartke Kilo a potýkám se s problém "nastartovat ho"
Jedná se o hybridní zesilovač, po zapnutí má dojít k nahřátí lamp a po několika vteřinách dojde k cvaknutí (nejspíše relátka) a signál jde do koncového zesilovače a dále do repra.
Problém je v tom, že k cvaknutí dojde, nicméně z aparatury nejde žádný zvuk. Zesík se rozezvučí až po cca. 15 minutách, kdy dojde k druhému cvaknutí a signál jde z koncáku do reproboxu a pak hraje úplně bez problému.
To, zda je zesík studený nebo už zahřátý je jedno, dělá to pořád stejně - i když po 2 hodinách hraní zesík vypnu a ještě teplý ho zapnu, celá tragi-komedie se opakuje.
Nemáte někdo tucha? Nebo neporadí te mi, na koho se mohu v okolí Brna obrátit?
Děkuji
Hraju na Hartke Kilo a potýkám se s problém "nastartovat ho"
Jedná se o hybridní zesilovač, po zapnutí má dojít k nahřátí lamp a po několika vteřinách dojde k cvaknutí (nejspíše relátka) a signál jde do koncového zesilovače a dále do repra.
Problém je v tom, že k cvaknutí dojde, nicméně z aparatury nejde žádný zvuk. Zesík se rozezvučí až po cca. 15 minutách, kdy dojde k druhému cvaknutí a signál jde z koncáku do reproboxu a pak hraje úplně bez problému.
To, zda je zesík studený nebo už zahřátý je jedno, dělá to pořád stejně - i když po 2 hodinách hraní zesík vypnu a ještě teplý ho zapnu, celá tragi-komedie se opakuje.
Nemáte někdo tucha? Nebo neporadí te mi, na koho se mohu v okolí Brna obrátit?
Děkuji
- rotten77
- Moderátor
- Příspěvky: 2883
- Registrován: 8.03.2007 7:13
- Bydliště: Prostějov
- Kontaktovat uživatele:
Re: prosím o pomoc - Hartke Kilo
Podívej se sem: Opraváři a výrobci aparatur. Nejsem elektrikář, ale tipnul bych to na vytečené kondenzátory - to stejné mi kdysi dávno dělal počítač 
Hraju na kytary a mašinky
Re: prosím o pomoc - Hartke Kilo
Zdar, tu tragikomedii způsobují pravděpodobně vadné termistory zajišťující softstart. Zkus je (nebo si někým znalým nechej) vyměnit. Jsou zapojeny dva paralelně (NTC1 a NTC2). Takhle to tam vypadá.
S opravami jsem skončil, žádné další zakázky už nepřijímám. Když budete mít jakýkoliv smysluplný technický dotaz týkající se elektronek, zesilovačů a "krabiček", klidně mě kontaktujte e-mailem: z.hronek@protonmail.com Když budu znát odpověď, budu mít čas a chuť, rád Vám odpovím. Děkuji.
Re: prosím o pomoc - Hartke Kilo
To Tube Guru.Tube Guru píše:Zdar, tu tragikomedii způsobují pravděpodobně vadné termistory zajišťující softstart. Zkus je (nebo si někým znalým nechej) vyměnit. Jsou zapojeny dva paralelně (NTC1 a NTC2). Takhle to tam vypadá.
Zdar. U gallienů se někdy vyskytuje podobný problém, i když mě se to za 10 let používání nestalo. Konzultoval jsem to s panem Dvořáčkem z Boskovic, možná se znáte. Teď mi napadla asi nesmyslná věc: Nešel by ten obvod vyřadit a nahradit mechanickým páčkovým přepínačem? Něco jako je na Marshallech Stand by.
Schemata nemám, a i když se v elektronice TROCHU vyznám, zatím jsem tento problém nějak hlouběji nezkoumal. Co ty na to? Není to výzva?
GK MB 150 S, GK MB 800
- P. Bass Hand Made / SPB1 p.u. - P Bass Hand Made / Bare Knuckle PB 58 p.u.
J. Bass Hand Made / Bare Knuckle 60 PE p.u.------P. Bass Hand Made/Lollar PB p.u. -- J. bass Hand Made/ Lindy Fralin p.u.
- P. Bass Hand Made / SPB1 p.u. - P Bass Hand Made / Bare Knuckle PB 58 p.u.
J. Bass Hand Made / Bare Knuckle 60 PE p.u.------P. Bass Hand Made/Lollar PB p.u. -- J. bass Hand Made/ Lindy Fralin p.u.
Re: prosím o pomoc - Hartke Kilo
Zdar, Tvůj nápad chápu, leč nějaký přínos v tom nevidím, podobnost se "standby" je velmi vzdálemá z důvodu řádově odlišných časů působení - u standby minuty u softstartu milisekundy. Jako (nej)vhodnější se mi jeví výměna termistorů.
Toroidní trafa mají malou impedanci - jsou tvrdá a při přímém připojení do sítě vzniká (podle podle okamžitého napětí u=Umax*sinω a výkonu trafa) větší nebo menší proudová špička, což vede často k vyrážení jističe. U toroidních traf je softstart od určitého výkonu téměř nutností a termistory jsou nejjednodušší způsob jak jej zajistit. U termistoru bych určitě zůstal, možná by stálo za úvahu nahradit původní dva 5Ω zapojené paraleně jedním - např. tento:
http://www.tme.eu/cz/details/b57237s025 ... ntc/epcos/
by mohl plně vyhovovat. Pokud je ovšem příčinou opravdu termistor
.
Toroidní trafa mají malou impedanci - jsou tvrdá a při přímém připojení do sítě vzniká (podle podle okamžitého napětí u=Umax*sinω a výkonu trafa) větší nebo menší proudová špička, což vede často k vyrážení jističe. U toroidních traf je softstart od určitého výkonu téměř nutností a termistory jsou nejjednodušší způsob jak jej zajistit. U termistoru bych určitě zůstal, možná by stálo za úvahu nahradit původní dva 5Ω zapojené paraleně jedním - např. tento:
http://www.tme.eu/cz/details/b57237s025 ... ntc/epcos/
by mohl plně vyhovovat. Pokud je ovšem příčinou opravdu termistor
S opravami jsem skončil, žádné další zakázky už nepřijímám. Když budete mít jakýkoliv smysluplný technický dotaz týkající se elektronek, zesilovačů a "krabiček", klidně mě kontaktujte e-mailem: z.hronek@protonmail.com Když budu znát odpověď, budu mít čas a chuť, rád Vám odpovím. Děkuji.
Re: prosím o pomoc - Hartke Kilo
O tvrdosti toroidů my povídej
Mě jednou u malýho galliena při zapnutí vylétla pojistka a Bob už ji nedává zvenku dostupnou, ale přímo na plošňák. T.j rozebrat zesilovač
Ale ještě k tomu co jsem psal: Já myslel původní síťový vypínač samozřejmě zachovat a ty blbý termistory vyhodit a nahradit přepínačem - vypínačem repro. Ale teď si uvědomuju, že nevím, zda připojují jen repro nebo celý koncák. Je to na hlubší studii a stejně asi ztráta času. Tvými slovy - "už nebudu opotřebovávat klávesnici" Howgh
Ale ještě k tomu co jsem psal: Já myslel původní síťový vypínač samozřejmě zachovat a ty blbý termistory vyhodit a nahradit přepínačem - vypínačem repro. Ale teď si uvědomuju, že nevím, zda připojují jen repro nebo celý koncák. Je to na hlubší studii a stejně asi ztráta času. Tvými slovy - "už nebudu opotřebovávat klávesnici" Howgh
GK MB 150 S, GK MB 800
- P. Bass Hand Made / SPB1 p.u. - P Bass Hand Made / Bare Knuckle PB 58 p.u.
J. Bass Hand Made / Bare Knuckle 60 PE p.u.------P. Bass Hand Made/Lollar PB p.u. -- J. bass Hand Made/ Lindy Fralin p.u.
- P. Bass Hand Made / SPB1 p.u. - P Bass Hand Made / Bare Knuckle PB 58 p.u.
J. Bass Hand Made / Bare Knuckle 60 PE p.u.------P. Bass Hand Made/Lollar PB p.u. -- J. bass Hand Made/ Lindy Fralin p.u.
Re: prosím o pomoc - Hartke Kilo
Borci, na dvojici správně dimenzovaných termistorů zapojených paralelně v "softstartu" nemá co odejít...
Nemám bohužel schéma a netuším, proč jsou tam ta dvě slyšitelná cvaknutí relátek. Každopádně to druhé cvaknutí je pravděpodobně z obvodu zpožděného připojení repra (+ochrana proti DC) a musí přijít dřív než za 15min. Dle infa je tento čas nezávislý na teplotě, proto problém nejspíš bude se samotnou ochranou - vadný elektrolyt v časovacím obvodu nebo detekuje dc složku na výstupu.
Který z těchto problémů by to mohl být se dá zjistit pomocí voltmetru během zmíněných 15 min.
Pokud elektru moc neholduješ, tak to přenech zkušenějšímu elektronikovi na opravu.
Nemám bohužel schéma a netuším, proč jsou tam ta dvě slyšitelná cvaknutí relátek. Každopádně to druhé cvaknutí je pravděpodobně z obvodu zpožděného připojení repra (+ochrana proti DC) a musí přijít dřív než za 15min. Dle infa je tento čas nezávislý na teplotě, proto problém nejspíš bude se samotnou ochranou - vadný elektrolyt v časovacím obvodu nebo detekuje dc složku na výstupu.
Který z těchto problémů by to mohl být se dá zjistit pomocí voltmetru během zmíněných 15 min.
Pokud elektru moc neholduješ, tak to přenech zkušenějšímu elektronikovi na opravu.
Re: prosím o pomoc - Hartke Kilo
Zdar, borče na dvojici termistorů nemusí nic odcházet, stačí když teplem, které produkují vznikne studený spoj (odpájí se noha termistoru); na druhou stranu je možná i Tvoje varianta s poruchou v ochranném obvodu.
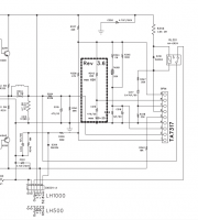
Je tam integrovaný obvod TA7317, zkoumat se mi to dnes nechce, má-li někdo zájem zde je příslušná část obvodu:
Je tam integrovaný obvod TA7317, zkoumat se mi to dnes nechce, má-li někdo zájem zde je příslušná část obvodu:
S opravami jsem skončil, žádné další zakázky už nepřijímám. Když budete mít jakýkoliv smysluplný technický dotaz týkající se elektronek, zesilovačů a "krabiček", klidně mě kontaktujte e-mailem: z.hronek@protonmail.com Když budu znát odpověď, budu mít čas a chuť, rád Vám odpovím. Děkuji.
Re: prosím o pomoc - Hartke Kilo
Tube Guru: Ty termistory na vstupu 230V tam opravdu jsou přesně podle schématu, které jsi posílal? Pokud by byla chyba u nich, tak by mu nesvítila ani kontrolka zapnutí.
První cvaknutí relátka bude cvaknutí softstartu - 1kw zesilovač už by měl mít softstart s relátkem přemosťujícím termistor nebo výkonový rezistor.
ondracek59: Můžu se ti na to podívat, jsem v Brně. Pošli mi kdyžtak mail/sz a domluvíme se.
První cvaknutí relátka bude cvaknutí softstartu - 1kw zesilovač už by měl mít softstart s relátkem přemosťujícím termistor nebo výkonový rezistor.
ondracek59: Můžu se ti na to podívat, jsem v Brně. Pošli mi kdyžtak mail/sz a domluvíme se.