Vox AC 30 CC2
Pravidla fóra
Re: Vox AC 30 CC2
Snadnou podifikací je úprava hodnoty toho "bright cap", popř. pořešit i bright cap na Normal ch. Pokud umíš alespoň trochu s pájkou, tak si koupíš nějaké mica kondíky v Gesu po dvacce a můžeš zkoušet. Zkus třeba hodnoty od 50 do 150pF. Ve voxovi jsou myslím tyhle kondíky keramika, to ale neva. Odstřihnout bright cap úplně je u Voxe prasárna, je to ale velmi oblíbená "americká" úprava pro hraní v ložnici...
Do úprav různých odpůrků a koncíků všude možně po celém aparátu bych se moc nepouštěl. Pak to totiž neprodáš a pokud to prodáš jako neupravované, tak je to dost velká hajz...a. Leda, že bys to pak vrátil do původního stavu a moc to přitom "nedoj...l"
Ladění aparátu je na dlouho. Určitě bych to neřešil tak, že řekneš Horkému, že chceš, aby tam bylo míň výšek, on ti tam napájí namísto 120pF třeba 50pF a ty pak při hraní s kapelou zjistíš, že ti tam výšky nelezou tak jak chceš a pojedeš aparát zase upravovat.
Pohraj si s nastavením na CC2, jsou tam různe přepínače vzadu, doma se to moc neprojevuje, ale když je ten aparát alespoň trochu vytavený, tak je to dost znát. Je tam třeba i přepínač na to, jestli se poťáky Bass a Treble budou chovat tradičně "Voxovsky" a nebo standardně - v tom je celkem sakra velký rozdíl. Pak je tam ještě nějaké filtrování a to, jak je aparát "nabiasovaný".
Pak ještě můžeš poladit výšku snímačů na kytaře, většinou vídám u všech snímače nesmyslně vysoko u strun - má to jedovatý nepřirozený zvuk. Když jim to hodím trochu dole, tak všichni hledí, jak najednou ta kytara hraje příjemně a ne tak tvrdě.
Do úprav různých odpůrků a koncíků všude možně po celém aparátu bych se moc nepouštěl. Pak to totiž neprodáš a pokud to prodáš jako neupravované, tak je to dost velká hajz...a. Leda, že bys to pak vrátil do původního stavu a moc to přitom "nedoj...l"
Ladění aparátu je na dlouho. Určitě bych to neřešil tak, že řekneš Horkému, že chceš, aby tam bylo míň výšek, on ti tam napájí namísto 120pF třeba 50pF a ty pak při hraní s kapelou zjistíš, že ti tam výšky nelezou tak jak chceš a pojedeš aparát zase upravovat.
Pohraj si s nastavením na CC2, jsou tam různe přepínače vzadu, doma se to moc neprojevuje, ale když je ten aparát alespoň trochu vytavený, tak je to dost znát. Je tam třeba i přepínač na to, jestli se poťáky Bass a Treble budou chovat tradičně "Voxovsky" a nebo standardně - v tom je celkem sakra velký rozdíl. Pak je tam ještě nějaké filtrování a to, jak je aparát "nabiasovaný".
Pak ještě můžeš poladit výšku snímačů na kytaře, většinou vídám u všech snímače nesmyslně vysoko u strun - má to jedovatý nepřirozený zvuk. Když jim to hodím trochu dole, tak všichni hledí, jak najednou ta kytara hraje příjemně a ne tak tvrdě.
Re: Vox AC 30 CC2
Zdar, žádnou prasárnu ve vycviknutí "bright cap" nevidím. Zatímco u zesilovačů, které nejsou tak "navýškované" dělá dobrou práci při nízkých hlasitostech, u "převýškovaného" Voxe je spíš na závadu a změna jeho kapacity nestačí. Přepínání biasu mezi "warm" a "hot" kmitočtový průběh v podstatě neovlivní, ovlivní jen od jaké velikosti signálu začnou "kreslit" koncové EL84. Na to jak velký vliv má na funkci korekcí přepínač "EQ shift switch" si už nepamatuji, ale podle způsobu zapojení tipuji, že výrazný vliv to nebude. Holt kytaristé chtějí knoflíky a přepínače, tak jim je Vox za patřičný obnos nabídnul i když toho třeba až tak moc nedělají. 
S opravami jsem skončil, žádné další zakázky už nepřijímám. Když budete mít jakýkoliv smysluplný technický dotaz týkající se elektronek, zesilovačů a "krabiček", klidně mě kontaktujte e-mailem: z.hronek@protonmail.com Když budu znát odpověď, budu mít čas a chuť, rád Vám odpovím. Děkuji.
Re: Vox AC 30 CC2
No, on se umí zvuk u Voxe docela měnit v závislosti na hlasitosti. S volume někde na 9 hodinách to hraje úplně jinak než s Volume na půlce, kdy se ten zvuk opravdu začne hodně kulatit. Při hlasitosti nad nějakých 60% už je spíš potřeba výšky dohánět, proto všechny ty treble boostery v šedesátých a sedmdesátých letech...
Vytavený Vox je středový aparát, skoro nic jiného než středy z něj nelezou. Samozřejmě v případě spárování s Alnico Blue nebo Gold, kdy ty repra začnou taky "kultivovat" zvuk.
Pro čistý zvuk je mnohdy mnohem lepší nastavit aparát na lehké zkreslení nebo alespoň lehoučký crunch a pak Volume na kytaře tvořit ten čistý zvuk.
U Voxe hlavně platí to, že je nesmysl používat Master Volume - ten dokáže zvuk dokonale zmrvit. Pokud aparát potřebuju nakreslit, tak buď brzda nebo alespoň použít zátěž v kombinaci s bednou (zapojeno paralelně), kdy se "hluk" o něco málo sníží.
Život s AC30 je docela těžký, je to prostě aparát ze staré školy. Něco jako JTM45 od Marshalla, ten funguje podobně "blbě" a prostě hraje dobře akorát při určité hlasistosti.
Možná se Ajdamovi zvuk zdá spíš tak nějak tenký, uřvaný a není to ani o nějakých agresivních výškách (ty se imho dají u Voxe docela krásně krotit ovladači Treble a Cut - co víc chtít) jako spíš o tom, že to charakteristické zkreslení EL84 je prostě takové "divoké" (angláni a amíci tomu říkají "Blizzard of nails") a aparát s těmahle malýma flaštičkama nebude asi nikdy hrát tak "dunivě" a "dospěle" jako třeba zesík s 6L6 nebo KT66.
Mám teď doma vedle sebe AC30 a JTM45 a ty zvuky jsou prostě totálně rozdílné. Obě jedu přes dvě alnica Blue v otevřené bedně. Zvuk obou aparátů je naprosto dokonalý, ale přitom jsou oba zesíky tak strašně rozdílné - jinak posazené středy, jiný charakter při přechodu do zkreslení atd.
Možná prostě Vox pro Ajdama není a víc by si rozuměl s něčím jiným...
Vytavený Vox je středový aparát, skoro nic jiného než středy z něj nelezou. Samozřejmě v případě spárování s Alnico Blue nebo Gold, kdy ty repra začnou taky "kultivovat" zvuk.
Pro čistý zvuk je mnohdy mnohem lepší nastavit aparát na lehké zkreslení nebo alespoň lehoučký crunch a pak Volume na kytaře tvořit ten čistý zvuk.
U Voxe hlavně platí to, že je nesmysl používat Master Volume - ten dokáže zvuk dokonale zmrvit. Pokud aparát potřebuju nakreslit, tak buď brzda nebo alespoň použít zátěž v kombinaci s bednou (zapojeno paralelně), kdy se "hluk" o něco málo sníží.
Život s AC30 je docela těžký, je to prostě aparát ze staré školy. Něco jako JTM45 od Marshalla, ten funguje podobně "blbě" a prostě hraje dobře akorát při určité hlasistosti.
Možná se Ajdamovi zvuk zdá spíš tak nějak tenký, uřvaný a není to ani o nějakých agresivních výškách (ty se imho dají u Voxe docela krásně krotit ovladači Treble a Cut - co víc chtít) jako spíš o tom, že to charakteristické zkreslení EL84 je prostě takové "divoké" (angláni a amíci tomu říkají "Blizzard of nails") a aparát s těmahle malýma flaštičkama nebude asi nikdy hrát tak "dunivě" a "dospěle" jako třeba zesík s 6L6 nebo KT66.
Mám teď doma vedle sebe AC30 a JTM45 a ty zvuky jsou prostě totálně rozdílné. Obě jedu přes dvě alnica Blue v otevřené bedně. Zvuk obou aparátů je naprosto dokonalý, ale přitom jsou oba zesíky tak strašně rozdílné - jinak posazené středy, jiný charakter při přechodu do zkreslení atd.
Možná prostě Vox pro Ajdama není a víc by si rozuměl s něčím jiným...
Re: Vox AC 30 CC2
To je sice možný, ale všechny ostatní zesilovače, co jsem zatím zkoušel, mě bavily míň, než Voxqwer píše:
Možná prostě Vox pro Ajdama není a víc by si rozuměl s něčím jiným...
No nic, do schématu AC30 hrabat nebudu, nechám to tak, jak to je.
Nové album Dusty road:
https://thetrainrobbers1.bandcamp.com/album/dusty-road
Spotify: https://open.spotify.com/artist/1nDGZua ... l_branch=1
fb: https://www.facebook.com/TheTrainRobbers.cz/
https://thetrainrobbers1.bandcamp.com/album/dusty-road
Spotify: https://open.spotify.com/artist/1nDGZua ... l_branch=1
fb: https://www.facebook.com/TheTrainRobbers.cz/
Re: Vox AC 30 CC2
Určitě můžu doporučit to JTM45. Do 1974x (18 watt) bych na tvém místě nešel, je to suprový aparát, ale zvukově je to trochu do Voxe, takže by mě to přišlo jako nosit dříví do lesa.ajdam píše:To je sice možný, ale všechny ostatní zesilovače, co jsem zatím zkoušel, mě bavily míň, než Voxqwer píše:
Možná prostě Vox pro Ajdama není a víc by si rozuměl s něčím jiným...Pravda, mám už dost dlouho zálusk na nějakou slabší plexinu.
No nic, do schématu AC30 hrabat nebudu, nechám to tak, jak to je.
50W Plexiny jsou pak takové dravější a už je to takový ten klasický Marshall sound. To JTM45 je pořád tak trochu Fender.
Re: Vox AC 30 CC2
Mě na 1974X láká právě těch 18W výkonu. Je fakt, že zvukem to do Hendrixe uplně neni... ale taky se mi líbí 
Nové album Dusty road:
https://thetrainrobbers1.bandcamp.com/album/dusty-road
Spotify: https://open.spotify.com/artist/1nDGZua ... l_branch=1
fb: https://www.facebook.com/TheTrainRobbers.cz/
https://thetrainrobbers1.bandcamp.com/album/dusty-road
Spotify: https://open.spotify.com/artist/1nDGZua ... l_branch=1
fb: https://www.facebook.com/TheTrainRobbers.cz/
Re: Vox AC 30 CC2
Tak už jsem přišel na to, v čem byl zakopanej pes. Zvuk mi mrvila efektová smyčka. Když je seplá, tak kombo ztratí podstatnou část basů.
Nové album Dusty road:
https://thetrainrobbers1.bandcamp.com/album/dusty-road
Spotify: https://open.spotify.com/artist/1nDGZua ... l_branch=1
fb: https://www.facebook.com/TheTrainRobbers.cz/
https://thetrainrobbers1.bandcamp.com/album/dusty-road
Spotify: https://open.spotify.com/artist/1nDGZua ... l_branch=1
fb: https://www.facebook.com/TheTrainRobbers.cz/
Re: Vox AC 30 CC2
Já jsem nechal na svém CC2 udělat modifikaci Lyla Caldwella a mohu ji jen doporučit. Zvuk je stále cinkavý, typický voxovský, ale kombo celkově zhutnělo, zvuk se zvětšil. Vzpomínám si, že podobný skok ve zvuku Voxe AC30 jsem zažil, když kamarád přešel z CC2X na klon od JMI. Připadalo nám, jako že je ten aparát najednou snad 4x většíajdam píše:Nemáte někdo zkušenosti s různými modifikacemi tohoto aparátu? Kombo plánuju hodit do servisu k Pavlu Horkému a přemýšlím, že bych si u něj objednal zároveň i nějaký mod. O co mi jde: Kombo je dost navýškované a zní celkově dost plechově. To mi vyhovuje do funkové kapely, pak mám ale ještě jednu punkovou, kde jsem jediný kytarista a na to mi ten zvuk připadá moc tenký. Koukal jsem na jakýsi "Lyle Caldwell" mod, kderý by údajně měl tu jedovatost trochu ukočírovat: Má smysl o něčem takovém uvažovat?
1 – R6 and R7 are the plate resistors for V1 (Top Boost and Normal channels). In the Custom Classic they are 100K resistors. Change these to 220K resistors.
2 – there is a 120pf bright cap (C13) across the Top Boost volume knob. The “vintage” spec for this cap was 100pf, but to sound more like a 40 year old AC30 with 40 year old speakers I find that 68pf is a more pleasing value.
3 – Vox went with a 56pf treble cap in the tone stack (C16). Changing this to the “vintage” 47pf value very slightly reduces the treble.
4 – they have made the Normal channel fairly useless in tone (way too dark or way too bright) and limited its max gain. Jumper the 330K resistor ahead of the Normal volume pot (R49), change the 220pf bright cap (C12) to a 100pf cap, and then put a 68pf cap across lugs 1 and 2 of the Normal volume pot. This will allow the Normal channel to have more gain and go from a warmer but not too dark sound to a brighter but not too bright sound.
5 – Vox effed up the effects loop due to a typo. In many Custom Classics there is a drastic loss of low end when the effects loop is on. Many people think “the loop sucks” as a result. It’s actually a fantastic effects loop once one capacitor is changed.
Měl jsem možnost vyzkoušet zapojit do stejnýho boxu s Alnico Blue najdřív CC2 s modifikací "Lyle Caldwell" a potom originál Vox (rok 66 nebo 67) a ta modifikace opravdu funguje a dostane to kombo zvukově do starý JMI éry.
Ta modifikace Lyla Caldwella v ještě důkladnější variantě ovšem počítá ještě výměnou výstupního trafa, tlumivky a výměny signálových kondenzátorů za klon Mullard "mustard" od fy Sozo. To už ale poleze víc do peněz.
Re: Vox AC 30 CC2
Díky za tvoje poznatky.
Ono je to s laděním aparátu dost těžké. Pro jednoho je zvuk tenký a jedovatý, pro druhého zase moc tlustý a "pod dekou".
Dnešní reedice starých aparátů jsou podle mě laděny tak trochu víc "bright", aby si to rozumělo se všemi těmi silnými keramickými snímači v levných (to je dnes do 20t.?) kytarách, aby to umělo fungovat se silnýma humbáčema atd.
Myslím si, že to, že dnes do Voxe nedají kondík 100pF, ale nacpou tam místo něj 120pF, nesouvisí ani tak s šetřením nebo neschopností, je to spíš jakési "přizpůsobení se".
Ale zpátky k tomu upgradu aparátu. Určitě je to super pro někoho, kdo je s aparátem spokojený a chce si ho nechat, má rád jeho "základní" zvuk. Pokud tohle nefunguje, tak to většinou končí blbě - časem se totiž zjistí, že to sice hraje jinak, ale ne zas tak úplně jinak a prodej takového modifikovaného aparátu je opravdu na hodně dlouhou dobu.
Pokud je člověk schopný úpravy udělat sám, tak je to značka ideál - může si úpravy vyzkoušet s kapelou. na velkou hlasitost, s různými nástroji. Nelíbí se mi kondík 68pF, zkusím 100pF apod. Dojet s aparátem k nějakému staviteli a říct mu "Je to moc do výšek, neco s tím udělej..." nemusí vždy úplně fungovat.
Výměna pár kondíků a odpůrků je záležitostí pár korun, horší je to s trafy. Dobrá sada na Vox je kolem 7-8t., a to jsme u levnějších firem. Není lepší to celé prodat a koupit aparát ze šedesátek než se takhle trápit?
Ceny AC30 z pozdních šedesátek ještě před neslavnou Dallas érou nejsou až tak brutální, pořád je tam lampový usměrňovač, Alnica...
Ono je to s laděním aparátu dost těžké. Pro jednoho je zvuk tenký a jedovatý, pro druhého zase moc tlustý a "pod dekou".
Dnešní reedice starých aparátů jsou podle mě laděny tak trochu víc "bright", aby si to rozumělo se všemi těmi silnými keramickými snímači v levných (to je dnes do 20t.?) kytarách, aby to umělo fungovat se silnýma humbáčema atd.
Myslím si, že to, že dnes do Voxe nedají kondík 100pF, ale nacpou tam místo něj 120pF, nesouvisí ani tak s šetřením nebo neschopností, je to spíš jakési "přizpůsobení se".
Ale zpátky k tomu upgradu aparátu. Určitě je to super pro někoho, kdo je s aparátem spokojený a chce si ho nechat, má rád jeho "základní" zvuk. Pokud tohle nefunguje, tak to většinou končí blbě - časem se totiž zjistí, že to sice hraje jinak, ale ne zas tak úplně jinak a prodej takového modifikovaného aparátu je opravdu na hodně dlouhou dobu.
Pokud je člověk schopný úpravy udělat sám, tak je to značka ideál - může si úpravy vyzkoušet s kapelou. na velkou hlasitost, s různými nástroji. Nelíbí se mi kondík 68pF, zkusím 100pF apod. Dojet s aparátem k nějakému staviteli a říct mu "Je to moc do výšek, neco s tím udělej..." nemusí vždy úplně fungovat.
Výměna pár kondíků a odpůrků je záležitostí pár korun, horší je to s trafy. Dobrá sada na Vox je kolem 7-8t., a to jsme u levnějších firem. Není lepší to celé prodat a koupit aparát ze šedesátek než se takhle trápit?
Re: Vox AC 30 CC2
Díky za poznatky, nápad s modifikací jsem nakonec zavrhl, stačilo mi vypnout ef. smyčku. Basy to dost posílilo, ale nastal problém s tím, že mi teď při hraní hlubokého A celej kejs rezonuje a drnčí
. Utáhl jsem všechny šrouby, ale stejně mi ten zadní dekl stále drnčí. Kombo už je staré a otřískané a za celou kariéru bylo rozmontováno a opět sešroubováno mnohokrát. Myslíte že by mohlo pomoct spoje desek něčím "vypolstrovat" (třeba nařezanou starou duší od kola)?
Nové album Dusty road:
https://thetrainrobbers1.bandcamp.com/album/dusty-road
Spotify: https://open.spotify.com/artist/1nDGZua ... l_branch=1
fb: https://www.facebook.com/TheTrainRobbers.cz/
https://thetrainrobbers1.bandcamp.com/album/dusty-road
Spotify: https://open.spotify.com/artist/1nDGZua ... l_branch=1
fb: https://www.facebook.com/TheTrainRobbers.cz/
Re: Vox AC 30 CC2
Ono takhle může drnčet něco úplně jiného a do té zadní desky se to jen přenáší... Může to být špatně přišroubované šasi, popř. může drnčet něco na šasi atd. Hledání je vždy dost nezábavné a zdlouhavé. Gumu bych tam necpal, když je to prostě pevně přišroubované, aby to bylo fakt fest, tak to drnčet nebude - max že by se občas potkávaly nějaké spoje, někdy to chce vychytat i to, jak přesně to přišroubovat. Mě v tomhle paradoxně nějvětší binec dělalo jedno ultradrahé jůesej kombo, ktere fakt drnčelo takovým způsobem, že už málem letělo z okna. Přitom jen stačilo šasi posunout cca o pul milimetru od přesní desky a bylo po problému...
Re: Vox AC 30 CC2
Ahoj, uvažuji o koupi Voxe AC30, ale potřeboval bych trochu osvětlit, která z různých modifikací tohoto aparátu je nejlepší. Jde mi především o to, která je nejvíce podobná klasické původní AC30 + která nejméně padá na ceně (ročník-místo výroby atd.)
Díky moc za odpovědi.
Díky moc za odpovědi.
Re: Vox AC 30 CC2
Doporucuji bud Heritage (2007-2009, cina) nebo soucasnou Handwired (2010-soucasnost, vietnam). Imho mnohem lepsi nez morris era, anglicke korgy, cinske rady custom classic nebo custom. Nejlepsi je samozrejme original ze sedesatych let, ale tam zase mohou byt problemy s dosluhujicimi soucastkami atd. Jednoho takoveho Voxe jsem zazil u Pavlicka - byl to opravdu hodne "temperamentni" aparat, hral ale krasne.
Re: Vox AC 30 CC2
Zdravím, mám teď s Voxem takový problém (Custom classic). Cca před rokem začal po delší době hraní chrčet a vypadávat. Odnesl jsem jej na servis k panu Feierreslovi, který žádnou závadu neobjevil. Vyměnil všechny lampy a odstranil bastl, který tam nějaký předchozí majitel udělal (lampový usměrňovač byl obejitý přes samodomo tranzistor). Teď cca po roce, kdy jsem na něj ani moc nehrál, se znovu objevilo stejné chrčení. Nechci si hrát na elektrikáře, jen by mě zajímalo jestli někdo nemá s tímto aparátem podobné zkušenosti. Případně pokud byste mi doporučili nějakého servisáka v Praze budu rád. K Feierreslovi už nechci.
Nové album Dusty road:
https://thetrainrobbers1.bandcamp.com/album/dusty-road
Spotify: https://open.spotify.com/artist/1nDGZua ... l_branch=1
fb: https://www.facebook.com/TheTrainRobbers.cz/
https://thetrainrobbers1.bandcamp.com/album/dusty-road
Spotify: https://open.spotify.com/artist/1nDGZua ... l_branch=1
fb: https://www.facebook.com/TheTrainRobbers.cz/
Re: Vox AC 30 CC2
Slávek Šámal http://4rockers.eu/
Re: Vox AC 30 CC2
Tak mi můj ac30cc2x onemocněl, po dlouhé době jsem chtěl využít FX smyčku a ouha nic - po připojení čehokoliv na send je kombo hluché a poslání výstupu z jiného preampu na return ticho. Po opatrném rozmontování jsem hledal nějaký vytržený drátek nebo studenak ale všechno vypadá mechanický v pořádku, poradí mi někdo čím začít?
V okolí Brna jsem bohužel normálního servisaka jeste nepotkal a nehodlám taky půl roku čekat...
V okolí Brna jsem bohužel normálního servisaka jeste nepotkal a nehodlám taky půl roku čekat...
Re: Vox AC 30 CC2
V okolí Brna...Takovej aparát už bych radši nechal servisovat někoho zkušenýho a z Brna je furt dobře dostupnej Pavel Horkej (HOTamps)
Re: Vox AC 30 CC2
zkus nekolikrat (treba 50x) prepnout tim prepinacem na smycku. taky zkus nekolikrat zasunout/vysunout kabel z tech jacku. vetsinou to byva jen spatny kontakt. kabel je 100% ok?
Re: Vox AC 30 CC2
Tak babské rady jsem samozřejmě zkoušel, jestli je to jackem nevím, a asi mi vážně nezbyde nic jiného než zajet 100km k Horkému.
Musím říct že tento konkrétní vox mě kvalitou zpracování hodně zklamal, a to nový stál kdysi tuším přes 35 tisíc. Tuhle jsem ještě na živáku ztratil plastové kolečko kolem jacku na normal kanálu... asi přišel čas přejít na digitál
Musím říct že tento konkrétní vox mě kvalitou zpracování hodně zklamal, a to nový stál kdysi tuším přes 35 tisíc. Tuhle jsem ještě na živáku ztratil plastové kolečko kolem jacku na normal kanálu... asi přišel čas přejít na digitál
Re: Vox AC 30 CC2
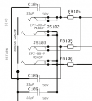
Zdar, Doktore neztrácej naději
. Příčina bude s největší pravděpodobností právě v dlouhodobém nepoužívání FX smyčky. Typickou závadou bývá v tomto případě nefunkční rozpínací kontakt některé z jackových zásuvek "send" nebo "return". Po pročištění (ovšem ne žádným pilníčkem, ale protažením papírového pásku) a najustování kontaktu závada zmizí. Mám na mysli tyto kontakty:
S opravami jsem skončil, žádné další zakázky už nepřijímám. Když budete mít jakýkoliv smysluplný technický dotaz týkající se elektronek, zesilovačů a "krabiček", klidně mě kontaktujte e-mailem: z.hronek@protonmail.com Když budu znát odpověď, budu mít čas a chuť, rád Vám odpovím. Děkuji.