Opravy efektů?

Pedály, multiefekty, procesory, ...
Odpovědět
Uživatelský avatar
torst
Příspěvky: 7197
Registrován: 26.01.2010 14:19

Re: Opravy efektů?

Příspěvek od torst »

Dostal se ke mně historický Small Stone. Stříbrnej, ´70 styl, napájení minijackem.
https://reverb.com/p/electro-harmonix-s ... se-shifter
Hraje, ale nephaseruje. Jak jsem googlil, je to poměrně známá závada :
https://www.ehx.com/forums/viewthread/3299/#36194
https://www.diystompboxes.com/smfforum/ ... c=106284.0
Měl by být vadný jeden (nebo více?) z 5ti integráků. Poradíte který a zač jej v našich podmínkách vyměnit? Nebo mám raději poslat někomu z místních specialistů? Děkuji za každou radu !
Já se domnívám, že revoluce je zvrat k lepšímu. Kontrarevoliuce je síla, která tomuto zvratu brání. Kontrarevoluce se drží u moci zuby nehty. Ti starší už pouze nehty. (Zdeněk Svěrák, 1989)
Uživatelský avatar
Trevor
Odborník
Příspěvky: 1746
Registrován: 18.04.2011 16:32

Re: Opravy efektů?

Příspěvek od Trevor »

Jedna až čtyři jsou na efekt,ty dva dole jsou generator bych rekl,takze nejde generator?
to si můžeš zkusit že pres kondík si normálně do vstupu zesíku pustíš výstup toho generátoru, jestli uslyšíš že jede...tak potom dál..
se můžou projet ty ostatní díly
ale u toho generátoru bych začal, ta tím 10kOhm odporem z nožky č6 A6
Provádím základní měření elektronek a drobné opravy a úpravy elektronkových aparátů a věcí kolem hraní. Vše je na domluvě - Severní Čechy
Dotazy prosím do SZ
Uživatelský avatar
Tube Guru
Odborník
Příspěvky: 2025
Registrován: 13.11.2011 21:07
Bydliště: Země, ČR dočasně

Re: Opravy efektů?

Příspěvek od Tube Guru »

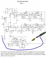
Zdar, na operační zesilovače v Small Stone nejsou žádné zvláštní požadavky, vyhoví jakýkoliv pinově záměnný ze šuplíkových zásob dokonce i vysmívaná 741. Podle Tvého popisu závady to vypadá na nefunkční pomaloběžný oscilátor (LFO), neboť je nepravděpodobné, že by "odešly" všechny 4 OZ ve fázovacích jednotkách. Nemusí být nutně vadný OZ, možná jen špatný spoj.
Electro Harmonix Small Stone.pdf
(14.41 KiB) Staženo 171 x
Přeji úspěšnou opravu :) .
S opravami jsem skončil, žádné další zakázky už nepřijímám. Když budete mít jakýkoliv smysluplný technický dotaz týkající se elektronek, zesilovačů a "krabiček", klidně mě kontaktujte e-mailem: z.hronek@protonmail.com Když budu znát odpověď, budu mít čas a chuť, rád Vám odpovím. Děkuji.
Uživatelský avatar
torst
Příspěvky: 7197
Registrován: 26.01.2010 14:19

Re: Opravy efektů?

Příspěvek od torst »

Děkuju moc za rady a za schema. Trevor : Tomu postupu moc nerozumím, vytáhnout konečný zvuk nikoli z výstupu ale odněkud z prostředku obvodu?
jEŠTĚ TEDY ZKUSÍM PROPÍSKAT NĚJAKÉ SPOJE NA PLOŠŇÁKU ALE TÍM TO ASI NEBUDE.
V diskusi na US webu radili vyměnit ten OZ pod switchem Color. (?).
Mám na skladě JRC 4558 (reedici), to by mohla být důstojná náhrada za původní EH. I když tím efekt stejně provždy přijde o původní vintagerelicmojo a na Ebayi ho už za 1/4 mega neprodám ... :)
Já se domnívám, že revoluce je zvrat k lepšímu. Kontrarevoliuce je síla, která tomuto zvratu brání. Kontrarevoluce se drží u moci zuby nehty. Ti starší už pouze nehty. (Zdeněk Svěrák, 1989)
Uživatelský avatar
Trevor
Odborník
Příspěvky: 1746
Registrován: 18.04.2011 16:32

Re: Opravy efektů?

Příspěvek od Trevor »

4558 je ti na prd, to je poněkud jiný oz
pokud platí to schema co sem dal tg, tak dole máš napsáno co to je za oz, je to napětím řízený zesilovač pokud se nepletu a výměna za 741 asi nebude uplně to pravé, ale to je jedno..
kdybys sem dal foto vnitřku toho tvého, bylo by to fajn
já ti nakreslím co jsem měl na mysli s tou zkouškou generátoru.
takhle vyzkoušíš zda funguje, uslyšíš ho v zesilovači
Přílohy
small.jpg
Provádím základní měření elektronek a drobné opravy a úpravy elektronkových aparátů a věcí kolem hraní. Vše je na domluvě - Severní Čechy
Dotazy prosím do SZ
Uživatelský avatar
torst
Příspěvky: 7197
Registrován: 26.01.2010 14:19

Re: Opravy efektů?

Příspěvek od torst »

Dík moc, tohle už snad pochopí i Torst. :-/ Mám v šuplíku : RC 4559P, RC 4558P a LM 358.
Fotky:
P1020292.JPG
P1020291.JPG
P1020290.JPG
P1020289.JPG
P1020288.JPG
P1020287.JPG
P1020286.JPG
Já se domnívám, že revoluce je zvrat k lepšímu. Kontrarevoliuce je síla, která tomuto zvratu brání. Kontrarevoluce se drží u moci zuby nehty. Ti starší už pouze nehty. (Zdeněk Svěrák, 1989)
Uživatelský avatar
Trevor
Odborník
Příspěvky: 1746
Registrován: 18.04.2011 16:32

Re: Opravy efektů?

Příspěvek od Trevor »

nevyteklo do něj něco že je ta jedna strana tak zablemcaná?
dobrý by bylo kdyby treba byli špatné jen tranzistory a oz v pořádku

ten kondík co nemá návlek až nahoru je mi podezřelý, ten bych asi zkusi testnout/vyměnit
Provádím základní měření elektronek a drobné opravy a úpravy elektronkových aparátů a věcí kolem hraní. Vše je na domluvě - Severní Čechy
Dotazy prosím do SZ
Uživatelský avatar
torst
Příspěvky: 7197
Registrován: 26.01.2010 14:19

Re: Opravy efektů?

Příspěvek od torst »

toho povlaku na desce jsem si taky všim. Myslel jsem, že to je patentní "izolační poleva" ! Ne, mě nic nevyteklo (do efektu). Takto jsem ho dostal. Na ten plešatej kondík se podívám, ten v levém dolním rohu, že?

Mě zaujalo, že tuhle závadu přesně takto popisuje víc lidí a raději - výměna OZ. Bral jsem to jako hotovou věc, ale třeba ne.

Ten kondík : 33 uF 16 V
Já se domnívám, že revoluce je zvrat k lepšímu. Kontrarevoliuce je síla, která tomuto zvratu brání. Kontrarevoluce se drží u moci zuby nehty. Ti starší už pouze nehty. (Zdeněk Svěrák, 1989)
Uživatelský avatar
Trevor
Odborník
Příspěvky: 1746
Registrován: 18.04.2011 16:32

Re: Opravy efektů?

Příspěvek od Trevor »

jj ten 33u, jestli třeba ten nevytekl, je na vystupu toho oscilatoru zrovna..
Provádím základní měření elektronek a drobné opravy a úpravy elektronkových aparátů a věcí kolem hraní. Vše je na domluvě - Severní Čechy
Dotazy prosím do SZ
Uživatelský avatar
torst
Příspěvky: 7197
Registrován: 26.01.2010 14:19

Re: Opravy efektů?

Příspěvek od torst »

mohlo by být. Ten samej 33u je v obvodu ještě jednou, s prezervativem až nahoru. No, může ho vyndat a vyměnit. (tak ne, 33u doma nemám)
Naposledy upravil(a) torst dne 24.08.2019 21:01, celkem upraveno 1 x.
Já se domnívám, že revoluce je zvrat k lepšímu. Kontrarevoliuce je síla, která tomuto zvratu brání. Kontrarevoluce se drží u moci zuby nehty. Ti starší už pouze nehty. (Zdeněk Svěrák, 1989)
Uživatelský avatar
Trevor
Odborník
Příspěvky: 1746
Registrován: 18.04.2011 16:32

Re: Opravy efektů?

Příspěvek od Trevor »

výměna jistě neuškodí
(tedy záleží kdo vyměňuje že : )
Provádím základní měření elektronek a drobné opravy a úpravy elektronkových aparátů a věcí kolem hraní. Vše je na domluvě - Severní Čechy
Dotazy prosím do SZ
Uživatelský avatar
torst
Příspěvky: 7197
Registrován: 26.01.2010 14:19

Re: Opravy efektů?

Příspěvek od torst »

no právě. asi to nechám odborníkovi. Myslíš, že bys měl čas a chuť?
Já se domnívám, že revoluce je zvrat k lepšímu. Kontrarevoliuce je síla, která tomuto zvratu brání. Kontrarevoluce se drží u moci zuby nehty. Ti starší už pouze nehty. (Zdeněk Svěrák, 1989)
Uživatelský avatar
Trevor
Odborník
Příspěvky: 1746
Registrován: 18.04.2011 16:32

Re: Opravy efektů?

Příspěvek od Trevor »

jestli chces tak klidně jo, kdyžtak mi to tedy nějak doprav a mrknu se na to
Provádím základní měření elektronek a drobné opravy a úpravy elektronkových aparátů a věcí kolem hraní. Vše je na domluvě - Severní Čechy
Dotazy prosím do SZ
Uživatelský avatar
torst
Příspěvky: 7197
Registrován: 26.01.2010 14:19

Re: Opravy efektů?

Příspěvek od torst »

hele, v pondělí koupim ten kondík a vyměnim. Když to nepomůže, tak bych ti ho poslal a poprosil o opravu.
Já se domnívám, že revoluce je zvrat k lepšímu. Kontrarevoliuce je síla, která tomuto zvratu brání. Kontrarevoluce se drží u moci zuby nehty. Ti starší už pouze nehty. (Zdeněk Svěrák, 1989)
Uživatelský avatar
Trevor
Odborník
Příspěvky: 1746
Registrován: 18.04.2011 16:32

Re: Opravy efektů?

Příspěvek od Trevor »

jasný, jak chceš, když to nerozchodíš, jsem ti k dispozici !
Provádím základní měření elektronek a drobné opravy a úpravy elektronkových aparátů a věcí kolem hraní. Vše je na domluvě - Severní Čechy
Dotazy prosím do SZ
Uživatelský avatar
torst
Příspěvky: 7197
Registrován: 26.01.2010 14:19

Re: Opravy efektů?

Příspěvek od torst »

tak dobrou, a ještě jednou děkas za vše dosavadní !
Já se domnívám, že revoluce je zvrat k lepšímu. Kontrarevoliuce je síla, která tomuto zvratu brání. Kontrarevoluce se drží u moci zuby nehty. Ti starší už pouze nehty. (Zdeněk Svěrák, 1989)
Uživatelský avatar
jurator
Příspěvky: 287
Registrován: 14.01.2016 13:29
Bydliště: CZ

Re: Opravy efektů?

Příspěvek od jurator »

Tube Guru: Pošleš mu schéma, na kterém je jasně vidět, že jakýkoliv normální operák do toho narvat NEJDE a poradíš mu tam dát klasický OZ? Rozdíl OPA vs OTA by mělo diskutujícímu se statusem "Odborníka" něco říkat...

Torst: Moc to hrotíš s tou koupí kondenzátorů, pro ověření závady můžeš těch 33uF nahradit klidně 10 nebo 47uF a 33uF koupit, až když zjistíš, že to pomohlo. A tu desku očisti lihem/isopropylem. Jinak gratuluju k moc krásné krabičce :)
Uživatelský avatar
Fořt
Příspěvky: 3383
Registrován: 30.09.2009 12:31
Bydliště: Praha-západ

Re: Opravy efektů?

Příspěvek od Fořt »

Budeš shánět ten náhradní čip? Určitě ses dočetl, že by se měl snad dát nahradit čipem CA3094:
https://www.aliexpress.com/item/32907272476.html
Uživatelský avatar
torst
Příspěvky: 7197
Registrován: 26.01.2010 14:19

Re: Opravy efektů?

Příspěvek od torst »

Děkuju za další rady. To je potřeba vědět. Fořte, dík za odkaz! Jinak kondíky 33 uF už mám nakoupené, i ty nesprávné operáky 741. No nic, to se časem v domácnosti hodí. Večer zkusim výměnu kondíku, ale vidim to spíš na ten operák. I když zablemcaná deska napovídá spíš na vyteklej elyt. Líh mám ! Krabička mi zatím neříká pane, ale rád bych ...
Já se domnívám, že revoluce je zvrat k lepšímu. Kontrarevoliuce je síla, která tomuto zvratu brání. Kontrarevoluce se drží u moci zuby nehty. Ti starší už pouze nehty. (Zdeněk Svěrák, 1989)
Uživatelský avatar
Tube Guru
Odborník
Příspěvky: 2025
Registrován: 13.11.2011 21:07
Bydliště: Země, ČR dočasně

Re: Opravy efektů?

Příspěvek od Tube Guru »

Zdar, torste sypu si popel na hlavu, já hlava stará děravá jsem si nějak automaticky zaměnil Small Stone od EH za MXR Phase 90. Tam by opravdu bylo možné použít ty MAA741 a KF521 ze šuplíkových zásob. Viz https://www.electrosmash.com/mxr-phase90, https://puzzlesounds.com/blog/history-m ... ect-pedal/ Problém je, že CA3094 ani jeho dvojitá náhrada LM13700 se už nevyrábí, možná, že je však ještě lze u nějakých překupníků získat, ovšem jestli se to vyplatí těžko říct. Kdybys měl možnost sehnat na součástky nějaký syntezátor (minimoog, mikromoog) i tam by se měly vyskytovat.
S opravami jsem skončil, žádné další zakázky už nepřijímám. Když budete mít jakýkoliv smysluplný technický dotaz týkající se elektronek, zesilovačů a "krabiček", klidně mě kontaktujte e-mailem: z.hronek@protonmail.com Když budu znát odpověď, budu mít čas a chuť, rád Vám odpovím. Děkuji.
Odpovědět

Zpět na „Kytarové efekty“