Homemade efekty

Stavba a úpravy efektů, footswitchů a dalších zařízení
Odpovědět
Uživatelský avatar
volfi
Příspěvky: 1296
Registrován: 28.11.2014 23:58
Bydliště: Č. Budějovice

Re: Homemade efekty

Příspěvek od volfi »

Trevor píše: 1.09.2021 18:43 Mrkni u TME
Je tam levnejsi posta
Jestli nemaj wima budou mit Kemet bych rekl
Super, maj tam Kemet 1uF v rozměru 13x12x6 :)
Elektrofonická kytara --> Koaxiální kabel č.1 --> Pedálová deska --> Koaxiální kabel č.2 --> Elektronkový zesilovač --> Reproduktorová skříň
Uživatelský avatar
volfi
Příspěvky: 1296
Registrován: 28.11.2014 23:58
Bydliště: Č. Budějovice

Re: Homemade efekty

Příspěvek od volfi »

browndog-130801-single-to-dual-op-amp-adapter-with-sockets.jpg
Pánové nevíte kde to seženu? Připadně oficiální název? :D
Elektrofonická kytara --> Koaxiální kabel č.1 --> Pedálová deska --> Koaxiální kabel č.2 --> Elektronkový zesilovač --> Reproduktorová skříň
Uživatelský avatar
Trevor
Odborník
Příspěvky: 1746
Registrován: 18.04.2011 16:32

Re: Homemade efekty

Příspěvek od Trevor »

To ma byt z jednoducheho oz na dvojity oz?
Englicky Single-to-dual Op-Amp Adapter
Provádím základní měření elektronek a drobné opravy a úpravy elektronkových aparátů a věcí kolem hraní. Vše je na domluvě - Severní Čechy
Dotazy prosím do SZ
Uživatelský avatar
volfi
Příspěvky: 1296
Registrován: 28.11.2014 23:58
Bydliště: Č. Budějovice

Re: Homemade efekty

Příspěvek od volfi »

No tak jsem to nikde k objednání nenašel ☹️
Elektrofonická kytara --> Koaxiální kabel č.1 --> Pedálová deska --> Koaxiální kabel č.2 --> Elektronkový zesilovač --> Reproduktorová skříň
Uživatelský avatar
Trevor
Odborník
Příspěvky: 1746
Registrován: 18.04.2011 16:32

Re: Homemade efekty

Příspěvek od Trevor »

Jestli to nemají u cimaron ani ebay,asi budeš muset vyrobit sám : )
Provádím základní měření elektronek a drobné opravy a úpravy elektronkových aparátů a věcí kolem hraní. Vše je na domluvě - Severní Čechy
Dotazy prosím do SZ
Uživatelský avatar
volfi
Příspěvky: 1296
Registrován: 28.11.2014 23:58
Bydliště: Č. Budějovice

Re: Homemade efekty

Příspěvek od volfi »

No tam to maj, chtěl jsem to někde z evropy.
Elektrofonická kytara --> Koaxiální kabel č.1 --> Pedálová deska --> Koaxiální kabel č.2 --> Elektronkový zesilovač --> Reproduktorová skříň
Uživatelský avatar
volfi
Příspěvky: 1296
Registrován: 28.11.2014 23:58
Bydliště: Č. Budějovice

Re: Homemade efekty

Příspěvek od volfi »

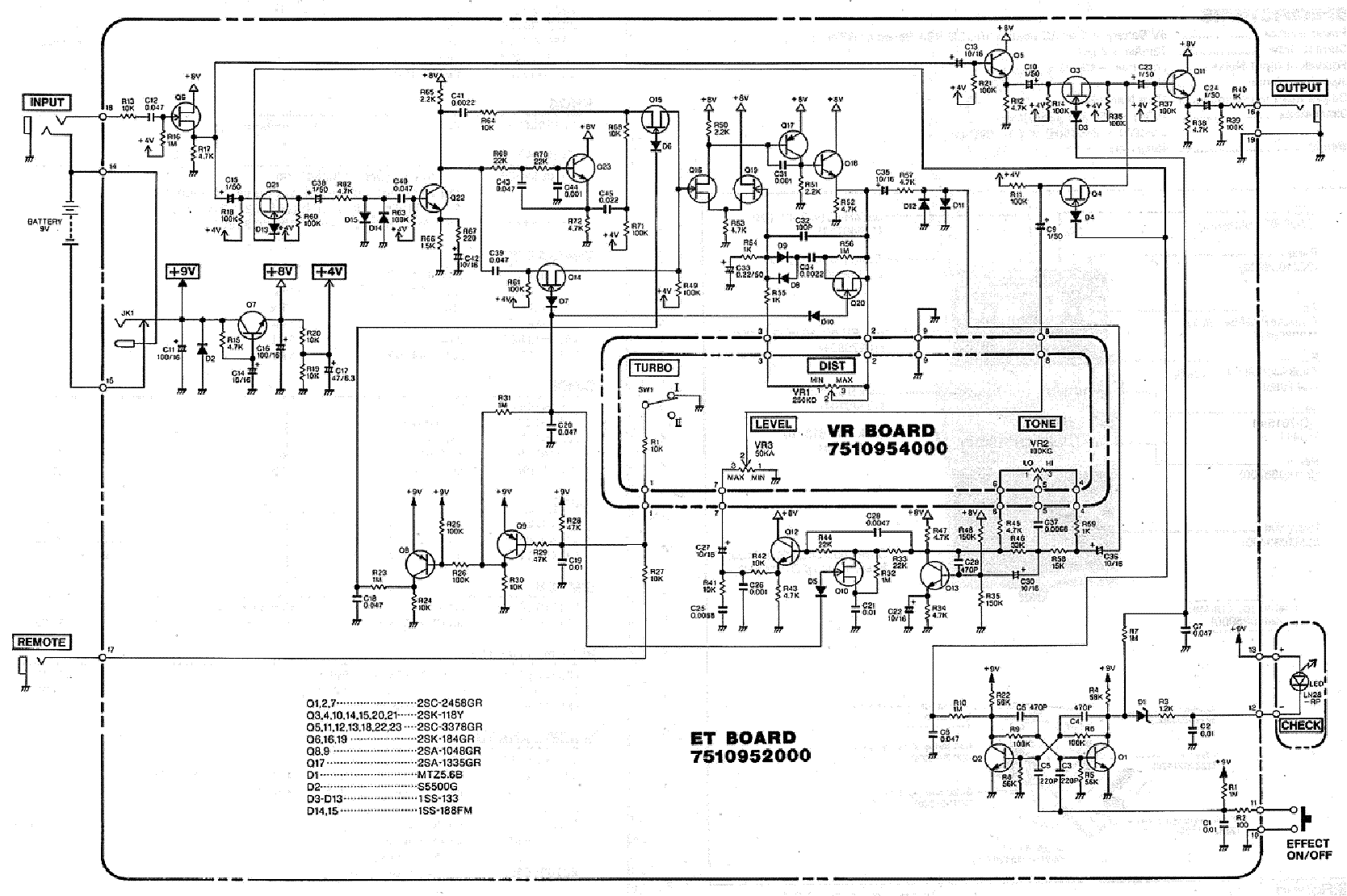
Kde sehnat dvě diody 1SS-188FM, nic jsem nenašel? Případně nějaká adekvátní náhrada? Je to do DS-2, dioda 14 a 15.
boss_turbo-distortion-ds2.pdf_1.png
Elektrofonická kytara --> Koaxiální kabel č.1 --> Pedálová deska --> Koaxiální kabel č.2 --> Elektronkový zesilovač --> Reproduktorová skříň
Uživatelský avatar
Trevor
Odborník
Příspěvky: 1746
Registrován: 18.04.2011 16:32

Re: Homemade efekty

Příspěvek od Trevor »

Mouser je má skladem, jinak jakoukoli rychlou typu 1N4148 třeba
Provádím základní měření elektronek a drobné opravy a úpravy elektronkových aparátů a věcí kolem hraní. Vše je na domluvě - Severní Čechy
Dotazy prosím do SZ
Uživatelský avatar
jastud
Příspěvky: 2432
Registrován: 5.11.2009 12:35
Bydliště: Brno/Lysice

Re: Homemade efekty

Příspěvek od jastud »

1/ takova dioda neexistuje
2/ Prakticky libovolna Shottkyho dioda to nahradi. Nebo jak pise trevor.
Při tanci nesmiju byt žadne prostoje
a hrať se musi aji na levne nastroje.
Uživatelský avatar
volfi
Příspěvky: 1296
Registrován: 28.11.2014 23:58
Bydliště: Č. Budějovice

Re: Homemade efekty

Příspěvek od volfi »

Děkuji, opraveno. :-)
Elektrofonická kytara --> Koaxiální kabel č.1 --> Pedálová deska --> Koaxiální kabel č.2 --> Elektronkový zesilovač --> Reproduktorová skříň
Uživatelský avatar
torst
Příspěvky: 7195
Registrován: 26.01.2010 14:19

Re: Homemade efekty

Příspěvek od torst »

volfi: Taky jsem modifikoval DS2. Ty zkresovací diody tam mám dokonce 2 páry a měnim přepínačem. 2x germanium a 2x tušim křemík. Ty Ge hrajou potišeji, takže je nepoužívám. A pak jsem uvnitř něco poladil k lampovějšímu zvuku, ale spíš to jen ztlustilo středy. Ale mám i nemodifikovanou DS-2, takže rozdíl ve srovnání slyším.
Já se domnívám, že revoluce je zvrat k lepšímu. Kontrarevoliuce je síla, která tomuto zvratu brání. Kontrarevoluce se drží u moci zuby nehty. Ti starší už pouze nehty. (Zdeněk Svěrák, 1989)
Uživatelský avatar
volfi
Příspěvky: 1296
Registrován: 28.11.2014 23:58
Bydliště: Č. Budějovice

Re: Homemade efekty

Příspěvek od volfi »

Úplně dokonale jsem to schema nestudoval, dioda D15 byla prasklá a přerušena, nicméně krabice hrála a po výměně za 1N4148 to hraje stejně asi stejně.
Elektrofonická kytara --> Koaxiální kabel č.1 --> Pedálová deska --> Koaxiální kabel č.2 --> Elektronkový zesilovač --> Reproduktorová skříň
Uživatelský avatar
Abu
Příspěvky: 1549
Registrován: 11.01.2009 17:36
Bandzone: http://bandzone.cz/thedirtyraccoons
Bydliště: Praha
Kontaktovat uživatele:

Re: Homemade efekty

Příspěvek od Abu »

D14 a 15 se podle toho schematu na zvuku moc nepodileji. Jsou hned na vstupu kde je signal jeste slaby, takze budou fungovat jen vyjimecne pro orezani nejakeho extremne silneho zdroje signalu (napr pokud pred DS dam nejaky boost).
Hraju výhradně na šrot.
Uživatelský avatar
Demilich
Příspěvky: 3382
Registrován: 17.03.2007 12:28
Bydliště: Praha

Re: Homemade efekty

Příspěvek od Demilich »

Ahoj, obecný dotaz, má smysl kupovat pro tranzistory v efektech pájecí patice z důvodu jejich teplotní ochrany během pájení? Plánujem s basákem postavit 4 kity a je tam 15 tranzistorů dohromady, typově asi různých, ale jedná se o 3 fuzz pedály a jedno tremolo.
Mám se bát, že to spálím(e), nebo na to kašlat? Úplné kopyta nejsme, takže si myslím, že to zvládnem bez patic nespálit, ale raději se zeptám na zkušenost vzdělanějších.

Případně kde ty patice koupit, aby jedna nestála 1,75€ ? :P
#2022BezHF vyústil v to, že jsem si uvědomil, že muziku je lepší zažít a dělat, než o ní psát na internet. Tedy sbohem :D
Uživatelský avatar
jastud
Příspěvky: 2432
Registrován: 5.11.2009 12:35
Bydliště: Brno/Lysice

Re: Homemade efekty

Příspěvek od jastud »

Jednoduchý trik: pajenou nožičku chytneš kovovou pinzetou a ta odvede většinu tepla. Ono se tranzistoru nestane nic ani bez toho (pokud člověk není mamlas který spoj prohřívá zbytečně dlouho), ale takhle je to úplně v klidu. Ty patice jsou fajn jen když chceš prohazovat tranzistory, jinak nemají moc význam.

Jinak na tranzistory se běžně používají jednořadé lámací patice ,ze kterých si odlomíš tři piny a hotovo.
Při tanci nesmiju byt žadne prostoje
a hrať se musi aji na levne nastroje.
Uživatelský avatar
Demilich
Příspěvky: 3382
Registrován: 17.03.2007 12:28
Bydliště: Praha

Re: Homemade efekty

Příspěvek od Demilich »

Aha, hmm hmm, okej! Díky.
#2022BezHF vyústil v to, že jsem si uvědomil, že muziku je lepší zažít a dělat, než o ní psát na internet. Tedy sbohem :D
Uživatelský avatar
Abu
Příspěvky: 1549
Registrován: 11.01.2009 17:36
Bandzone: http://bandzone.cz/thedirtyraccoons
Bydliště: Praha
Kontaktovat uživatele:

Re: Homemade efekty

Příspěvek od Abu »

Presne jak pise Jastud. Ja patice nepouzivam, taky proto ze to je potencialni zdroj problemu.
Pokud hodlam experimentovat s ruznymi tranzistory, tak si to postavim na nepajivym poli a do krabicky to pak zaletuju na tistak bez patic.
Hraju výhradně na šrot.
Uživatelský avatar
volfi
Příspěvky: 1296
Registrován: 28.11.2014 23:58
Bydliště: Č. Budějovice

Re: Homemade efekty

Příspěvek od volfi »

Měl bych otázku, chtěl jsem si postavit kopii SHO k vermoně, našel jsem si schéma, koupil poměrně slušný součástky, vše funguje, žádnej bordel, ale místo boostření to zeslabuje signál :D Moje otázka zní, mohlo by to být tranzistorem BS170? Že jsem třeba koupil nějakej slabší?
Podle tohodle jsem to dělal: http://effectslayouts.blogspot.com/2015 ... -okay.html
Elektrofonická kytara --> Koaxiální kabel č.1 --> Pedálová deska --> Koaxiální kabel č.2 --> Elektronkový zesilovač --> Reproduktorová skříň
Uživatelský avatar
Abu
Příspěvky: 1549
Registrován: 11.01.2009 17:36
Bandzone: http://bandzone.cz/thedirtyraccoons
Bydliště: Praha
Kontaktovat uživatele:

Re: Homemade efekty

Příspěvek od Abu »

Ne. S BS170 to funguje dobre, zesileni velike. Postavil jsem jich nekolik. Tyhle tranzistory jsou MOS-FET, takze by mely mit celkem maly rozptyl parametru (narozdil od J-FET, treba J201...). Mas tam neco spatne.

Skoda ze na tom odkazu neni normalni schema, z tech obrazku plosnaku je prd poznat. Nechapu tuhle nesmyslnou modu :x
Hraju výhradně na šrot.
Uživatelský avatar
volfi
Příspěvky: 1296
Registrován: 28.11.2014 23:58
Bydliště: Č. Budějovice

Re: Homemade efekty

Příspěvek od volfi »

Děkuji za odpověd, jsem vůůl napasoval jsem to do starý krabičky, kde jsem měl prohozenej IN/OUT jack :D
Elektrofonická kytara --> Koaxiální kabel č.1 --> Pedálová deska --> Koaxiální kabel č.2 --> Elektronkový zesilovač --> Reproduktorová skříň
Odpovědět

Zpět na „Ostatní“