Návrh-2x12 baskytarový box

Stavba a úpravy zesilovačů, reproboxů či komb
Uživatelský avatar
griper
Příspěvky: 587
Registrován: 19.11.2006 13:02
Bydliště: Trutnov

Re: Návrh-2x12 baskytarový box

Příspěvek od griper »

Díky, mrknu na to!

Jak se dá tomu zničení zabránit? Přeci jen ten zesik má 575W. Nebo se to týká jen určitýho pásma? Moc tomu nerozumim jak to chápat.


Ještě nadhodim otázku ohledně vytlumení. Má cenu tam cpát nějakou vatu? Proč ano/ne?
Uživatelský avatar
jurator
Příspěvky: 287
Registrován: 14.01.2016 13:29
Bydliště: CZ

Re: Návrh-2x12 baskytarový box

Příspěvek od jurator »

V téhle kombinaci mám jen jednu radu - netavit to. Pokud to budeš moc tavit, tak bys měl slyšet, že z té bedny leze trochu jiný, "nepěkný" zvuk, ale to zkreslení boxu se může v muzice lehce ztratit.
Další možností je postavit box s jinýma reprákama a celkovou impedancí 8Ohm.

Vytlumení doporučuju úplně vynechat nebo stačí lehce vytlumit zadní stěnu. V okolí bassreflexu netlumit.

Pro názornost obrázek v příloze - co se děje s výchylkou membrány v 115l boxu laděném na 40Hz s 2x DeltaLite-II 2512 při 575W.
Specifikace Delty:
Xmax: 4,9mm (při THD=10%)
Xlim: 8,5mm (dojde k trvalému poškození repra)
Přílohy
deltalite-vychylka.png
Uživatelský avatar
Tube Guru
Odborník
Příspěvky: 2025
Registrován: 13.11.2011 21:07
Bydliště: Země, ČR dočasně

Re: Návrh-2x12 baskytarový box

Příspěvek od Tube Guru »

Zdar, juratorova rada je zcela správná, nesmí docházet k tak velké výchylce kmitací cívky reproduktoru(ů), aby narážela do jha magnetického obvodu - to by ji poškodilo až zničilo. U kytary k tomu může dojít snad jen při úderu trsátka, u basy ještě častěji.
S opravami jsem skončil, žádné další zakázky už nepřijímám. Když budete mít jakýkoliv smysluplný technický dotaz týkající se elektronek, zesilovačů a "krabiček", klidně mě kontaktujte e-mailem: z.hronek@protonmail.com Když budu znát odpověď, budu mít čas a chuť, rád Vám odpovím. Děkuji.
Uživatelský avatar
griper
Příspěvky: 587
Registrován: 19.11.2006 13:02
Bydliště: Trutnov

Re: Návrh-2x12 baskytarový box

Příspěvek od griper »

No tak teď jsem trochu vystrašenej jestli to má vůbec cenu stavět. Možná by stálo za to tam dát nějaký jiný repra, u kterejch bych mohl v klidu hrát a nečekat kdy mi vyskočí reprák z bedny. :)

Nějaký tipy na repro?
EDIT: na https://www.talkbass.com/threads/12-spe ... 917/page-3 si chvalej Fane Sovereign 12-500 LF, zkusim je nasimulovat

Nebo je tu možnost to postavit v těch 8Ohmech, tam si ale nejsem jistej jak to potlačí. Hrál jsem na jednu 4x10 8Ohmů a tý se moc hrát nechtělo.
Uživatelský avatar
Tube Guru
Odborník
Příspěvky: 2025
Registrován: 13.11.2011 21:07
Bydliště: Země, ČR dočasně

Re: Návrh-2x12 baskytarový box

Příspěvek od Tube Guru »

Vystrašenej být vůbec nemusíš. Jaké použiješ reproduktory je z hlediska možnosti poškození dříve zmíněným způsobem celkem lhostejné - snad by jen měly mít tužší závěs membrány. Na škodu je, že zamýšlíš dělat bednu s bassreflexem, která má oproti uzavřené bedně mnohem menší tlumení a membrána má proto větší výchylku oběma směry. Postavit bednu jako 8Ω je nanejvýš rozumné (za předpokladu výstupní impedance zesilovače 4Ω), nebezpečí mechanického poškození se tím trochu sníží. Osobně bych se na bassreflex vykašlal a udělal bednu uzavřenou. Že se bassreflexem nahánějí chybějící basy u audiopřístrojů chápu, ale význam u nástrojové bedny je pochybný a řekl bych spíš na škodu - trochu módní záležitost. :?
S opravami jsem skončil, žádné další zakázky už nepřijímám. Když budete mít jakýkoliv smysluplný technický dotaz týkající se elektronek, zesilovačů a "krabiček", klidně mě kontaktujte e-mailem: z.hronek@protonmail.com Když budu znát odpověď, budu mít čas a chuť, rád Vám odpovím. Děkuji.
Uživatelský avatar
griper
Příspěvky: 587
Registrován: 19.11.2006 13:02
Bydliště: Trutnov

Re: Návrh-2x12 baskytarový box

Příspěvek od griper »

Zajímavé. Ono když člověk proleze e-shopy, tak snad každá bedna má basreflex. Tak nějak jsem předpokládal, že u tý basovky to je prostě must have.

Tím "Postavit bednu jako 8Ω je nanejvýš rozumné (za předpokladu výstupní impedance zesilovače 4Ω)" myslíš, že je risk dávat 4Ohm bednu do 4Ohm zesiku?

Podle toho obrázku vejš mi přišlo, že při těch 575W to musim zničit, vzhledem k tomu pásmu mezi cca 48-120Hz, nebo ne?
kunec
Příspěvky: 953
Registrován: 28.04.2011 12:53

Re: Návrh-2x12 baskytarový box

Příspěvek od kunec »

No. Laicky ti odpovím. Pokud dáš na 4Ohm zesilovač 8Ohm bednu, více zatížiš zesilovač a snížiš jeho jeho výkon


Sent from my iPhone using Tapatalk
Uživatelský avatar
griper
Příspěvky: 587
Registrován: 19.11.2006 13:02
Bydliště: Trutnov

Re: Návrh-2x12 baskytarový box

Příspěvek od griper »

To je mi jasný a jako řešení to asi bude. Ale rád bych přece jenom využil těch 575W co tam je.
Neexistuje něco jako hipass filter (RC filtr) co by ty nebezpečný frekvence trochu stáhnul? (Něco takovýho jsem nasimuloval v tom WinISD a vyřešilo to)
U zavřený bedny stejnýho objemu je ten cone excursion ještě horší.


btw.: když člověk koupí třeba 500W/4Ohmy bednu někde v hudebninách, má to ten výrobce ošéfovaný, nebo tam hrozí něco podobnýho taky?
Přílohy
conext.PNG
Naposledy upravil(a) griper dne 7.11.2016 21:15, celkem upraveno 2 x.
mmjuz
Odborník
Příspěvky: 2236
Registrován: 23.03.2009 11:17
Bydliště: Brněnsko
Kontaktovat uživatele:

Re: Návrh-2x12 baskytarový box

Příspěvek od mmjuz »

A kdo vám nakukal, že u bedny na baskytaru je nutné ladit basreflex do těsné blízkosti Fs?
Vždyť je to úplná blbost, už jsem to tu nedávno psal. Prostě to nalaď někam na 80 - 90 Hz a máš klid. Basů budeš mít i tak až dost, to se nemusíš bát, vůbec nevadí, že se Ti rezonanční kmitočet posune možná až o cca 20 Hz výše, tomu reproduktoru se jen uleví. Jinak Eminence jsou prostě levná repra, nic více.
Uživatelský avatar
griper
Příspěvky: 587
Registrován: 19.11.2006 13:02
Bydliště: Trutnov

Re: Návrh-2x12 baskytarový box

Příspěvek od griper »

Když to naladim do 80Hz, tak mi délka basreflexu vychází v zapornejch číslech a cone excursion je furt přes Xmax.

Něco přehlížim?
Přílohy
conext80hzvent.PNG
conext80hz.PNG
mmjuz
Odborník
Příspěvky: 2236
Registrován: 23.03.2009 11:17
Bydliště: Brněnsko
Kontaktovat uživatele:

Re: Návrh-2x12 baskytarový box

Příspěvek od mmjuz »

80 Hz je úplně běžná frekvence, na kterou se ladí jak boxy pro basu, tak dvoupásmové bedny.
Já to naposledy dělal někdy před patnácti lety, problém s tím nebyl.
Uživatelský avatar
Moon
Příspěvky: 668
Registrován: 26.05.2010 16:19
Bydliště: Plzeň

Re: Návrh-2x12 baskytarový box

Příspěvek od Moon »

kunec píše:No. Laicky ti odpovím. Pokud dáš na 4Ohm zesilovač 8Ohm bednu, více zatížiš zesilovač a snížiš jeho jeho výkon


Sent from my iPhone using Tapatalk
To je nepřesná interpretace. Zatížením 4Ohm zesilovače 8Ohmy zesilovači jen ulevíš.
Výkon klesne jen cca o 1/3 protože nižší proudová zátěž dovolí větší rozkmit napětí.
Z reproduktorů rozumné cenové relace se mi velmi osvědčil BC speakers, např 12CL76.
GK MB 150 S, GK MB 800
- P. Bass Hand Made / SPB1 p.u. - P Bass Hand Made / Bare Knuckle PB 58 p.u.
J. Bass Hand Made / Bare Knuckle 60 PE p.u.------P. Bass Hand Made/Lollar PB p.u. -- J. bass Hand Made/ Lindy Fralin p.u.
Uživatelský avatar
griper
Příspěvky: 587
Registrován: 19.11.2006 13:02
Bydliště: Trutnov

Re: Návrh-2x12 baskytarový box

Příspěvek od griper »

No jako nejlepší řešení se zatim jeví ta 8Ohmů bedna, Zesik pojede na nějakejch 380W a to podle WinISD ty repra snesou.

Ale i tak by mě zajímalo jak by to teoreticky šlo udělat v těch 4 Ohmech aby to 575W sneslo. Jaký parametry u repra na to mají vliv?
Uživatelský avatar
Moon
Příspěvky: 668
Registrován: 26.05.2010 16:19
Bydliště: Plzeň

Re: Návrh-2x12 baskytarový box

Příspěvek od Moon »

griper píše:No jako nejlepší řešení se zatim jeví ta 8Ohmů bedna, Zesik pojede na nějakejch 380W a to podle WinISD ty repra snesou.

Ale i tak by mě zajímalo jak by to teoreticky šlo udělat v těch 4 Ohmech aby to 575W sneslo. Jaký parametry u repra na to mají vliv?
Kromě výkonu a citlivosti si hlídám Xmax a preferuji cívku Cu. Koukni se na www.prodance na parametry toho repra, o kterém jsem psal. Takže asi tak nějak.
GK MB 150 S, GK MB 800
- P. Bass Hand Made / SPB1 p.u. - P Bass Hand Made / Bare Knuckle PB 58 p.u.
J. Bass Hand Made / Bare Knuckle 60 PE p.u.------P. Bass Hand Made/Lollar PB p.u. -- J. bass Hand Made/ Lindy Fralin p.u.
mmjuz
Odborník
Příspěvky: 2236
Registrován: 23.03.2009 11:17
Bydliště: Brněnsko
Kontaktovat uživatele:

Re: Návrh-2x12 baskytarový box

Příspěvek od mmjuz »

griper píše: preferuji cívku Cu.
Tohle je podivný pohled na věc. Reproduktory s cívkou vinutou Al páskem ( Edgewound Aluminum Ribbon ) jsou dnes celkem vzácností a bývají jen u hodně drahých reproduktorů. Napadá mě třeba Electro Voice ( EVM 12L, EVM 15L ... ), Beyma Liberty, některé Webery a pod. Ten hliník je výrazně lepší, než klasický měděný drát kruhového průřezu, to je bez debat. Cívka vinutá z pásku na štorc vždycky lépe vyplní mezírku v magnetickém systému oproti dvěma vrstvám Cu drátu. Co se týče reproduktorů BC, tak to jsou určitě vynikající reproduktory, nesrovnatelné s Eminence, ovšem také mají jednu nevýhodu. A to tu, že jejich cívky jsou vinuty jednou řadou vně kostřičky a druhou řadu mají namotanou z vnitřní strany kostřičky. Má to zřejmě své výhody už ve výrobě při strojovém vinutí, ale nevýhodou je právě zvýšené riziko v případě krátkých výrazných impulzů, ke kterým může dojít např. v případě, kdy má uživatel zvlášť koncový stupeň a preamp, prvně pustí koncák, nevšimne si, že ho má vytočený na max. a pak pustí předzesilovač. Hlasité lupnutí, které se z boxu ozve v případě BC často znamená strženou cívku právě z vnitřní strany, kdy se poškodí o trn pólového nástavce. Takže na to bacha. Cívky vinuté jen z venkovní strany, ať už Cu, nebo Al, jsou v tomto směru odolnější. Krom toho je hodně důležité, jestli je cívka navinuta na kaptonu, papíru, či Al folii, jak je řešeno chlazení atd atd... Každopádně věta: "preferuji cívku Cu" absolutně nemá logiku.
Uživatelský avatar
Moon
Příspěvky: 668
Registrován: 26.05.2010 16:19
Bydliště: Plzeň

Re: Návrh-2x12 baskytarový box

Příspěvek od Moon »

mmjuz píše:
griper píše: preferuji cívku Cu.
... Každopádně věta: "preferuji cívku Cu" absolutně nemá logiku.
Nechme logiku stranou. Pokud si čtu parametry reproduktorů, tak hliníková cívka není vzácností - spíše naopak. Ano, je mi známo, že jsou tyto cívky citlivější, ale též zranitelnější. Zejména v oblasti přetížení.
Tvůj názor Ti neberu, přece jen máš hodnost Odborník, ale moje životní zkušenosti s hliníkovými cívkami jsou odlišné od Tvých .
GK MB 150 S, GK MB 800
- P. Bass Hand Made / SPB1 p.u. - P Bass Hand Made / Bare Knuckle PB 58 p.u.
J. Bass Hand Made / Bare Knuckle 60 PE p.u.------P. Bass Hand Made/Lollar PB p.u. -- J. bass Hand Made/ Lindy Fralin p.u.
mmjuz
Odborník
Příspěvky: 2236
Registrován: 23.03.2009 11:17
Bydliště: Brněnsko
Kontaktovat uživatele:

Re: Návrh-2x12 baskytarový box

Příspěvek od mmjuz »

Tohle mě docela zajímá, v posledních letech mi rukama procházejí pouze kytarová repra a zbytek hudební sféry mi uniká. Přeci jen se zvučením a výrobou různých odposlechů a PA beden jsem přestal někdy před sedmi lety.
Zkus mi sem hodit pár typů na reproduktory, které jsou dnes na trhu a mají cívky vinuté Al páskem. Mrknu na to ze "studijních důvodů".
Každopádně repra s Al cívkou jsou, dle mých zkušeností, nesrovnatelně odolnější, než klasika s Cu drátem. Můžeš mi ještě napsat své špatné zkušenosti s těmito reproduktory a uvést konkrétní typy?
Uživatelský avatar
Moon
Příspěvky: 668
Registrován: 26.05.2010 16:19
Bydliště: Plzeň

Re: Návrh-2x12 baskytarový box

Příspěvek od Moon »

mmjuz píše:Tohle mě docela zajímá, v posledních letech mi rukama procházejí pouze kytarová repra a zbytek hudební sféry mi uniká. Přeci jen se zvučením a výrobou různých odposlechů a PA beden jsem přestal někdy před sedmi lety.
Zkus mi sem hodit pár typů na reproduktory, které jsou dnes na trhu a mají cívky vinuté Al páskem. Mrknu na to ze "studijních důvodů".
Každopádně repra s Al cívkou jsou, dle mých zkušeností, nesrovnatelně odolnější, než klasika s Cu drátem. Můžeš mi ještě napsat své špatné zkušenosti s těmito reproduktory a uvést konkrétní typy?
No - nepřeceňuj můj rozhled :) Právě, že jsem basák, zaměřuji se na baskytarová repra, nebo k tomuto účelu se hodící. Konkrétně když jsem vybíral repro do své poslední bedny, chtěl jsem něco lepšího, než Eminence. A téměř všechna repra BC byly vinuty Al s výjimkou toho 12CL76, který je Cu. U Eminencí jsem používal Betu15 nebo Betu12. Obě jsou vinuty Cu a výrobce uvádí - určeno pro baskytaru.
A proč měď? Konkrétně Tebou zmiňované Voicy nám kdysi oba odešly v P.A. přehřátím. Rozletoval se spoj mezi cívkou a měděným přívodem. Já vím , hloupost zvukaře! Ale nedávno se mě dostali do rukou dvě horny, kde z hliníkového vinutí zbyl jen takový černý prášek. Prostě je to jako v bytových rozvodech :) Hliník stárne, tvrdne, rozpadá se. A to je Humpolci pivovar :D
GK MB 150 S, GK MB 800
- P. Bass Hand Made / SPB1 p.u. - P Bass Hand Made / Bare Knuckle PB 58 p.u.
J. Bass Hand Made / Bare Knuckle 60 PE p.u.------P. Bass Hand Made/Lollar PB p.u. -- J. bass Hand Made/ Lindy Fralin p.u.
mmjuz
Odborník
Příspěvky: 2236
Registrován: 23.03.2009 11:17
Bydliště: Brněnsko
Kontaktovat uživatele:

Re: Návrh-2x12 baskytarový box

Příspěvek od mmjuz »

No prosím, co jsem to přestal sledovat, tak v BC přišli na to, že vinout cívky mědí z obou stran kostřičky je blbost a přešly na Al. Zaslouží si gratulaci. Ovšem James Bullough Lansing tohle věděl už ve 40. letech minulého století, Italové trochu zaspali.
Osobně jsem měl v rukách repra vyráběná v 60. a 70. letech, membrány občas držely pohromadě jen silou vůle, ale Al cívky byly jako nové. Např. Altec 417-8H, JBL D120F, JBL K120, JBL D110, JBL K130, EVM 12S, EVM 12L, EVM 15L, DYNACORD ORCHESTRA V 15´´ i 12´´ verzi a kdo ví co ještě. Naopak staré JENSEN, MAGNAVOX, OXFORD, CTS, UTAH, RFT, ISOPHONE.... atd atd tak v 50% "drhly" vinou vychýlené cívky, nebo se už závity uvolnily a plandaly ve štěrbině jako prádlo ve větru. Tohle jsem u Al pásků nikdy neviděl.
Pokud zvukař nedodržuje pravidla určená výrobcem aparátu, tak to opravdu nemá nic společného s tou, nebo onou technologií výroby kterékoli části aparatury. A zmiňovat se o korozi materiálu pečlivě zalakovaného proti zkratu je trochu mimo.
A Bernard je taky fiškus, že používá lahve s patentními zátkami, proto ho mám rád.
Uživatelský avatar
griper
Příspěvky: 587
Registrován: 19.11.2006 13:02
Bydliště: Trutnov

Re: Návrh-2x12 baskytarový box

Příspěvek od griper »

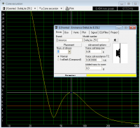
Tak zase pár simulací, tentokrát s BC 12CL76
http://www.prodance.cz/12cl76-8ohm.html

1 - žlutá - Vyladěno na 50Hz, hloubka basreflexu 4,7cm. Cone excursion v pohodě, pokles -3db už od 200Hz.
2 - modrá - Vyladěno na 80Hz, hloubka basreflexu -1,78cm. Cone excursion už na 54Hz, pokles -3dB až od 100Hz.
3 - fialová - Zavřenej box, cone excursion v poho, pokles -3dB od 250Hz.

Je fakt, že tydle repra jsou první co nemaj problém s cone excursion, ale zas nemaj tak pěknej frekvenční průběh jako ty předchozí. Názory zkušených? Co se jeví nejlíp?

EDIT: na ty hloubky basreflexu nekoukejte, pohrál jsem si s tim pak podle "Air velocity" a žlutá je pak kolem 29cm a modrá kolem 4,5 cm.
Přílohy
BC_cone.PNG
BC_freq.PNG
Odpovědět

Zpět na „Aparatury“