Mixazni pult bastleni
Mixazni pult bastleni
nazdar hledam nejakou stranku kde bych nasel nejake mixazni pulty na postaveni (uz sem si postavil 2 efekty ke kytare a zakladame mensi kapelu takze ten mixak je potreba)nasel sem jen dva a ty nebyly nic moc google mi nic nevyhodil jen nejake reklamy tak pls jestli tu taky nekdo rad paji a ma nejake stranky s pultikama tak pls....
- einsteincz
- Příspěvky: 146
- Registrován: 2.07.2007 13:30
- Kontaktovat uživatele:
Re: MIxazni pult bastleni
Imho vzdej to. Cena jen za poťáky je rovna ceně kupovaného mixu.
http://www.ozvuceni-quartet.cz - light and sound service, Kurzweil player 
Re: MIxazni pult bastleni
Copak fadery, ale hlavně mechanická konstrukce, aby se s tím dalo dobře dělat.
A těch vstupů a výstupů, no, dokážu si představit obvodové řešení, ale mechaniku bych asi nezvlád...
A těch vstupů a výstupů, no, dokážu si představit obvodové řešení, ale mechaniku bych asi nezvlád...
Nemám strach z lopaty, mám strach ze srpu a kladiva
- rain
- Odborník
- Příspěvky: 1251
- Registrován: 3.03.2008 19:14
- Bandzone: http://bandzone.cz/hardrain
- Bydliště: Zlín - Vsetín
- Kontaktovat uživatele:
Re: MIxazni pult bastleni
Do složitějšího mixu bych se nepouštěl, nicméně jde to vyrobit - viz. Amatérské rádio:
http://jirky.webz.cz/index.php?page=cas ... 0&w=Hledat
Něco jednoduchého by šlo poskládat z jednotlivých modulů předzesilovačů, je tam i nákres sběrnice:
http://jirky.webz.cz/index.php?page=cas ... 0&w=Hledat
nebo tady: http://jirky.webz.cz/index.php?page=cas ... 0&w=Hledat
Zkus ty Amara sehnat třeba v knihovně nebo na CD.
Otázka je jestli se to fakt vyplatí stavět.
http://jirky.webz.cz/index.php?page=cas ... 0&w=Hledat
Něco jednoduchého by šlo poskládat z jednotlivých modulů předzesilovačů, je tam i nákres sběrnice:
http://jirky.webz.cz/index.php?page=cas ... 0&w=Hledat
nebo tady: http://jirky.webz.cz/index.php?page=cas ... 0&w=Hledat
Zkus ty Amara sehnat třeba v knihovně nebo na CD.
Otázka je jestli se to fakt vyplatí stavět.
-
Letho
- Rádce
- Příspěvky: 363
- Registrován: 7.02.2013 20:38
- Bydliště: Jižní Morava
- Kontaktovat uživatele:
Re: MIxazni pult bastleni
Myslím, že v dnešní době nemá finančně smysl stavba nejen pultu, ale i třeba D.I. boxů nebo rackových procesorů.
Postavit si mixík ale může být užitečná kratochvíle, naučíte se na tom spoustu věcí, jak co funguje a jak vypadá mix zevnitř. Schémátkem, podle kterého jsem stavěl, bohužel v tento moment nepřispěju, možná je najdu později. Rozhodně ale doporučuji si nějaký postavit, třeba dva mikrof. vstupy s dvoupásmovým EQ.
Jediné co se opravdu vyplatí, tak je výroba kabelů, zatím jsem nenarazil na žádné od-výrobce-hotové, které by byly tak odolné jako ručně dělané s kvalitním cínem a pájkou.
Postavit si mixík ale může být užitečná kratochvíle, naučíte se na tom spoustu věcí, jak co funguje a jak vypadá mix zevnitř. Schémátkem, podle kterého jsem stavěl, bohužel v tento moment nepřispěju, možná je najdu později. Rozhodně ale doporučuji si nějaký postavit, třeba dva mikrof. vstupy s dvoupásmovým EQ.
Jediné co se opravdu vyplatí, tak je výroba kabelů, zatím jsem nenarazil na žádné od-výrobce-hotové, které by byly tak odolné jako ručně dělané s kvalitním cínem a pájkou.
Re: MIxazni pult bastleni
Kabely bez diskuze - za posledních asi 5 roků jsem "sdělal" zhruba 4km a pořád je zájem 
Kejsy jsou taky dobrá komodita
Kejsy jsou taky dobrá komodita
Nemám strach z lopaty, mám strach ze srpu a kladiva
- SUK
- Příspěvky: 2483
- Registrován: 17.03.2008 22:19
- last.fm: last.fm/user/sukcz
- Bandzone: http://bandzone.cz/fan/sukovec
- Bydliště: Pr(aha|del|ase)
- Kontaktovat uživatele:
Re: MIxazni pult bastleni
Imho nevzdavej to, pokud ti nejde o "kvalitu za par kacek a par hodin". Neco se naucit, pochopit, jak to funguje a i mit neco, co sis sam vyrobil je proste supr. A i kdyz to nezvladnes, porad se neco naucis, co muzes vyuzit v budoucnu.einsteincz píše:Imho vzdej to
Ja se o velkych prazdninach (~srpen) snazil prave o minimixak. Chtel jsem jenom nekolik malo kanalu (pro zacatek lze zacit na nepajivym poli s dvema - trema a pak uz jen pridat dalsi) a balanc pro jednotlivej kanal - tzn bez korekci. Sice jsem pochopil, co a k cemu je emitorovy sledovac, k cemu slouzi rezistor (jako delic napeti) ...
ale jelikoz moje znalosti elektroniky jsou chabe, daleko jsem to nedotahnul.
Mel jsem nejaky J-FET jako predzesilovaci prvek (em. sledovac), za nej jsem chtel ten balanc mezi R/L, coz jsem sice zvladnul, ale objevil se ten problem, ze signal bylo potreba znovu zesilit (pred smisenim signalu ze vsech kanalu), coz se mi nepodarilo. Bylo tam potreba nejaky drobny zesilovac, ale ja tam zase dal jen sledovac, cimz se veskery balanc ztratil
Drzim palce a kdybys neco nasel, tak nadhod linky, zkusil bych to treba znova...
Hodně budem někde...
Re: MIxazni pult bastleni
Ahoj, potřeboval bych poradit. Chtěl bych si vyrobit velice jednoduchý "mix". Dva vstupy XLR od mikrofonů a chci míchat poměr mezi nima do jednoho XLR výstupu. Asi je mi jedno jestli bych to dělal dvouma potenciometrama nebo jedním. Měli byste nějký tip na schéma?
Elektrofonická kytara --> Koaxiální kabel č.1 --> Pedálová deska --> Koaxiální kabel č.2 --> Elektronkový zesilovač --> Reproduktorová skříň
Re: MIxazni pult bastleni
Zdar a sílu,
v Tvém příspěvku chybí údaj jaké mikrofony používáš jestli dynamické nebo kondenzátorové (případně elektretové). Pro dynamické Ti bude stačit pasivní mix bez zesilovacích prvků jen s potenciometry a sčítacími odpory jako je zde.: http://nf.duseknet.com/mix.htm
Pro kondenzátorové (elektretové) mikrofony musíš zajistit jejich napájení, vyhovovat bude např. něco takového.: Pro další inspiraci se můžeš podívat na teslácký mix AZL 123.:
http://www.radiojournal.cz/schemata/AZL123.pdf
v Tvém příspěvku chybí údaj jaké mikrofony používáš jestli dynamické nebo kondenzátorové (případně elektretové). Pro dynamické Ti bude stačit pasivní mix bez zesilovacích prvků jen s potenciometry a sčítacími odpory jako je zde.: http://nf.duseknet.com/mix.htm
Pro kondenzátorové (elektretové) mikrofony musíš zajistit jejich napájení, vyhovovat bude např. něco takového.: Pro další inspiraci se můžeš podívat na teslácký mix AZL 123.:
http://www.radiojournal.cz/schemata/AZL123.pdf
S opravami jsem skončil, žádné další zakázky už nepřijímám. Když budete mít jakýkoliv smysluplný technický dotaz týkající se elektronek, zesilovačů a "krabiček", klidně mě kontaktujte e-mailem: z.hronek@protonmail.com Když budu znát odpověď, budu mít čas a chuť, rád Vám odpovím. Děkuji.
Re: Mixazni pult bastleni
Ahoj, bude se jednat od dynamické.
Elektrofonická kytara --> Koaxiální kabel č.1 --> Pedálová deska --> Koaxiální kabel č.2 --> Elektronkový zesilovač --> Reproduktorová skříň
Re: Mixazni pult bastleni
Jak chceš mít mikrofony připojeny: symetricky nebo nesymetricky ?
Na obrázku jsou oba způsoby připojení jednoho mikrofonu k zařízení.
Na obrázku jsou oba způsoby připojení jednoho mikrofonu k zařízení.
Re: Mixazni pult bastleni
No asi symetricky, dál to budu posílat do klasického mixu, ale chci si míchat poměr mikrofonů sám.
Elektrofonická kytara --> Koaxiální kabel č.1 --> Pedálová deska --> Koaxiální kabel č.2 --> Elektronkový zesilovač --> Reproduktorová skříň
Re: Mixazni pult bastleni
Zvukaři asi nebudou nadšeni, nebudou to mít pod kontrolou. Vazba je sviňa...
Jednoduché schema pasivního symetrického minimixu pro dva mikrofony by mělo jít najít, pokud se nic nenajde, zkusím to zesmolit. Během dne...
Jednoduché schema pasivního symetrického minimixu pro dva mikrofony by mělo jít najít, pokud se nic nenajde, zkusím to zesmolit. Během dne...
Re: Mixazni pult bastleni
Z 90% si vše zvučíme sami a konkrétně to chci na dva mikrofony ke kytarovému reproboxu. Chci si opravdu jen míchat poměr mezi nima. Jeden mikrofon Shure Sm57 a druhý Sennheiser e906.
Elektrofonická kytara --> Koaxiální kabel č.1 --> Pedálová deska --> Koaxiální kabel č.2 --> Elektronkový zesilovač --> Reproduktorová skříň
Re: Mixazni pult bastleni
Jednoduše pasivně bez vzájemného ovlivňování zvuku obou mikrofonů mezi sebou to asi nepůjde. Osobně bych volil řešení použitím malého mixíku, např:
https://kytary.cz/behringer-q802usb/HN1 ... DxEALw_wcB
https://kytary.cz/behringer-q802usb/HN1 ... DxEALw_wcB
Re: Mixazni pult bastleni
https://m.thomann.de/gb/radial_mix2_1.htm
Něco takového by se mi líbilo, ale chtěl bych si to zbastlit sám.
Něco takového by se mi líbilo, ale chtěl bych si to zbastlit sám.
Elektrofonická kytara --> Koaxiální kabel č.1 --> Pedálová deska --> Koaxiální kabel č.2 --> Elektronkový zesilovač --> Reproduktorová skříň
Re: Mixazni pult bastleni
Je to pasivní DI box s transformátory a vloženým útlumem 6 dB. Zapojení určitě jednoduché nebude, na obrázku je blokové schéma z manuálu, tak hurá to toho...
Re: Mixazni pult bastleni
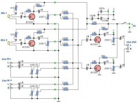
Aby to bylo levne a schopne, udelal bych to aktivni
Dva oz jako sledovace a pak michat pomer na vystupu
Napajeni 9V baterkou vydrzi dlouho pri tak male spotrebe...
Dva oz jako sledovace a pak michat pomer na vystupu
Napajeni 9V baterkou vydrzi dlouho pri tak male spotrebe...
Provádím základní měření elektronek a drobné opravy a úpravy elektronkových aparátů a věcí kolem hraní. Vše je na domluvě - Severní Čechy
Dotazy prosím do SZ
Dotazy prosím do SZ
Re: Mixazni pult bastleni
Přesně tak, případně tam použít napájení z phantomu, pokud to bude vždy připojovat k mixu, který phantom napájení má...
Re: Mixazni pult bastleni
Taky jsem kdysi řešil jak udělat malý mix. Strávil jsem mraky času nad tím, abych to vymyslel. Pak jsem si sečetl cenu součástek a byla vyšší než cena nového mixu. Tyhle věci se nevyplatí dělat. Nehledě na neúměrné množství spáleného času.
Pasivní spojení stereo potenciometry by asi fungovalo, ale jak tu někdo píše, budou se asi ovlivňovat. Pokud řešíš snímání kytary dvěma mikrofony, pak jsou tvé nároky na kvalitu zvuku dost vysoké. Potřebuješ aktivní řešení. Kup nějaký malý mix jak posílal JirkaT. Bude pak mít i další využití. A pokud koupíš na bazaru, dá se prodat s minimální ztrátou. Bastl bude jednoúčelový a neprodejný.
Pasivní spojení stereo potenciometry by asi fungovalo, ale jak tu někdo píše, budou se asi ovlivňovat. Pokud řešíš snímání kytary dvěma mikrofony, pak jsou tvé nároky na kvalitu zvuku dost vysoké. Potřebuješ aktivní řešení. Kup nějaký malý mix jak posílal JirkaT. Bude pak mít i další využití. A pokud koupíš na bazaru, dá se prodat s minimální ztrátou. Bastl bude jednoúčelový a neprodejný.