Takže jestli to dobře chápu, tak jim stačí napsat "Hammond Part Number" (např. 1750N)?
A nemáš náhodou zkušenosti s jejich trafama pro JCM800 50W? Je to dobrá volba?
Každý doporučuje standardní odbrumení drátovým potenciometrem 220ohm ve žhavící větvi, běžec připojený na zem a nastavený tak, až to brumí co nejmíň....pak se brum zacina mirne projevovat. Zkusim jeste prijit odkud se bere...
U JTM45 se trimr ve zhavicich vetvi neda dost pouzit protoze stred zhaviciho vinuti trafa je ukostren, pak je moznost pouzit ty kondy...to vyzkousimmia píše: Každý doporučuje standardní odbrumení drátovým potenciometrem 220ohm ve žhavící větvi, běžec připojený na zem a nastavený tak, až to brumí co nejmíň.
Mě se naopak osvědčily kondenzátory 330n na konci žhavící větve z každého drátu na zem. Útlum brumu byl daleko menší než při použití potenciometru. Takže poťáky nepoužívám.
Vypadá to moc pěkněBasák píše:Mám k hlavě k jejíž stavbě mě inspiroval Stanley06 hotový i box, který je kopie Thiele,a osazen CELESTION CLASSIC Vintage 30. Zvukově jsem naprosto spokojen, jediné co musím ještě předělat jsou popisy. Snad na ně někdy také dojde.
díky...mmjuz píše:Poty TP 280 bývalá Tesla, tu: http://www.es-ostrava.cz/, ještě lepší jsou uhlíkáče TP 180. Případně Alps mexické, ale blbě se shání. Oblíbené jsou i jejich kopie Alpha - taková lepší Čína. Kondíky polyestery taktéž v ESO, nebo výprodeje starých RVHP - např. http://www.pesimat.cz, mají i dobré uhlíkové odpůrky, případně výkonové dráťáky do zdroje. Nebo oranžové Sprague - polyestery z GESu, ale jsou předražené a kvalita asi stejná jako MK od ESO. Elyty JJ v GESu, případně Tesly z výprodejů, ale musíš si s nimi pohrát a naformovat je. Tu je postup: http://www.volny.cz/pjenicek/radio/navo ... rmelt1.htm
podobnej EQ mam ve svím zesíku a maká pěkně. ale jestli si chces zaexperimentovat tak si stahni Tone Stack Calc 1.3 a můžeš se udělat EQ podle sebe.Pikus píše:díky...mmjuz píše:Poty TP 280 bývalá Tesla, tu: http://www.es-ostrava.cz/, ještě lepší jsou uhlíkáče TP 180. Případně Alps mexické, ale blbě se shání. Oblíbené jsou i jejich kopie Alpha - taková lepší Čína. Kondíky polyestery taktéž v ESO, nebo výprodeje starých RVHP - např. http://www.pesimat.cz, mají i dobré uhlíkové odpůrky, případně výkonové dráťáky do zdroje. Nebo oranžové Sprague - polyestery z GESu, ale jsou předražené a kvalita asi stejná jako MK od ESO. Elyty JJ v GESu, případně Tesly z výprodejů, ale musíš si s nimi pohrát a naformovat je. Tu je postup: http://www.volny.cz/pjenicek/radio/navo ... rmelt1.htm
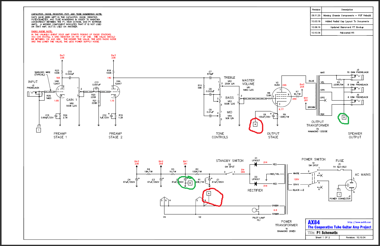
a ještě, máte někdo zkušenosti s P1? Vylepšili by jste nějak ten ekvalizér nebo funguje dobře?
EDIT: A ještě jeden dotaz... ve schématu jsem vám to zvýraznil. Ty písmenka v rámečku tam znamenají, že mám tyto body spojit?
Díky

ten bias mam řešnej uplně stějně takže by to mělo bejt oka. co tam budeš dávat na ptenciometr na ten bias ?Pikus píše:Aha... ale ještě mám jednu nejasnost... nebudu používat ty trafa, který jsou tam předepsaný, takže jsem to překreslil pro svojí situaci, plus jsem tam dodělal nastavení pracovního bodu elektronky.
Je to takhle dobře? Jde mi zejména o koncový stupeň.
Díky.

nejspíš nějakej dráťák a asi bude lepší lineární... co tam máš ty?core88 píše:ten bias mam řešnej uplně stějně takže by to mělo bejt oka. co tam budeš dávat na ptenciometr na ten bias ?Pikus píše:Aha... ale ještě mám jednu nejasnost... nebudu používat ty trafa, který jsou tam předepsaný, takže jsem to překreslil pro svojí situaci, plus jsem tam dodělal nastavení pracovního bodu elektronky.
Je to takhle dobře? Jde mi zejména o koncový stupeň.
Díky.