Předělávka fender frontman 15G

Stavba a úpravy zesilovačů, reproboxů či komb
Odpovědět
blizzard384
Příspěvky: 127
Registrován: 8.04.2011 18:30

Předělávka fender frontman 15G

Příspěvek od blizzard384 »

Mám doma nefunkční tohle
Obrázek
a zajímalo by mne jestli bych byl schopen vyměnit vnitřek za nejaký vlastnoručně vyrobený jednoduchý jednokanálový lampový kombo. Zkušenosti s prácí s vysokým napětím nemám žádné a postavil jsem jenom pár kytarovejch efektů (který vesměs zázrakem fungovaly). Ideální by bylo kdybych mohl použít i ten reprák, jestli to neni moc nekvalitní. Představuju si něco do 15W.

Takže moje otázky:
-Měl bych se do toho pouštět a nebo za 400 to někomu prodat ať zkusí štěstí on?
-Doporučíte mi nějaký podrobný návody pro začátečníky podle čeho by se dalo kombo postavit?

Předem díky za odpovědi.
Fender 1989 Stratocaster | Gibson SG '61 Reissue | Fender '65 Twin Reverb | Orange Tiny Terror kombo
Uživatelský avatar
Stanley06
Rádce
Příspěvky: 1925
Registrován: 8.09.2008 20:42
Bydliště: Nalžovské Hory, Plzeň
Kontaktovat uživatele:

Re: Předělávka fender frontman 15G

Příspěvek od Stanley06 »

pokud nemáš zkušenosti tak se do toho radši nepouštěj (stačí se podívat vedle do vlákna kde se snaží syneda dát dohromady svuj první lampáč bez předchozích zkušeností), když se do toho vlákna podíváš najdeš tam i stránky z kterých většinou čerpáme - ax84.com, valvewizard, sloclone, i různé stránky na schémata.

PS: za tu cenu to od tebe klidně na díly vezmu
St.Anley Tube Amps
stavba a úpravy elektronkových zesilovačů
FB profil - Poslední model - Krank Lead Rack - Video demo
blizzard384
Příspěvky: 127
Registrován: 8.04.2011 18:30

Re: Předělávka fender frontman 15G

Příspěvek od blizzard384 »

Tak nějak se to naučit musím, kdybych do toho dal třeba 2 tisíce a nefungovalo by to, tak by mi to za tu zkušenost stálo, horší by bylo kdybych se přitom zabil...
Fender 1989 Stratocaster | Gibson SG '61 Reissue | Fender '65 Twin Reverb | Orange Tiny Terror kombo
Uživatelský avatar
core88
Rádce
Příspěvky: 2884
Registrován: 31.12.2009 17:27
Bydliště: Klatovy
Kontaktovat uživatele:

Re: Předělávka fender frontman 15G

Příspěvek od core88 »

jestli to má bejt něco ve stylu . "doma se mi válí nefunkční combo > zbastlim si do toho lampáč" ta se na to vybodni a prodej to . netvrdim že nejde postavit lampáč bez předchozích zkušeností . postavit to de ale musíš tomu věnovat nějakej čas aby si poznal co jak funguje a jak se to má správně zapojovat . A jestli to chceš postavit na nějaký slušný úrovni ( žádný vykuchaný starý rádia ....) tak i když by to mělo mít 5W to do toho zahučí mnohem víc než 2k ,- pokud tě to vážně zajímá tak si to klidně postav v tom žádnej problém nevidim . jen počítej s tim že v tom utopíš moře času a docela dost prachů .......
Dobří umělci kopírují ti nejlepší kradou. - Pablo Picasso
Obrázek
Uživatelský avatar
Dan Rohanský
Příspěvky: 555
Registrován: 1.03.2010 22:05

Re: Předělávka fender frontman 15G

Příspěvek od Dan Rohanský »

core88 píše:...tak i když by to mělo mít 5W to do toho zahučí mnohem víc než 2k ,- pokud tě to vážně zajímá tak si to klidně postav v tom žádnej problém nevidim . jen počítej s tim že v tom utopíš moře času a docela dost prachů .......
Přesně tak, pročti forum a jestli se pak na to budeš cítit...
Nějak se začít musí, ale chce to alespoň trochu znát co jak pracuje.
Uživatelský avatar
Moleek
Příspěvky: 3600
Registrován: 8.03.2007 7:08
Bydliště: Prague / Bítovany

Re: Předělávka fender frontman 15G

Příspěvek od Moleek »

A já ještě přidám, že ta pixla od Frontmana pravděpodobně bude malá a při první stavbě asi budeš potřebovat více místa, takže lepší stavět do nějakého rozumného šasi zvlášť (jako hlavu) a ten reprák z frontmana k tomu připojit stejně zvlášť.
:Apollo LP junior::Molk telecaster::Dimavery Precision Bass::Cort AD810 NS::Bugera 6262::Molk custom box 412:
:Mapex Voyager(22",10",12",14",14")::Anatolian, Paiste, Zildjian a Amati činely::HW Mapex, Sonor::Vater 5A


http://bandzone.cz/fadetogrey
http://last.fm/user/Moleek
Uživatelský avatar
Stanley06
Rádce
Příspěvky: 1925
Registrován: 8.09.2008 20:42
Bydliště: Nalžovské Hory, Plzeň
Kontaktovat uživatele:

Re: Předělávka fender frontman 15G

Příspěvek od Stanley06 »

to je dobrá poznámka, třeba teď jsem stavěl pro Blacka 5w aparát s 1xel84 v konci, dvěma preampovkama a usměrňovačkou, šasi má velikost 30x13x5 a je to tak akorát, má teda trošku větší trafa, ale o moc už by to zmenšit nešlo
St.Anley Tube Amps
stavba a úpravy elektronkových zesilovačů
FB profil - Poslední model - Krank Lead Rack - Video demo
Uživatelský avatar
jastud
Příspěvky: 2432
Registrován: 5.11.2009 12:35
Bydliště: Brno/Lysice

Re: Předělávka fender frontman 15G

Příspěvek od jastud »

Frontman má vnější rozměry cca. 30x30x20. Dvouflaškový zesilovač tam dostane vcelku snadno.
Při tanci nesmiju byt žadne prostoje
a hrať se musi aji na levne nastroje.
vercajg
Příspěvky: 70
Registrován: 17.03.2012 21:12
Bydliště: Strakonice

Re: Předělávka fender frontman 15G

Příspěvek od vercajg »

Kuchni nějaké rádio s EL84 a postav P1 nebo hi-octane z ax84.
blizzard384
Příspěvky: 127
Registrován: 8.04.2011 18:30

Re: Předělávka fender frontman 15G

Příspěvek od blizzard384 »

Všem díky za odpovědi.

Já jsem přemýšlel o http://ax84.com/p1.html
Je tam všechno detailně popsané a nevím co se na tom moc dá skazit, když si dám pozor abych všechno správně zapojil. Jediný co mi neni jasný je jak se řeší bias, ale předpokládám, že je to někde napsaný v tom "Theory documentu". Na tý stránce prodávaj už rovnou připravený kity za $250. Myslíte, že kdybych to kupoval na musikdingu a spíš low-endový součástky, že by byla cena podobná?

Ještě jsem našel finančně zajímavější řešení tady:
http://www.musikding.de/Kits/Madamp-Kit ... ::796.html
ale nevím, jak moc detailně to bude popsaný.

Jinak s tim rádiem: kde to sháníte? Mě se doma teda žádný neválí.
Fender 1989 Stratocaster | Gibson SG '61 Reissue | Fender '65 Twin Reverb | Orange Tiny Terror kombo
Uživatelský avatar
core88
Rádce
Příspěvky: 2884
Registrován: 31.12.2009 17:27
Bydliště: Klatovy
Kontaktovat uživatele:

Re: Předělávka fender frontman 15G

Příspěvek od core88 »

jo ta P1 by byla pro začátek dobrá .
Podělat se na to nechá lecos jistý lidi tady o tom vý sví :twisted:

No když by si to kupoval na dasmusikding tak bych se o kvalitu součástek nebál . Prodává tam docela slušný věci .

Kupovat Kit P1 je nesmysl zaplatíš za to ještě clo . a nic moc kloudnýho ti s toho nevyleze .

to ten Madamp vypadá o dost zajímavěj . Je to stavebnice takže by u toho měl bejt nějakej plánek jak to zapojit .
koukni sem http://www.madamp.biz/ tam by to mělo bejt popsaný .

EDIT: Ta P1 má auto bias. takže nic se tam nastavovat nemusí
Dobří umělci kopírují ti nejlepší kradou. - Pablo Picasso
Obrázek
Uživatelský avatar
Tube Guru
Odborník
Příspěvky: 2025
Registrován: 13.11.2011 21:07
Bydliště: Země, ČR dočasně

Re: Předělávka fender frontman 15G

Příspěvek od Tube Guru »

Dobrý den, můj osobní názor: Vůbec bych se nevyhýbal použití starého elektronkového rádia (v 60. letech hrála většina kytaristů u nás přímo s kytarou zapojenou do gramofonového vstupu třeba i prvorepublikového lampového rádia a později po objevení se tranzistorových "kytarových" zesilovačů nostalgicky vzpomínali na ten zvuk ze starého rádia, kterého ty tranzistorové nějak nemohly dosáhnout), získáte tak dvě nejdražší součástky - síťový a výstupní transformátor. Při troše štěstí bude po vyčistění možné použít i potenciometr, možná i filtrační elektrolyt. Další podstatnou výhodou takového řešení je, že nedostanete spoustu nepotřebného "balastu", který musíte zaplatit jako při koupi kitu. Bedýnka z Frontmana je na konstrukci jednočinného zesilovače řekl bych ideální. Staré elektronkové rádio se shání u babiček na půdách, po sklepích nebo v nouzi nejvyšší ve sběrném dvoře. Schemat je na netu nepřeberně, po zadání "practice guitar tube amp schematic" do vyhledávače se Vám zjeví cca 2,5 milionu stránek (ne všechny jsou ovšem ty správné které potřebujete). Ve výběru elektronek se v tomto případě taky není nutné striktně držet zažitého vzoru ECC83 do předzesilovače a EL84 jako koncový stupeň. Vyhoví jakákoliv dvojitá trioda se žhavicím napětím 6,3V a jakákoliv koncová pentoda se stejným žhavicím napětím. Což prakticky znamená jakákoliv ECCxx(x) a jakákoliv ELxx nebo i 6L31. Doporučení: neberte žádný názor jako dogma a pokud se do přestavby pustíte, postupujte kreativně a dosáhnete určitě dobrého výsledku. Hodně zdaru a hlavně BEZPEČNĚ!!!
S opravami jsem skončil, žádné další zakázky už nepřijímám. Když budete mít jakýkoliv smysluplný technický dotaz týkající se elektronek, zesilovačů a "krabiček", klidně mě kontaktujte e-mailem: z.hronek@protonmail.com Když budu znát odpověď, budu mít čas a chuť, rád Vám odpovím. Děkuji.
mmjuz
Odborník
Příspěvky: 2236
Registrován: 23.03.2009 11:17
Bydliště: Brněnsko
Kontaktovat uživatele:

Re: Předělávka fender frontman 15G

Příspěvek od mmjuz »

No, výstupák ze starého rádia asi ano. Určitě ne ovšem z nějaké předválečné vykopávky, ale naopak s co nejmladšího modelu, tedy nejlépe z přelomu 60. a 70.let. V konci by mělo mít nejlépe EL84, nebo něco podobného, třeba ECL86, která má pentodovou část EL84 hodně podobnou. Případně maličkou 6L31 svazkovou tetrodu, nebo pentodu EL95, k takovému výstupáčku bude optimální použít 6V6. Na nějaké exoty se vykašli. Kde budeš v budoucnu shánět náhrady? Do předzesu asi klasiku ECC83, na tu najdeš na netu spoustu schemat. Každopádně si nech trafáčka někde proměřit Megmetem, ať máš jistotu, že není porušená nikde izolace!! Na Aukru je rádií mnoho. Já osobně mám nejraději NDR výrobky, bývají oproti Teslám dražší, ale výstupáčky mají mnohem kvalitnější. Krom toho z nich jdou s úspěchem použít i reproduktory. Určitě jsou lepší, než ten hnůj, co máš ve Fendříkovi.
Síťák si nech namotat nový. Staré jsou většinou na 220V, dnes je v síti i více než 230V, dělalo by Ti to neplechu, krom toho v dobách elektronkových rádií platili mnohem mírnější normy než dnes, a třeba o dvojité izolaci si u takové staré mrchy můžeš leda tak nechat zdát. Bezpečnost uživatele nade vše! Šetřit nemá smysl. Elyty také kup nové. Staré budou odformované, Ty je naformovat stejně neumíš a v horším případě Ti buchnou do obličeje, v lepším budou mít svody. Nejlepší co je běžně na trhu jsou kyblíky od JJ electronic, mají je např. v GESu, nebo si je můžeš objednat přímo od českého distributora - f. Mikulaštík Rožnov, ten je má pochopitelně nejlevnější. Mimochodem tenhle člověk má i zásobu ještě teslackých elektronek a prodává je za babku. Já od něj nakoupil před časem EZ81 á 100,-Kč/ks a jsou bezproblémové. Dává na ně i záruku, slušný člověk.
Co se týče bižuterie, je spousta výprodejů, kde nakoupíš levně kvalitní součástky. Denkl, Tipa, Pesimat....
Osobně mám nejraději ruské odpory MLT, a kondíky používám hlavně styroflexy. Na nejmenší hodnoty pak slídu. Pokud ošidíš zdroj polovodičem, tak se na těch cca 2500,- možná dostaneš i s nákupem kvalitních věcí. Záleží, jak se Ti podaří nákup rádia.

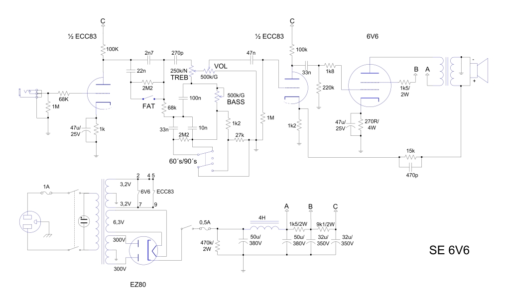
Dnes mi jeden kluk tady z fóra poslal v digitalizované formě
Příloha SchematečkoSE.jpg je dlouhodobě nedostupná.
moje oblíbené schema, tak Ti ho tu pro zajímavost přihazuji:
Je vyzkoušené tak v deseti případech, nemusíš se bát záludností.
SE4Wfj.jpg
Naposledy upravil(a) mmjuz dne 18.12.2012 17:32, celkem upraveno 2 x.
blizzard384
Příspěvky: 127
Registrován: 8.04.2011 18:30

Re: Předělávka fender frontman 15G

Příspěvek od blizzard384 »

Díky všem za vyčerpávající odpovědi.

Rádio si nakonec asi kupovat nebudu, jak už jsem předtím několikrát psal, vůbec se v tom nevyznám a nevím jak třeba upravit obvod, kdyby to trafo mělo jiný specifikace.

Nakonec jsem se rozhodl spíše pro tu AX84 p1. Komplet součástky (bez chasi a knobů, ale včetně lamp) mě vyjdou na 130Euro + doprava, což mi nepřijde vůbec špatné.

Mám ale otázku:

můžu místo hammond 169EX (http://www.hammondmfg.com/263.htm) použít tohle
http://www.musikding.de/Passive-parts/T ... ::808.html?

Hammond dává 6.3V 2.5A a to z musikdingu 6.3V 4A, takže podle mého laického názoru by to mělo být v pořádku, akorát doufám, že nějak vykoumám zapojení.
Fender 1989 Stratocaster | Gibson SG '61 Reissue | Fender '65 Twin Reverb | Orange Tiny Terror kombo
mmjuz
Odborník
Příspěvky: 2236
Registrován: 23.03.2009 11:17
Bydliště: Brněnsko
Kontaktovat uživatele:

Re: Předělávka fender frontman 15G

Příspěvek od mmjuz »

Klidně to trafo použij, ale já bych si ho nechal navinout v tuzemsku, tahle levná Čína mě nebere. Co se týče Hammond, tak jsem zkoušel ten jejich výstupáček pro Fender Champ a byla to docela bída. Tenký ostrý zvuk, znělo to jaksi lacině. Ve srovnání s VT z NDR rádia Bernau Naeun neměl šanci. Němec byl o dvě třídy lepší.
blizzard384
Příspěvky: 127
Registrován: 8.04.2011 18:30

Re: Předělávka fender frontman 15G

Příspěvek od blizzard384 »

Kde by jste mi doporučili si to kdyžtak nechat namotat? Co musím uvést za požadavky?
U toho power trafa stačí uvést 230V primární, 6.3V sekundární aspoň 2.5A?
U toho výstupního (http://www.hammondmfg.com/125SE.htm) uvést 10W, 70ma max D.C. bias?

Nebudu to pak mít problém nějak zapojit, když se nevyznám v těch barvách kabelů (pro ten hammond je to udělaný v tom layoutu na ax84.com)

Omlouvám se za stupidní dotazy, ale ještě mám jeden: můžu místo UF4007 diody použít 1N4007?
Fender 1989 Stratocaster | Gibson SG '61 Reissue | Fender '65 Twin Reverb | Orange Tiny Terror kombo
mmjuz
Odborník
Příspěvky: 2236
Registrován: 23.03.2009 11:17
Bydliště: Brněnsko
Kontaktovat uživatele:

Re: Předělávka fender frontman 15G

Příspěvek od mmjuz »

Já mám nejlepší zkušenosti se síťovými trafy a tlumivkami do zdrojů ve firmě Silveratech http://www.silveratech.cz/ Bývá to do týdne hotové a poměrně levné. Kvalita standartní. Dříve jsem často bral od Elektrokov Znojmo a tam to trvalo více jak dva týdny a ceny byly tak o třetinu vyšší, kvalita v jistém směru horší.
Pokud budeš usměrňovat můstkem, stačí Ti jednoduché vinutí, asi tak 210V / 80mA, na žhavení bych určitě udělal symetrické 3,2 - 0 - 3,2V / 2,5A.
Výstupák vezmi ten Hammond, když se nechceš patlat se starým rádiem. Je to rozumné.

Aha, tak ty tam budeš dávat asi dvě diody, nechce se mi to schema hledat. Takže změna, na anodové budeš potřebovat také symetrii. Tedy 210 - 0 - 210V/ 80mA.
Klidně 1N4007.
blizzard384
Příspěvky: 127
Registrován: 8.04.2011 18:30

Re: Předělávka fender frontman 15G

Příspěvek od blizzard384 »

Schéma je tady

Možná je to to samé, ale parametry toho hammondu (aspon obdoby pro primární 230V) jsou
Sec. 1: 190-0-190 V @ 75 mA
Sec. 2: 6,3 V CT @ 2,5 A

Jestli to dobře chápu tak 210V nebo 190V by mělo být jedno, ale to sekundární 2 se mi zdá nějaký divný, ale jak říkám, vůbec tomu nerozumím, tak mě kdyžtak poučte.

Ještě bych si rád ověřil, že http://www.tube-town.net/ttstore/produc ... 369EX.html je obdoba toho hammond 269EX, akorát pro použití v evropě. Každopádně to stojí 65Euro, pokud by mě to namotání v česku vyšlo na míň, tak bych do toho asi šel, ale pokud bych nemusel dělat nějaké změny v tom zapojení. Ta tom layoutu jsou barevně označené ty drátky co vedou z hammondu kam to mám zapojit, takže by to nebyl problém, ale jak to poznám v případě toho trafa z česka? Nebo je nějaký mezinárodní standard na barvy drátů? (Tahle otázka musí znít obzvlášť hloupě).

Poslední dotaz: Jako PL1 můžu použít toto? http://www.tube-town.net/ttstore/produc ... -Volt.html
Fender 1989 Stratocaster | Gibson SG '61 Reissue | Fender '65 Twin Reverb | Orange Tiny Terror kombo
Uživatelský avatar
core88
Rádce
Příspěvky: 2884
Registrován: 31.12.2009 17:27
Bydliště: Klatovy
Kontaktovat uživatele:

Re: Předělávka fender frontman 15G

Příspěvek od core88 »

co se ti nezdá na tom 2. sekundáru ? to je žhavnení ...

přesně tak 369EX je to samí jako 269EX . jedinej rozdíl je v pirimáru. 269EX má primár na 115V 60Hz a ten 369EX má primární vinutí univerzální od 100V do 240V takže je použitelný i u nás .

No s barevným značením Drátů je to asi jak si to každej výrobce udělá . Na to asi žádná norma neni . I když co sem tak koukal tak sekundár pro anodový je většinou červenej

ty trafa jak ti doporučil mmjuz maj nasobě svorkovnici která by měla bejt popsaná http://www.silveratech.cz/obrcl-bezpecn ... ozku-26-49

jo to světýlko použít můžeš ale ještě kněmu budeš potřebovat dřžák a barevný sklíčko (maj jich víc barev)
http://www.tube-town.net/ttstore/produc ... -blue.html
http://www.tube-town.net/ttstore/produc ... older.html
Dobří umělci kopírují ti nejlepší kradou. - Pablo Picasso
Obrázek
Uživatelský avatar
Dan Rohanský
Příspěvky: 555
Registrován: 1.03.2010 22:05

Re: Předělávka fender frontman 15G

Příspěvek od Dan Rohanský »

core88 píše: ty trafa jak ti doporučil mmjuz maj nasobě svorkovnici která by měla bejt popsaná http://www.silveratech.cz/obrcl-bezpecn ... ozku-26-49
A já doporučuju TBP Blatná, protože ti udělají klidně jenom volně dráty bez svorkovnice, která je pěkná tak akorát v zářivkách.
http://img8.rajce.idnes.cz/d0802/5/5470 ... F_5821.jpg
Odpovědět

Zpět na „Aparatury“